电脑桌面
添加小米粒文库到电脑桌面
安装后可以在桌面快捷访问

苏价服[2001]113号江苏工程质量检测和建筑材料验收收费标准

苏价服[2001]113号江苏工程质量检测和建筑材料验收收费标准_第1页
1/22
苏价服[2001]113号江苏工程质量检测和建筑材料验收收费标准_第2页
2/22
苏价服[2001]113号江苏工程质量检测和建筑材料验收收费标准_第3页
3/22
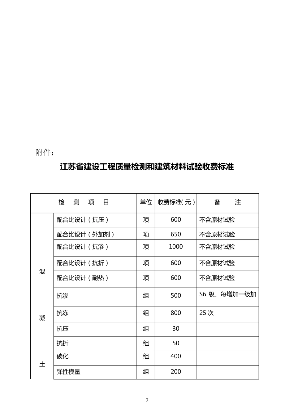
1 江 苏 省 物 价 局 江 苏 省 建 设 厅 苏 价 服 [2001]113 号 关于核定《江苏省建设工程质量检测 和建筑材料试验收费标准》的通知 各 市 物 价 局 、建委,常熟市 物 价 局 、建委: 自 1998 年《江苏 省建设工程质量检测和建筑材料试验收费标准》下达试行以来,我省建设工程质量检测和建筑材料试验收费行为得到了初步规范,促进了质量检测和建筑材料试验水平的提高。近年来,国家对有关检测和试验行业标准又作了新的调整与补充,现结合我省具体实际,将重新修订的《江苏 省建设工程质量检测和建筑材料试验 收费标准》印发给你们,并就有关问题通知如下: 2 一 、具有省建设厅颁发的《工程质量检测机构资质等级证书》的检测单位,接受委托、提供建设工程质量检测和建筑材料试验经营服务应按《江苏省建设工程质量检测和建筑材料试验收费标准》进行收费。 二、本批复标准为最高限标准(其中含省质量检测管理费,其标准由原 5 %降为 2 .5 %)。检测单位可视情况适当下浮,未列入本标准的新材料检测收费由检测双方协商确定。 三、本通知自 2 0 0 1 年 5 月 1 日起实行。原标准同时废止。 3 附件: 江 苏 省 建 设 工 程 质 量 检 测 和 建 筑 材 料 试 验 收 费 标 准 检 测 项 目 单 位 收 费 标 准( 元 ) 备 注 混 凝 土 配 合 比 设 计 ( 抗 压 ) 项 600 不 含 原 材 试 验 配 合 比 设 计 ( 外 加 剂 ) 项 650 不 含 原 材 试 验 配 合 比 设 计 ( 抗 渗 ) 项 1000 不 含 原 材 试 验 配 合 比 设 计 ( 抗 折 ) 项 600 不 含 原 材 试 验 配 合 比 设 计 ( 耐 热 ) 项 600 不 含 原 材 试 验 抗 渗 组 500 S6 级 、每增加 一级 加抗 冻 组 800 25 次 抗 压 组 30 抗 折 组 50 碳化 组 400 弹性模量 组 200 4 收 缩 组 500 90 天 砂 浆 配 合 比 设 计 项 200 不 含 原 材 试 验 稠 度 项 90 密 度 项 90 分 层 度 项 120 抗 压 项 30 抗 渗 组 200 建 筑 用 石 颗 粒 级 配 组 100 表 观 密 度 组 80 含 泥 量 组 80 泥 块 含 量 组 80 含 水 率 组 50 吸 水 率 组 50 堆 积 密 度 、紧密 密 度 组 80 有机物含...

1、当您付费下载文档后,您只拥有了使用权限,并不意味着购买了版权,文档只能用于自身使用,不得用于其他商业用途(如 [转卖]进行直接盈利或[编辑后售卖]进行间接盈利)。
2、本站所有内容均由合作方或网友上传,本站不对文档的完整性、权威性及其观点立场正确性做任何保证或承诺!文档内容仅供研究参考,付费前请自行鉴别。
3、如文档内容存在违规,或者侵犯商业秘密、侵犯著作权等,请点击“违规举报”。

碎片内容

苏价服[2001]113号江苏工程质量检测和建筑材料验收收费标准

小辰4+ 关注
实名认证
内容提供者

出售各种资料和文档

确认删除?
VIP
微信客服
  • 扫码咨询
会员Q群
  • 会员专属群点击这里加入QQ群
客服邮箱
回到顶部