电脑桌面
添加小米粒文库到电脑桌面
安装后可以在桌面快捷访问

煤矿机电CAD制图图例

煤矿机电CAD制图图例_第1页
1/12
煤矿机电CAD制图图例_第2页
2/12
煤矿机电CAD制图图例_第3页
3/12
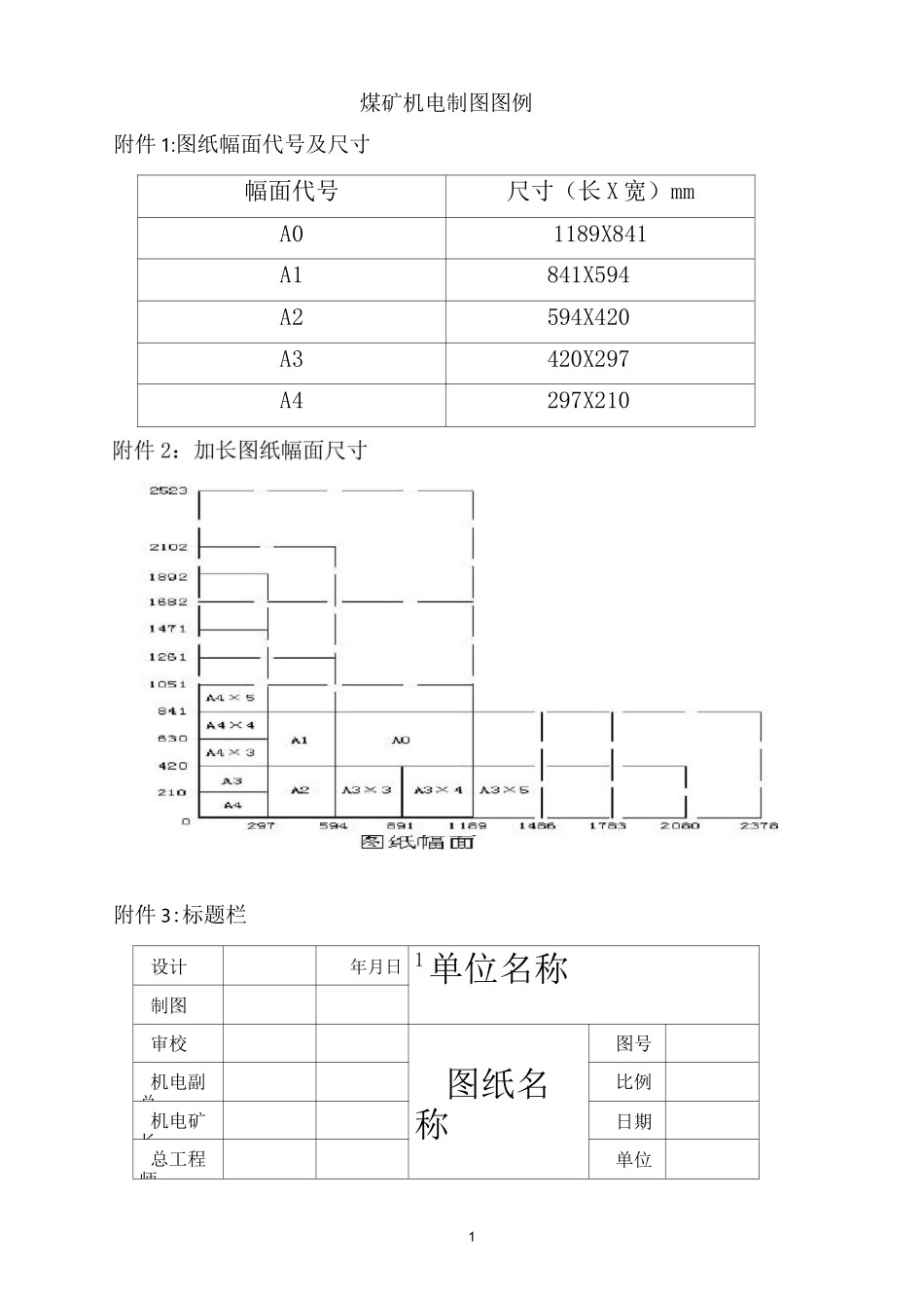
1煤矿机电制图图例附件 1:图纸幅面代号及尺寸幅面代号尺寸(长 X 宽)mmA01189X841A1841X594A2594X420A3420X297A4297X210附件 3:标题栏设计年月日 1单位名称制图审校图纸名称图号机电副总比例机电矿长日期总工程师单位2地面、井下变配电设备设施图形符号序号设备名称图例符号备注1地面变电所(井下变电所)2米区变电所e-3井下配电点4油侵式变压器8一般符号5矿用防爆变压器一工-6井下移动变电站7米区咼压配电点8米区配电点SZ9井下整流站—钳——10矿用咼压配电箱TT一般符号11矿用咼压配电箱组12矿用低压配电箱013正常合闸咼压配电箱TT14正常不合闸咼压配电箱15防爆电阻箱©一般符号16防爆电度表箱<1117防爆无功功率补偿器<-118井下主接地极a19井下局部接地极附件 5:3附件 10:4附件 10:5井下运输机械设备图形符号序号设备名称图例符号备注1刮板输送机2可弯曲刮板输送机%3带式输送机O(34可伸缩带式输送机5破碎机6带式转载机7刮板转载机8矿用绞车Ln9回柱绞车10调度绞车11液压安全绞车12矿用架空乘人装置13蓄电池式电机车為14架线式机车15矿车16矿用平巷人车17矿用平板车18矿用材料车M附件 10:6矿井通风、排水机械设备图形符号序号设备名称图例符号备注1主要通风机歹2局部通风机圆内填写功率特征3湿式除尘风机圆内填写功率特征4潜水泵A5注水泵6泥浆泵7煤水泵8水泵9乳化液泵站10喷雾泵站11空气压缩机附件 10:7管道及管路设施图形符号序号设备名称图例符号备注1闸阀2逆止阀3蓄水池4管道—采用粗实线绘制5放水器T 疹諺上6流量计7防爆阻火器8瓦斯抽放泵©附件 10:8矿井通讯系统图图例序号设备名称图例符号图例尺寸(mm)1总机ZJ方框:长 12 宽 4,线宽 0.52井下主机框内标注型号3调制调解器丨呵〕方框:长 12 宽 4,线宽 0.54矿用电话机TT5分线盒FXH方框:长 12 宽 4,线宽 0.56分线箱FXX方框:长 12 宽 4,线宽 0.57光纤在光纤上标注型号,线宽 0.58主通讯电缆在电缆上标注型号,线宽 0.59单机电缆在电缆上标注型号,线宽 0.310防雷器(通讯、电源)TXZ方框:长 12 宽 4,线宽 0.5附件 10:9附件 10:10附件 10:11矿井安全监测监控系统图图例分类号符例图传咸器5s5宽线宽21X长方5宽线0^径直感气氧5宽线宽2长方5宽线0^径直-0oc5宽线宽21X长方5宽线0^径直一s5宽线宽21X长方5宽线0^径直©5宽线宽2长方5宽线0^径直s5宽线宽21X长方5宽线0^径直温5宽线宽2长方5宽线0^径直5宽线宽2长方5宽线0^径直5宽线宽21X长方5宽线0^径直5宽线宽2长方5宽线0^径直人员定位□ 三5a宽线4宽2长・♦框方□5a宽线4宽2长・♦框方附件 10:12

1、当您付费下载文档后,您只拥有了使用权限,并不意味着购买了版权,文档只能用于自身使用,不得用于其他商业用途(如 [转卖]进行直接盈利或[编辑后售卖]进行间接盈利)。
2、本站所有内容均由合作方或网友上传,本站不对文档的完整性、权威性及其观点立场正确性做任何保证或承诺!文档内容仅供研究参考,付费前请自行鉴别。
3、如文档内容存在违规,或者侵犯商业秘密、侵犯著作权等,请点击“违规举报”。

碎片内容

煤矿机电CAD制图图例

您可能关注的文档

确认删除?
VIP
微信客服
  • 扫码咨询
会员Q群
  • 会员专属群点击这里加入QQ群
客服邮箱
回到顶部