电脑桌面
添加小米粒文库到电脑桌面
安装后可以在桌面快捷访问

铸造材料技术规范标准[详]

铸造材料技术规范标准[详]_第1页
1/9
铸造材料技术规范标准[详]_第2页
2/9
铸造材料技术规范标准[详]_第3页
3/9
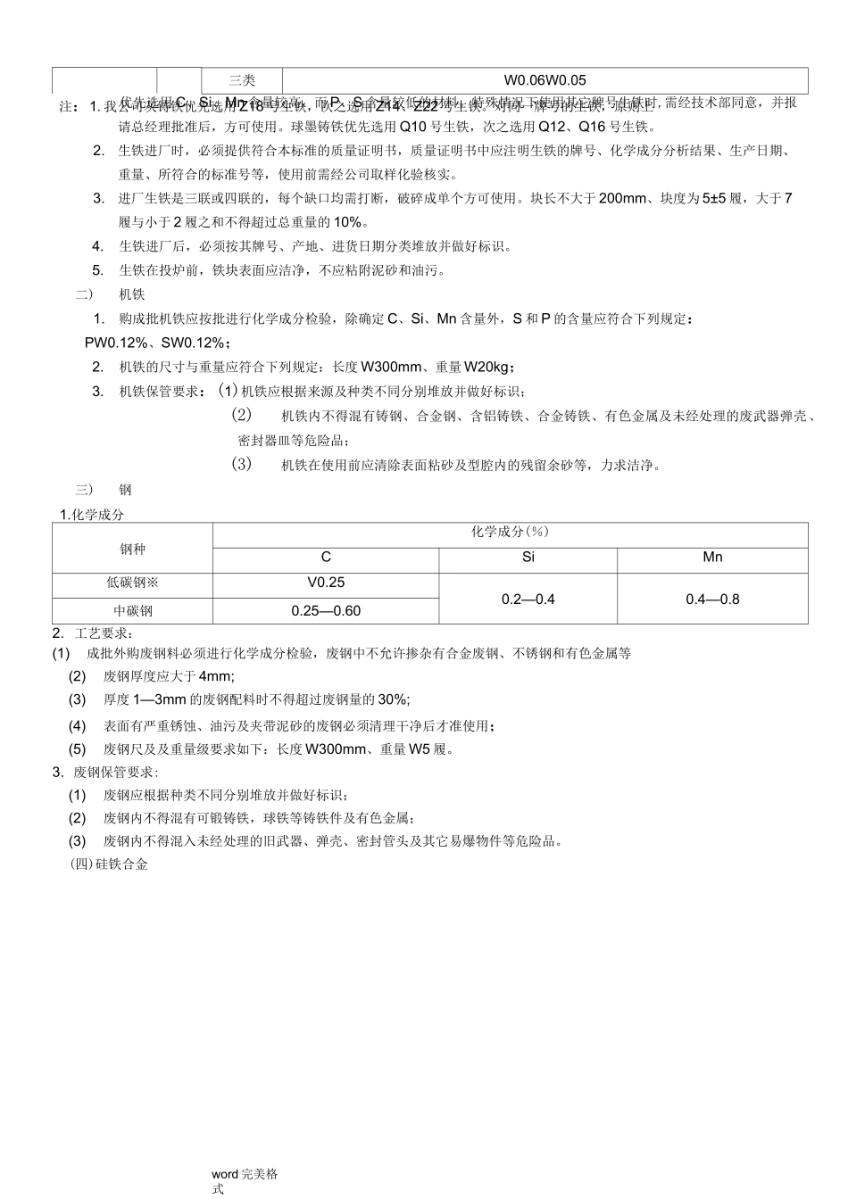
word 完美格式1、铸造用生铁(GB718—84)2、球墨铸铁用生铁(GB1412—85)3、硅铁(GB2272—87)4、锰铁(GB3795—87)5、炉锰铁(GB4007—83)6、鉻铁(GB5683—8707、铜分类(GB466—82)8、稀土硅铁镁合金(GB/T4138—93)9、一般用途的高铝砖(GB2988—87)10、冶金用石灰石(ZBD53002—90)11、铸造焦炭(GB8729—88)12、高铝矶土熟料(YB2212—82)word 完美格式为了向顾客提供满意的产品的服务,有效控制原材料的质量,确保生产过程稳定,为原材料的验收和使用提供依据,特制定此标准。二、适用范围本标准适用于我公司铸造用主要原材料及辅助材料,包括冲天炉、电炉用主要金属炉料(生铁机铁、废钢、硅铁、锰铁等)、修炉材料(耐火砖、耐火泥、石英砂等)及造型制芯用材料(原砂煤粉等)的采购、验收。三、引用技术标准四、各类材料的技术条件I.冲天炉用主要金属炉料标准(一)生铁1.灰铸铁用生铁牌号及化学成份参照 GB718—84 规定如下表:铁种铸造用生铁铁号牌号铸 22 探铸怡※铸 14代号Z22Z18Z14化学成分%C>3.3Si>2.00—2.40>1.60—2.00>1.25—1.60Mn1 组W0.502 组>0.50—0.90 探3 组>0.90—1.30P1 组W0.06 探2 组>0.06—0.103 组>0.10—0.204 组>0.20—0.405 组>0.40—0.90S1 组W0.03W0.042 组W0.04W0.053 组W0.05W0.062.球墨铸铁用生铁牌号及化学成分应符合 GB1412—85 的规定:铁种球墨铸铁用生铁牌号Q10 探Q12 探Q16化学成分%C$3.40SiW1.00>1.00—1.40>1.40—1.801 组W0.20化Mn2 组$0.20—0.50 探学3 组$0.50—0.80成分%P特级W0.05一级$0.05—0.06 探二级$0.06—0.08三级$0.08—0.10S特类W0.02 探一类$0.02—0.03 探二类$0.03—0.04word 完美格式三类W0.06W0.05注:1.我公司灰铸铁优先选用 Z18 号生铁,次之选用 Z14、Z22 号生铁。对同一牌号的生铁,原则上优先选用 C、Si、Mn 含量较高,而 P、S 含量较低的材料。特殊情况下使用其它牌号生铁时,需经技术部同意,并报请总经理批准后,方可使用。球墨铸铁优先选用 Q10 号生铁,次之选用 Q12、Q16 号生铁。2.生铁进厂时,必须提供符合本标准的质量证明书,质量证明书中应注明生铁的牌号、化学成分分析结果、生产日期、重量、所符合的标准号等,使用前需经公司取样化验核实。3.进厂生铁是三联或四联的,每个缺口均需打断,破碎成单个方可使用。块长不大于 200mm、块度为 5±5 履,大于 7履与小于 2 履之和不得超过总重量的 10%。4.生铁进厂后,必须按其牌号、产地...

1、当您付费下载文档后,您只拥有了使用权限,并不意味着购买了版权,文档只能用于自身使用,不得用于其他商业用途(如 [转卖]进行直接盈利或[编辑后售卖]进行间接盈利)。
2、本站所有内容均由合作方或网友上传,本站不对文档的完整性、权威性及其观点立场正确性做任何保证或承诺!文档内容仅供研究参考,付费前请自行鉴别。
3、如文档内容存在违规,或者侵犯商业秘密、侵犯著作权等,请点击“违规举报”。

碎片内容

铸造材料技术规范标准[详]

您可能关注的文档

确认删除?
VIP
微信客服
  • 扫码咨询
会员Q群
  • 会员专属群点击这里加入QQ群
客服邮箱
回到顶部