电脑桌面
添加小米粒文库到电脑桌面
安装后可以在桌面快捷访问

公路工程试验检测仪器设备校准指南

公路工程试验检测仪器设备校准指南_第1页
1/14
公路工程试验检测仪器设备校准指南_第2页
2/14
公路工程试验检测仪器设备校准指南_第3页
3/14
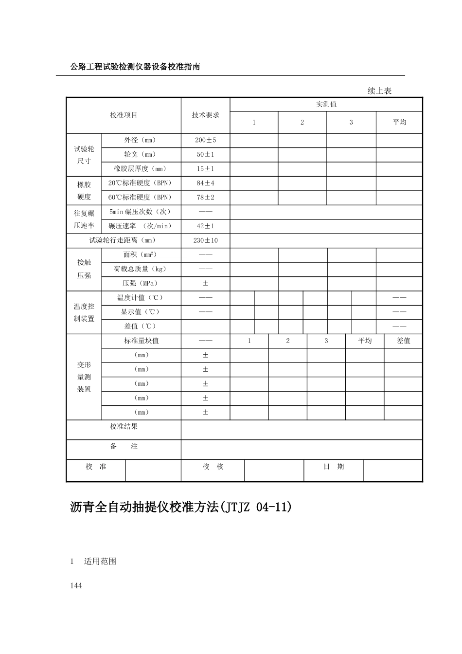
公路工程试验检测仪器设备校准指南续上表校准项目技术要求实测值123平均试验轮尺寸外径(mm)200±5轮宽(mm)50±1橡胶层厚度(mm)15±1橡胶硬度20℃标准硬度(BPN)84±460℃标准硬度(BPN)78±2往复碾压速率 5min 碾压次数(次)——碾压速率 (次/min)42±1试验轮行走距离(mm)230±10接触压强面积(mm2)——荷载总质量(kg)——压强(MPa)±温度控制装置温度计值(℃)————显示值(℃)————差值(℃)——变形量测装置标准量块值——123平均差值(mm)±(mm)±(mm)±(mm)±(mm)±校准结果备 注校 准校 核日 期沥青全自动抽提仪校准方法(JTJZ 04-11)1适用范围144第二部分校准/检查方法/4 沥青及沥青混合料类仪器设备校准方法 本方法适用于沥青全自动抽提仪的校准。 2 技术要求 仪器应带有铭牌(包括仪器名称、型号规格、出厂编号、出厂日期、制造厂等)、合格证、灌吏用说明书。 仪器外表不应有明显的损伤、缺陷和锈蚀,仪器应安装水平,溶剂供给、回收系统、冷却水循环系统应连接密封、完好。 筛分、过滤系统:筛网应完好不得有孔洞、裂口等并通过校准各筛能够密封套合,喷淋盖能够密闭,喷淋孔应畅通,电磁振动系统应有效运行。 回收系统:由溶剂室、溶剂回收室、冷凝箱等组成,溶剂室设有冷却管、直读液位计、溶剂排放阀。 抽提精度:油石比差值≤2,矿粉筛余百分率差值≤。 3 校准项目 外观检查。 抽提精度。 4 校准环境及校准器具 校准环境:校准工作应在室内进行,环境温度为(25 士 10)℃相对湿度不大于85%,校准现场应干净,周围无影响校准结果的振动、污染、腐蚀性气体。 校准器具:电子天平量程不小于 2000g,感量为。 5 校准方法 外观检查:根据本方法一条要求进行目测检查。 抽提精度:采纳经校准的没备自制已知配比的沥青混合料,进行抽提试验,重复进行 3 次,取平均值;计算油石比及矿料筛余百分率。 6 校准周期 校准周期一般下赶过 12 个月。 7 结果处理填写校准记录表(表 B04-11),提交审核确认。 全自动抽提仪校准记录表(表 B04-11)设备名称设备编号规格型号出厂编号生产厂家校准日期校准器具名称及编号校准环境外观检查 145 公路工程试验检测仪器设备校准指南续上表 检验项目技术要求标准值实测值123平均差值油石比(%)差值≤各级筛孔(mm)筛余百分率(%)…——————————————————————差值≤校准结果备 注校 准校 核日 期 马歇尔试...

1、当您付费下载文档后,您只拥有了使用权限,并不意味着购买了版权,文档只能用于自身使用,不得用于其他商业用途(如 [转卖]进行直接盈利或[编辑后售卖]进行间接盈利)。
2、本站所有内容均由合作方或网友上传,本站不对文档的完整性、权威性及其观点立场正确性做任何保证或承诺!文档内容仅供研究参考,付费前请自行鉴别。
3、如文档内容存在违规,或者侵犯商业秘密、侵犯著作权等,请点击“违规举报”。

碎片内容

公路工程试验检测仪器设备校准指南

您可能关注的文档

确认删除?
VIP
微信客服
  • 扫码咨询
会员Q群
  • 会员专属群点击这里加入QQ群
客服邮箱
回到顶部