电脑桌面
添加小米粒文库到电脑桌面
安装后可以在桌面快捷访问

冷库项目分析报告

冷库项目分析报告_第1页
1/6
冷库项目分析报告_第2页
2/6
冷库项目分析报告_第3页
3/6
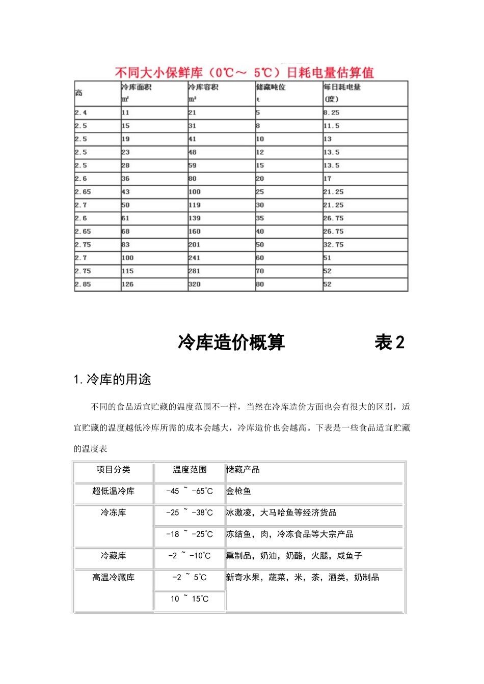
冷库项目分析报告项目地址:大连瓦房店行业前景:属于农业,属于可持续进展行业,有国家政策扶持。项目介绍:土地属于农村集体所有,非政府规划用地,但所处位置属于大连市政府打造亚洲第一大港项目规划土地范围之内。土地面积 6000平米,其中有证土地 4000 平米,无证(走关系圈的地)土地 2000平米,已建好冷库地基 1300 平米,有四间房的空房照。土地拥有者现对外转让该片土地,土地转让费 50 万元,动力电引进费用 30 万元。拟建设冷库面积 1500 平方米(高度米合计 4800 立方米),其中建设果蔬冷藏库 5 间合计 1000 平方米,3200 立方米;建设冷冻库(鱼、肉和冷冻食品)5 间合计 500 平方米,1600 立方米。整个冷库建设费用大约 1500 元/平方米,该费用包括库体建设费用、保温隔 热 材 料 、 制 冷 设 备 、 配 电 及 照 明 。 合 计 建 设 费 用1500*1500=2250000 元。再加上购置土地和三相电费用,总计人民币 305 万元。(根据实际情况可适当增加或减少冷库面积)冷库建设周期为 6 个月。附件:冷库电量消耗计算见表①冷库造价测算见表②另附冷库建造费用分析案例资金回收:一、冷库建设完成后即可向政府申请补贴资金,当地补贴标准为万元/120 平方米,从申请到下款时间为 60 天之内。该补贴可回笼资金 126 万元。(12*万=126 万元)二、长期持有则可以:1、对外出租,目前租金水平大约 2 元/平方米/天,根据 60%的出租使用率,资金每年可回收万(未扣除电费、人工等);2、向银行抵押贷款,目前在当地银行对冷库的贷款标准为4000 元/平方米,可贷资金 600 万元,每年向银行缴纳利息大约 36万元。3、政府规划建设亚洲第一大港项目征地补偿款(时间不定 3-7年,标准未定)。三、建成之后对外出让,最少回笼资金 855 万元。(根据银行放贷标准不超过资产评估值的 70%计算得来) 冷库耗电估算 表 1冷库耗电量与多个因素有关,如冷冻冷藏的是什么物品,一天冷库开关门的次数,冷库制冷设备的制冷效率等。以下数据仅供参考。 冷库造价概算 表 21.冷库的用途不同的食品适宜贮藏的温度范围不一样,当然在冷库造价方面也会有很大的区别,适宜贮藏的温度越低冷库所需的成本会越大,冷库造价也会越高。下表是一些食品适宜贮藏的温度表项目分类温度范围储藏产品超低温冷库-45 ~ -65℃金枪鱼冷冻库-25 ~ -38℃冰激凌,大马哈鱼等经济货品-18 ~ -25℃冻结鱼,肉,冷...

1、当您付费下载文档后,您只拥有了使用权限,并不意味着购买了版权,文档只能用于自身使用,不得用于其他商业用途(如 [转卖]进行直接盈利或[编辑后售卖]进行间接盈利)。
2、本站所有内容均由合作方或网友上传,本站不对文档的完整性、权威性及其观点立场正确性做任何保证或承诺!文档内容仅供研究参考,付费前请自行鉴别。
3、如文档内容存在违规,或者侵犯商业秘密、侵犯著作权等,请点击“违规举报”。

碎片内容

冷库项目分析报告

您可能关注的文档

确认删除?
VIP
微信客服
  • 扫码咨询
会员Q群
  • 会员专属群点击这里加入QQ群
客服邮箱
回到顶部