电脑桌面
添加小米粒文库到电脑桌面
安装后可以在桌面快捷访问

大类岩石与金属矿

大类岩石与金属矿_第1页
1/6
大类岩石与金属矿_第2页
2/6
大类岩石与金属矿_第3页
3/6
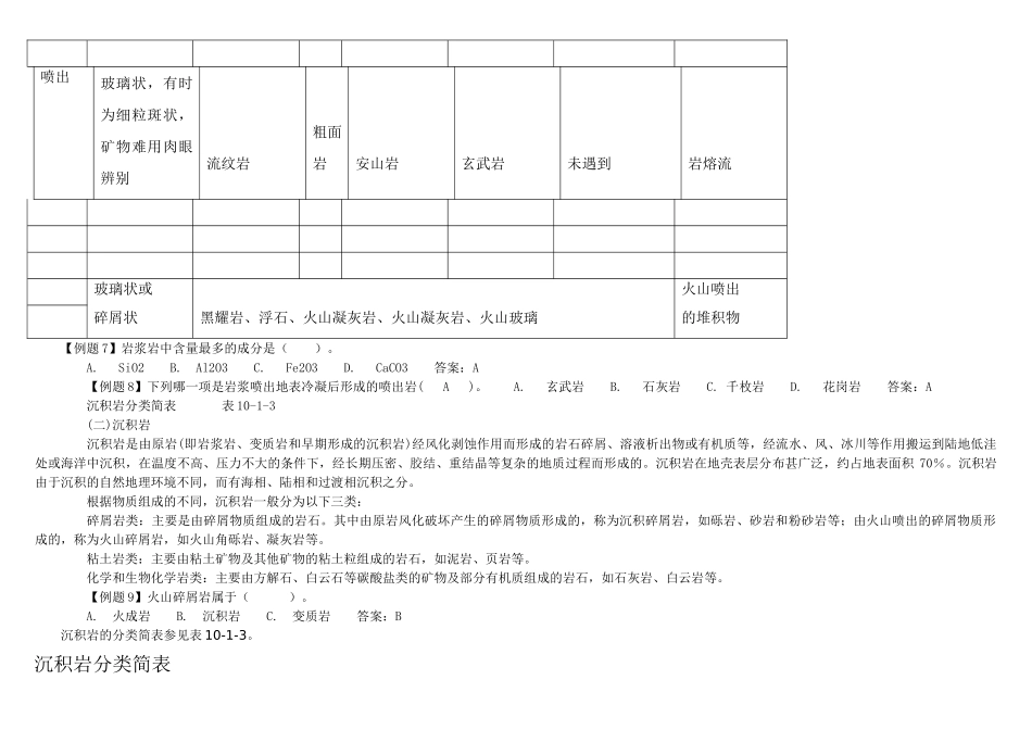
三大类岩石与金属矿根据形成原因,岩石可以分为岩浆岩(又叫火成岩)、沉积岩和变质岩。 岩浆岩是由地下酷热岩浆上升,侵入到地壳中或喷出地面后,因温度降低,逐渐冷却而形成的,如花岗岩、玄武岩等。在岩浆活动中,岩浆中的有用物质富集起来而形成矿床,称内生矿床。世界上许多金属矿就是这样形成的。 在风吹、雨打、日晒及生物作用下,地表岩石被破裂成砾石、砂子和泥土,经过风或水搬运后沉积固结而形成的岩石,叫沉积岩。它通常有层次 ,还能找到化石。在外力作用下形成的矿床,叫外生矿床。如河床内的金矿、内陆湖泊的石膏矿以及煤矿、石油等。 变质岩是由于地壳变动和岩浆活动,在一定的温度、压力等条件下,使原来岩石的成分和结构发生改变而形成的一种新的岩石。在岩石变质过程中形成的矿床,叫变质矿床。 二、岩浆岩、沉积岩、变质岩的成因及其分类 岩石按成因可分为三大类:岩浆岩(火成岩)、沉积岩和变质岩。 (一)岩浆岩 岩浆岩又称火成岩,是由地壳下面的岩浆沿地壳薄弱地带上升侵入地壳或喷出地表后冷凝而成的。岩浆是存在于地壳下面高温、高压的熔融状态的硅酸盐物质 (它的主要成分是 SiO2,还有其他元素、化合物和挥发成分)。岩浆内部的压力很大,不断向压力低的地方移动,以至冲破地壳深部的岩层,沿着裂缝上升,喷出地表;或者当岩浆内部压力小于上部岩层压力时迫使岩浆停留下,冷凝成岩。 依冷凝成岩时的地质环境的不同,将岩浆岩分为三类: 喷出岩(火山岩):岩浆喷出地表后冷凝形成的岩浆岩称为喷出岩。在地表的条件下,温度下降迅速,矿物来不及结晶或者结晶差,肉眼不易看清楚。如流纹岩、安山岩、玄武岩等。 浅成岩:岩浆沿地壳裂缝上升至距地表较浅处冷凝形成的岩浆岩。由于岩浆压力小,温度下降较快,矿物结晶较细小。如花岗斑岩、正长斑岩、辉绿岩等。 深成岩:岩浆侵入地壳深处(约距地表 3 公里)冷凝形成的岩浆岩。由于岩浆压力大,温度下降缓慢,矿物结晶良好。如花岗岩、正长岩、辉长岩等。 深成岩和浅成岩又统称侵入岩。 岩浆的化学成分相当复杂,其中影响最大的是 SiO2。根据 SiO2 的含量,岩浆岩可以分为以下四类: 酸性岩类(SiO2 含量>65%),如花岗岩、花岗斑岩、流纹岩等。 中性岩类(SiO2 含量 65%~52%),如正长岩、正长斑岩、粗面岩、闪长岩、安山岩等。 基性岩类(SiO2 含量 52%~45%),如辉长岩、辉绿岩、玄武岩等。 超基性岩类(SiO2 含量<45%),如橄榄岩、辉岩等。 岩石...

1、当您付费下载文档后,您只拥有了使用权限,并不意味着购买了版权,文档只能用于自身使用,不得用于其他商业用途(如 [转卖]进行直接盈利或[编辑后售卖]进行间接盈利)。
2、本站所有内容均由合作方或网友上传,本站不对文档的完整性、权威性及其观点立场正确性做任何保证或承诺!文档内容仅供研究参考,付费前请自行鉴别。
3、如文档内容存在违规,或者侵犯商业秘密、侵犯著作权等,请点击“违规举报”。

碎片内容

大类岩石与金属矿

您可能关注的文档

办公文档专营+ 关注
实名认证
内容提供者

大量办公文档,欢迎选择

相关文档

确认删除?
VIP
微信客服
  • 扫码咨询
会员Q群
  • 会员专属群点击这里加入QQ群
客服邮箱
回到顶部