电脑桌面
添加小米粒文库到电脑桌面
安装后可以在桌面快捷访问

天燃气埋地PE管道定期检验方案

天燃气埋地PE管道定期检验方案_第1页
1/8
天燃气埋地PE管道定期检验方案_第2页
2/8
天燃气埋地PE管道定期检验方案_第3页
3/8
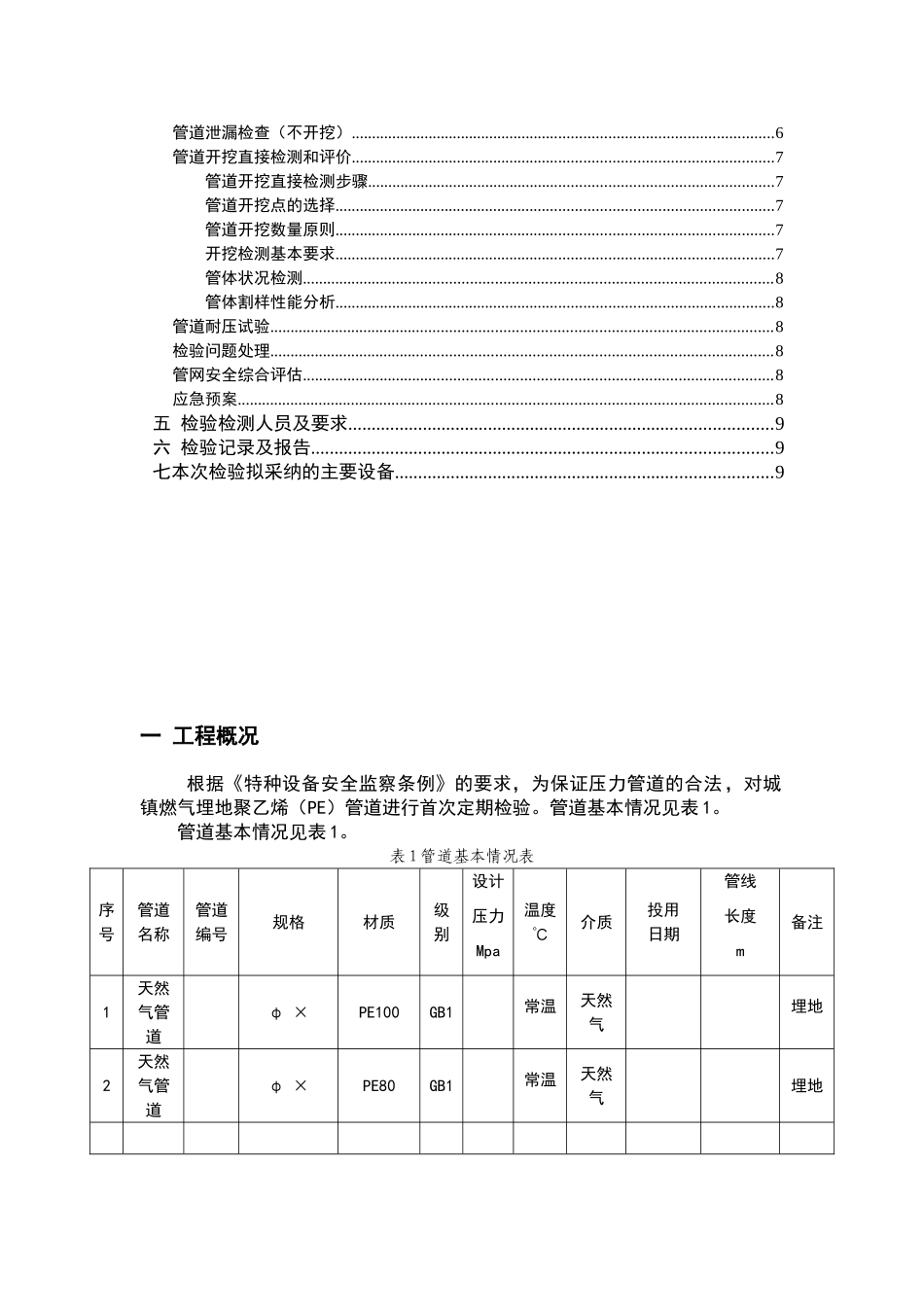
城镇燃气埋地管道聚乙烯(PE)管道定期检验方案甘肃拓维地理信息工程有限公司2024 年 5 月目录一 工程概况...............................................................................................................2二 检验依据...............................................................................................................3三 检验程序...............................................................................................................4四 检验内容与要求...................................................................................................4检验前准备工作......................................................................................................................5使用单位方面:..............................................................................................................5资料审查:......................................................................................................................5潜在危险分析及风险预评估...................................................................................................5管道位置探测及深度测量.......................................................................................................6管道泄漏检查(不开挖).......................................................................................................6管道开挖直接检测和评价.......................................................................................................7管道开挖直接检测步骤...................................................................................................7管道开挖点的选择...........................................................................................................7管道开挖数量原则...........................................................................................................7开挖检测基本要求...........................................................................................................7管体状况检测..........................

1、当您付费下载文档后,您只拥有了使用权限,并不意味着购买了版权,文档只能用于自身使用,不得用于其他商业用途(如 [转卖]进行直接盈利或[编辑后售卖]进行间接盈利)。
2、本站所有内容均由合作方或网友上传,本站不对文档的完整性、权威性及其观点立场正确性做任何保证或承诺!文档内容仅供研究参考,付费前请自行鉴别。
3、如文档内容存在违规,或者侵犯商业秘密、侵犯著作权等,请点击“违规举报”。

碎片内容

天燃气埋地PE管道定期检验方案

您可能关注的文档

确认删除?
VIP
微信客服
  • 扫码咨询
会员Q群
  • 会员专属群点击这里加入QQ群
客服邮箱
回到顶部