电脑桌面
添加小米粒文库到电脑桌面
安装后可以在桌面快捷访问

工程有关人员质量责任书

工程有关人员质量责任书_第1页
1/5
工程有关人员质量责任书_第2页
2/5
工程有关人员质量责任书_第3页
3/5
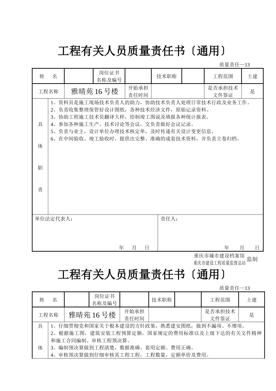
监制工程有关人员质量责任书〔通用〕质量责任—13姓 名岗位证书名称及编号技术职称工程范围土建工程名称雅晴苑 16 号楼开始承担责任时间是否承担技术文件签证是具体职责1、资料员是施工现场技术负责人的助力,协助技术负责人处理日常技术行政及业务工作。2、负责收集整理保管好设计图纸,各种技术经济文件,原始记录资料。3、协助工程施工技术员翻译大样,绘制竣工图说及填报各种统计报表。4、参加各种施工生产、技术讨论等会议,交负责做好会议记录。5、负责与业主,设计单位办理技术核定单,及时传递有关设计变更信息。6、在中间验收、竣工验收时,提供出完整、准确的成套技术资料,并负责立卷归档。单位法定代表人:年 月 日责任人:年 月 日重庆市城市建设档案馆重庆市建设工程质量监督总站工程有关人员质量责任书〔通用〕质量责任—13姓 名岗位证书名称及编号技术职称工程范围土建工程名称雅晴苑 16 号楼开始承担责任时间是否承担技术文件签证是具体1、仔细贯彻党和国家关于根本建设的方针政策,熟悉建安图纸,做到不漏项、不增项。2、根据施工图,建筑安装工程预算定额,国家规定的费用标准以及上级下达的有关文件精神和施工合同编制、审核工程预决算。3、编制预决算做到工程清楚,数据准确、套用定额、费用正确。4、审核预决算做到仔细审核其工程工程,工程数量,定额单价及费用。监制职责5、深化现场了解情况,参加工程各分项的收验方工作及工程竣工验收工作。6、仔细执行工程预决算签证手续,对不符和者有权不予办理。7、妥善保管预决算资料,严格遵守保密制度。单位法定代表人:年 月 日责任人:年 月 日重庆市城市建设档案馆重庆市建设工程质量监督总站工程有关人员质量责任书〔通用〕质量责任—13姓 名岗位证书名称及编号技术职称工程范围土建工程名称雅晴苑 16 号楼开始承担责任时间是否承担技术文件签证是具体职责1、工程现场的质安员是现场行使质量平安的监察员,代表工程部对工程工程施工现场的质量平安进行检查和监督,正确贯彻执行标准、规程及设计要求上级有关规定。2、现场质安员,应仔细贯彻主管部门所规定的方针目标,并结合工程实际情况,制定出工程工程的质安管理方案和质安保证措施。3、组织建立群众性的 QC 小组,开展群众性的质安保证活动,使质安保证体系建立在牢固的群众根底上。4、监督施工现场的各项管理工作的工作程序,工作标准及生产工艺操作,以到达工作质量保证工作质量和生产平安。5、随...

1、当您付费下载文档后,您只拥有了使用权限,并不意味着购买了版权,文档只能用于自身使用,不得用于其他商业用途(如 [转卖]进行直接盈利或[编辑后售卖]进行间接盈利)。
2、本站所有内容均由合作方或网友上传,本站不对文档的完整性、权威性及其观点立场正确性做任何保证或承诺!文档内容仅供研究参考,付费前请自行鉴别。
3、如文档内容存在违规,或者侵犯商业秘密、侵犯著作权等,请点击“违规举报”。

碎片内容

工程有关人员质量责任书

领读文化+ 关注
实名认证
内容提供者

传播文化,铸就未来

确认删除?
VIP
微信客服
  • 扫码咨询
会员Q群
  • 会员专属群点击这里加入QQ群
客服邮箱
回到顶部