电脑桌面
添加小米粒文库到电脑桌面
安装后可以在桌面快捷访问

工程测量课程设计讲解

工程测量课程设计讲解_第1页
1/8
工程测量课程设计讲解_第2页
2/8
工程测量课程设计讲解_第3页
3/8
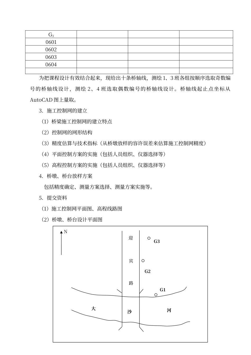
《工程测量学》课程设计讲稿一、课程设计的目的工程测量学课程设计是该课程理论部分学习后的一个必要的带有学术性的实践环节,是对课程理论综合与补充。通过课程设计,培育同学们运用本课程基本理论知识,分析解决现场工程技术问题的能力,加深对课程理论的理解和应用,提高工程测量现场服务的技能。对同学们的创新能力的提高、加深课程理论的理解和应用均具有十分重要的意义。二、课程设计的要求在课程设计前,每位同学应仔细复习教材有关内容,根据指导老师要求,在掌握基本理论的基础上并在指导老师的指导下,每位同学应独立保质、保量、按时完成本课程设计的全部内容。三、课程设计的依据依据《工程测量法律规范》、《建筑物变形测量法律规范》、《全球定位系统(GPS)测量法律规范-2024》。四、课程设计的任务(一)桥梁施工控制网的建立及桥梁墩台放样方案设计1.工程概况该桥梁工程位于焦作市南约 9km 处的大沙河上,大桥全长 500 米,主跨 120 米(实际300 米)、深 10 余米,工程现已经完工。桥梁跨越结构为 4 孔(实际为 10 孔)简支梁,支座间距米。本工程具体位置如下页图 1-1 所示。2.已有测绘成果在工程范围内(沙河桥北、世纪路与迎宾路交叉口、河南理工大学)有三个 GPS 控制点,标志保存完好,可以作为控制基准。三个 GPS 控制点及有关导线点的坐标如下:点号X(m)Y(m)H(m)G1G2G30601060206030604为把课程设计有效结合起来,现给出十条桥轴线,测绘 1、3 班各组按顺序选取奇数编号的桥轴线设计,测绘 2、4 班选取偶数编号的桥轴线设计。桥轴线起止点坐标从AutoCAD 图上量取。3.施工控制网的建立(1)桥梁施工控制网的建立特点(2)控制网的网形结构(3)精度估算与技术指标(从桥墩放样的容许误差来估算施工控制网精度)(4)平面控制方案的实施(包括人员组织、仪器选择等)(5)高程控制方案的实施(包括人员组织、仪器选择等)4.桥墩、桥台放样方案包括精度确定、测量方案选择、测量方案实施等。5.提交资料(1)施工控制网平面图、高程线路图(2)桥墩、桥台设计平面图N大沙河G1G2G3迎宾路图 1-1 桥梁施工控制网建立及桥梁墩台放样原址示意图(二) 焦作市广播电视塔变形监测方案设计1.概 述焦作市广播电视塔(以下简称电视塔)位于焦作市高新区龙源湖公园中心,北距丰收路 400 多米,西距焦作市南大门——迎宾路 300 多米。电视塔总高度为,是焦作市最高的建筑物。建设的目的主要用于改...

1、当您付费下载文档后,您只拥有了使用权限,并不意味着购买了版权,文档只能用于自身使用,不得用于其他商业用途(如 [转卖]进行直接盈利或[编辑后售卖]进行间接盈利)。
2、本站所有内容均由合作方或网友上传,本站不对文档的完整性、权威性及其观点立场正确性做任何保证或承诺!文档内容仅供研究参考,付费前请自行鉴别。
3、如文档内容存在违规,或者侵犯商业秘密、侵犯著作权等,请点击“违规举报”。

碎片内容

工程测量课程设计讲解

您可能关注的文档

确认删除?
VIP
微信客服
  • 扫码咨询
会员Q群
  • 会员专属群点击这里加入QQ群
客服邮箱
回到顶部