电脑桌面
添加小米粒文库到电脑桌面
安装后可以在桌面快捷访问

常坑大桥爆破施工方案

常坑大桥爆破施工方案_第1页
1/10
常坑大桥爆破施工方案_第2页
2/10
常坑大桥爆破施工方案_第3页
3/10
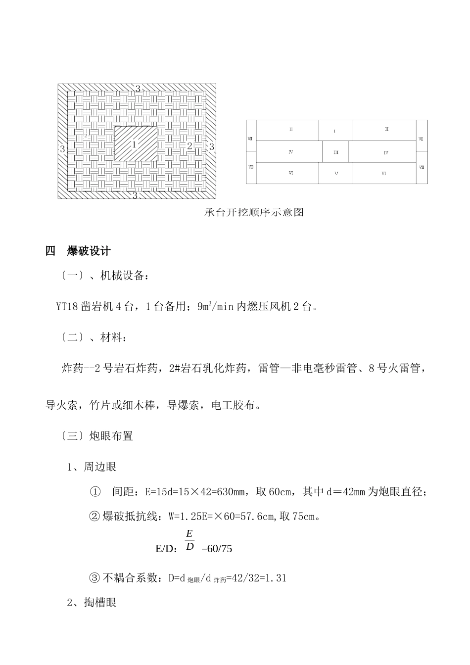
常坑大桥承台基坑开挖爆破方案一、工程概况常 坑 大 桥 中 心 里 程 YK233+715.75 , 桥 型 方 案 布 置 为 〔 10×30 〕 米 +〔 60+100+60 〕 米 + 〔 4×30 〕 米 , 共 长 m , 其 中 跨 越 建 溪 水 道 主 桥 采 纳〔60+100+60〕米变截面连续刚构箱梁,设置三个通航孔;桥梁上部结构采纳连续刚构箱梁、连续 T 梁,下部构造采纳钻孔灌注桩根底,桩柱式桥墩、双肢薄壁墩。二、地质情况常坑大桥桥址区位于河流谷地,横跨建溪,地形起伏较大,场地上部覆盖冲积层和人工堆积层及残坡积层,下伏燕山晚期花岗岩和震旦系龙北溪组石英片岩。 三、施工方法12#墩承台围岩为微风化花岗岩 ,故承台基坑开挖施工采纳浅眼控制爆破法施工,周边眼采纳预留光面爆层光面爆。施工时先去除突出岩石根本找平岩面,然后开挖承基坑台中间局部〔掏槽〕岩石为后爆岩层制造临空面,分台阶逐层爆破出除周边眼光面爆破预留层局部的岩层,最后爆除台周边预留光爆层,开挖出整个承台〔见承台开挖顺序示意图〕。四 爆破设计〔一〕、机械设备: YT18 凿岩机 4 台,1 台备用;9m3/min 内燃压风机 2 台。 〔二〕、材料: 炸药--2 号岩石炸药,2#岩石乳化炸药,雷管—非电毫秒雷管、8 号火雷管,导火索,竹片或细木棒,导爆索,电工胶布。〔三〕炮眼布置1、周边眼① 间距:E=15d=15×42=630mm,取 60cm,其中 d=42mm 为炮眼直径;② 爆破抵抗线:W=1.25E=×60=57.6cm,取 75cm。E/D:ED =60/75③ 不耦合系数:D=d 炮眼/d 炸药=42/32=1.312、掏槽眼为了有效控制爆破飞石,保证滨江道上行人和车辆的平安,崩落眼采纳浅眼控制爆破。① 眼深 L② 最小抵抗线 W=〔0.5~0.9〕H=0.75×1.1=0.823〔m〕③ 孔径 d=42(mm)④×0.75=0.90〔m〕⑤×0.75=0.75〔m〕3、辅助眼②②×1.0=0.75〔m〕③ 孔径 d=42(mm)④×0.75=0.90〔m〕⑤×0.75=0.75〔m〕〔四〕装药量确定1.周边眼单孔装药量Q=×1.5=0.525kgq----线装药密度取 0.35kg/m,l----炮眼深度 2、掏槽眼Q=W3e=0.45××0.753×1=0.38(kg) q---- 炸药单耗 f=10~18 时取 q=1.8~2.6 这里取/m3W ---- 最小抵抗线 m 取e --- 炸药换算系数 2#岩石炸药 e=13、辅助眼单孔装药量×××××1=0.445(kg) q---- 炸药单耗 f=10~18 时取 q=1.8~2.6 这里取/m3e --- 炸药换算系数 2#岩石炸药 e=14、炮眼布置图见附图。6、装药结构 ...

1、当您付费下载文档后,您只拥有了使用权限,并不意味着购买了版权,文档只能用于自身使用,不得用于其他商业用途(如 [转卖]进行直接盈利或[编辑后售卖]进行间接盈利)。
2、本站所有内容均由合作方或网友上传,本站不对文档的完整性、权威性及其观点立场正确性做任何保证或承诺!文档内容仅供研究参考,付费前请自行鉴别。
3、如文档内容存在违规,或者侵犯商业秘密、侵犯著作权等,请点击“违规举报”。

碎片内容

常坑大桥爆破施工方案

您可能关注的文档

一二三四传媒+ 关注
实名认证
内容提供者

大量资料供您选择,没有合适的可以联系小二。

确认删除?
VIP
微信客服
  • 扫码咨询
会员Q群
  • 会员专属群点击这里加入QQ群
客服邮箱
回到顶部