电脑桌面
添加小米粒文库到电脑桌面
安装后可以在桌面快捷访问

铝合金门窗安全技术交底

铝合金门窗安全技术交底_第1页
1/6
铝合金门窗安全技术交底_第2页
2/6
铝合金门窗安全技术交底_第3页
3/6
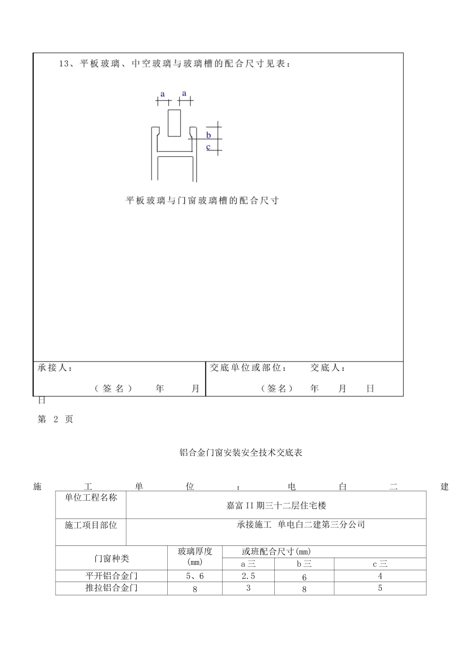
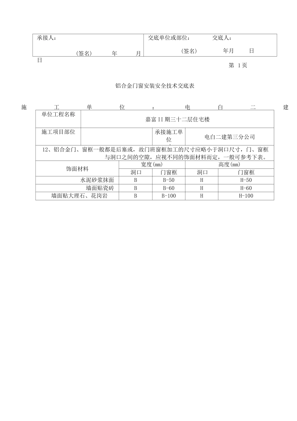
铝合金门窗安装安全技术交底表施工单位:电白二建单位工程名称嘉富 II 期三十二层住宅楼施工项目部位承接施工单位电白二建第三分公司或班一、技术要求:1、本工程平开门、平开窗采用 38 系列铝合金,主要铝型材不少 1.6mm 厚。2、推拉窗采用 90 系列铝合金,15 层以下(包括 15 层)采用 1.2mm 厚铝型材,16 层以上采用 1.6mm 厚铝型材。3、C7 卫生间窗采用磨砂玻璃。4、所有铝门窗及幕墙铝型材颜色采用“RAL6000Patinagreen”绿色(见样板)5、铝合金门窗的抗风压性能、抗空气渗透性能、抗雨水渗漏性能应符合国家现行标准的规定,满足使用要求。6、铝合金门、窗所选用的材料,附件质量要符合国家标准的规定,铝合金表面处理应符合下列要求:阳极氧化膜厚度:210m阳极氧化复合表膜厚度:27m7、选用材料除不锈钢外,应注意防腐处理,不允许与铝合金型材发生接触腐蚀。8、玻璃厚度应根据图纸要求安装。密封条可选用橡胶条或橡型条;密封材料可选用硅酮胶、聚硫胶、聚氨酯胶、丙烯酸酯胶等。9、门窗构件应连接牢固,需用耐腐蚀的填充材料使连接部位密封、防水。在推拉窗下框上,应开有 650 的长方形排水孔,及时排出雨水。10、铝合金制作完成后,应用无腐蚀性的软质材料包紧扎牢,放置在通风干燥的地方,严禁与酸、碱、盐等有腐蚀性的物品接触。露天存放时,下部应垫高 100mm 以上,上面应覆盖篷布保护。11、墙体以连接件,连接件与门窗框的连接方式,可按下列情况确定;连接焊接连接:适用于钢结构;预埋件连接:适用于钢筋混凝土结构;燕尾铁脚连接:适用于砖墙结构;金属膨胀螺栓连接;适用于钢筋混凝土结构,砖墙结构;射针连接:适用于钢筋混凝土结构;承接人:(签名)年月交底单位或部位:(签名)交底人:年月日日第 1 页铝合金门窗安装安全技术交底表施工单位:电白二建单位工程名称嘉富 II 期三十二层住宅楼施工项目部位承接施工单位r、十电白二建第三分公司12、铝合金门、窗框一般都是后塞或,故门班窗框加工的尺寸应略小于洞口尺寸,门、窗框与洞口之间的空隙,应视不同的饰面材料而定,一般可参考下表。饰面材料宽度(mm)高度(mm)洞口门窗框洞口门窗框水泥砂浆抹面BB-50HH-50墙面贴瓷砖BB-60HH-60墙面贴大理石、花岗岩BB-100HH-100铝合金门窗安装安全技术交底表施工单位:电白二建单位工程名称嘉富 II 期三十二层住宅楼施工项目部位承接施工 单电白二建第三分公司门窗种类玻璃厚度(mm)或班配合尺寸(mm)a 三b 三...

1、当您付费下载文档后,您只拥有了使用权限,并不意味着购买了版权,文档只能用于自身使用,不得用于其他商业用途(如 [转卖]进行直接盈利或[编辑后售卖]进行间接盈利)。
2、本站所有内容均由合作方或网友上传,本站不对文档的完整性、权威性及其观点立场正确性做任何保证或承诺!文档内容仅供研究参考,付费前请自行鉴别。
3、如文档内容存在违规,或者侵犯商业秘密、侵犯著作权等,请点击“违规举报”。

碎片内容

铝合金门窗安全技术交底

您可能关注的文档

确认删除?
VIP
微信客服
  • 扫码咨询
会员Q群
  • 会员专属群点击这里加入QQ群
客服邮箱
回到顶部