电脑桌面
添加小米粒文库到电脑桌面
安装后可以在桌面快捷访问

管桩与承台连接施工技术交底

管桩与承台连接施工技术交底_第1页
1/11
管桩与承台连接施工技术交底_第2页
2/11
管桩与承台连接施工技术交底_第3页
3/11
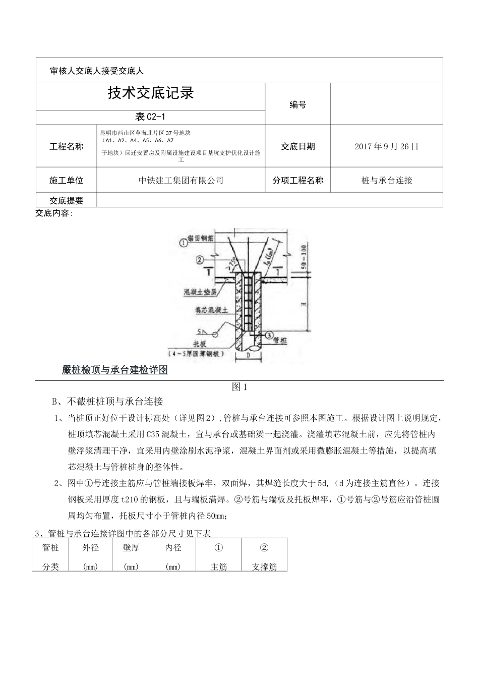
技术交底记录编号表 C2-1工程名称昆明市西山区草海北片区 37 号地块(A1、A2、A4、A5、A6、A7子地块)回迁安置房及附属设施建设项目基坑支护优化设计施工交底日期2017 年 9 月 26 日施工单位中铁建工集团有限公司分项工程名称桩与承台连接交底提要交底内容:一、施工准备1、作业区域桩与承台连接边坡修整必须到位,对设计桩顶标高进行测量。2、对管桩进行静载、动测试验,合格后;方可施工。3、桩芯土要进行清理,至管桩顶面 1.5m 以下。若桩芯内有积水则降至管桩顶面 1.5m 以下。二、施工工艺A、截桩桩顶与承台连接1、当桩顶高于设计标高需要截桩时(详见图 1),桩顶内应设置托板及放入钢筋骨架,根据设计图上说明规定,桩顶填芯混凝土采用 C35 混凝土。浇灌填芯混凝土前,应先将管桩内壁浮浆清理干净,以采用内壁涂刷水泥净浆,混凝土界面剂或采用微膨胀混凝土等措施、以提高填芯混凝土与管桩桩身混凝土的整体性。2、①号筋与②号筋沿管桩圆周均匀布置,①号筋应与②号筋和托板焊接,托板尺寸小于管桩内径 50mm。3、桩顶埋入承台内 L=50mm4、管桩与承台连接详图中的各部分尺寸见下表管桩分类外径(mm)壁厚(mm)内径(mm)①主筋②支撑筋③(箍筋)PHC5001252506 丄 183©8©8@2005、管桩桩顶填芯混凝土的高度 H,不小于 1.5m.如下图所示:审核人交底人接受交底人技术交底记录编号表 C2-1工程名称昆明市西山区草海北片区 37 号地块(A1、A2、A4、A5、A6、A7子地块)回迁安置房及附属设施建设项目基坑支护优化设计施工交底日期2017 年 9 月 26 日施工单位中铁建工集团有限公司分项工程名称桩与承台连接交底提要交底内容:嚴桩檢顶与承台建检详囹图 1B、不截桩桩顶与承台连接1、当桩顶正好位于设计标高处(详见图 2),管桩与承台连接可参照本图施工。根据设计图上说明规定,桩顶填芯混凝土采用 C35 混凝土,宜与承台或基础梁一起浇灌。浇灌填芯混凝土前,应先将管桩内壁浮浆清理干净,宜采用内壁涂刷水泥净浆,混凝土界面剂或采用微膨胀混凝土等措施,以提高填芯混凝土与管桩桩身的整体性。2、图中①号连接主筋应与管桩端接板焊牢,双面焊,其焊缝长度大于 5d,(d 为连接主筋直径)。连接钢板采用厚度 t210 的钢板,且与端板满焊。②号筋与端板及托板焊牢,①号筋与②号筋应沿管桩圆周均匀布置,托板尺寸小于管桩内径 50mm;3、管桩与承台连接详图中的各部分尺寸见下表管桩外径壁厚内径①②分类(mm)(mm)(mm)主...

1、当您付费下载文档后,您只拥有了使用权限,并不意味着购买了版权,文档只能用于自身使用,不得用于其他商业用途(如 [转卖]进行直接盈利或[编辑后售卖]进行间接盈利)。
2、本站所有内容均由合作方或网友上传,本站不对文档的完整性、权威性及其观点立场正确性做任何保证或承诺!文档内容仅供研究参考,付费前请自行鉴别。
3、如文档内容存在违规,或者侵犯商业秘密、侵犯著作权等,请点击“违规举报”。

碎片内容

管桩与承台连接施工技术交底

确认删除?
VIP
微信客服
  • 扫码咨询
会员Q群
  • 会员专属群点击这里加入QQ群
客服邮箱
回到顶部