电脑桌面
添加小米粒文库到电脑桌面
安装后可以在桌面快捷访问

旋流沉砂池设计计算

旋流沉砂池设计计算_第1页
1/6
旋流沉砂池设计计算_第2页
2/6
旋流沉砂池设计计算_第3页
3/6
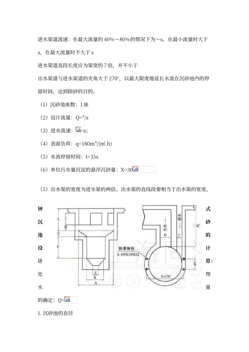
钟式旋流沉砂池设备结构及工作原理: 该套设备由叶轮、转动轴、电动机、减速器和吸砂系统等部分组成;另外在排沙管与砂泵之间安装一个闸阀,砂泵出口处用管道链接至砂水分离器上部进水口。 其工艺布置见图 1:由于叶轮旋转时将使池中污水做旋转运动,加上因污水切向进入产生与叶轮一致的旋流,池中的污水形成涡流形态,在适当的叶浆倾角和线速度的条件下,污水中的沙粒将受到冲刷并仍最佳的沉淀效果而原来附着在沙粒上的有机物质及重量不同的物质随污水一同流出,另外由于叶轮的旋转,减少了旋流沉砂池因进水量变化导致流态变化的敏感程度,因此保证了沉沙池效果的稳定,出沙的有机成分。4.设计参数和要点水力表面负荷约为 150~200 m³/(㎡.h)最大设计流量时的停留时间不小于 30s有效水深 1~2m,池径与池深比为~进水渠道流速:在最大流量的 40%~80%的情况下为~s,在最小流量时大于s,在最大流量时不大于 s进水渠道直段长度应为渠宽的 7 倍,并不小于出水渠道与进水渠道的夹角大于 270°,以最大限度地延长水流在沉砂池内的停留时间,达到除砂的目的。(1)沉砂池座数:1 座(2)设计流量:Q=³/s(3)进水流速:=s;(4)表面负荷:q=180m³/(㎡.h)(5)水流停留时间:t=35s(6)单位污水量沉淀的悬浮沉砂量:X=30(5)出水渠的宽度为进水渠的两倍。出水渠的直线段要相当于出水渠的宽度。钟式沉砂池的设计计算:处理水量的确定:Q=1. 沉砂池的直径 式中: Q—设计流量,; —表面负荷,; 则 ,设计中取 D=2. 沉砂池有效水深 式中: t—水力停留时间,设计中取 t=35 则 =(m)3.沉砂室所需容积 式中: —平均流量,; X—城市污水沉砂量,,污水一般采纳 30污水;T—清除沉砂的时间,间隔设计中取 T=3d。4. 沉砂斗容积 式中: d—沉砂斗上口直径,m,设计中取 d=; —沉砂斗圆柱体的高度,m,设计中取=; —沉砂斗圆台体的高度,m; r—沉砂斗下底直径,m,一般才用~,设计中取 r=. =+=()沉砂池总高 式中: —沉砂池超高,m,一般采纳~,设计中取=; —沉砂池缓冲层高度,m; =(m) 6. 进水渠道进水渠与涡流式沉砂池呈切线方向进水,以提供涡流的初速度。 渠宽: 式中: —进水渠道宽度,m; —进水流速,一般采纳~s,设计中取=s; —进水渠道水深,m,设计中取=。 校核 进水渠道长度 7. 出水渠道 出水渠道与进水渠道建在一起,中建设闸板,以便在沉砂池检修时超越沉砂池,两渠道夹角...

1、当您付费下载文档后,您只拥有了使用权限,并不意味着购买了版权,文档只能用于自身使用,不得用于其他商业用途(如 [转卖]进行直接盈利或[编辑后售卖]进行间接盈利)。
2、本站所有内容均由合作方或网友上传,本站不对文档的完整性、权威性及其观点立场正确性做任何保证或承诺!文档内容仅供研究参考,付费前请自行鉴别。
3、如文档内容存在违规,或者侵犯商业秘密、侵犯著作权等,请点击“违规举报”。

碎片内容

旋流沉砂池设计计算

人从众+ 关注
实名认证
内容提供者

欢迎光临小店,本店以公文和教育为主,希望符合您的需求。

确认删除?
VIP
微信客服
  • 扫码咨询
会员Q群
  • 会员专属群点击这里加入QQ群
客服邮箱
回到顶部