电脑桌面
添加小米粒文库到电脑桌面
安装后可以在桌面快捷访问

带式输送机安全规范VIP专享

带式输送机安全规范_第1页
1/15
带式输送机安全规范_第2页
2/15
带式输送机安全规范_第3页
3/15
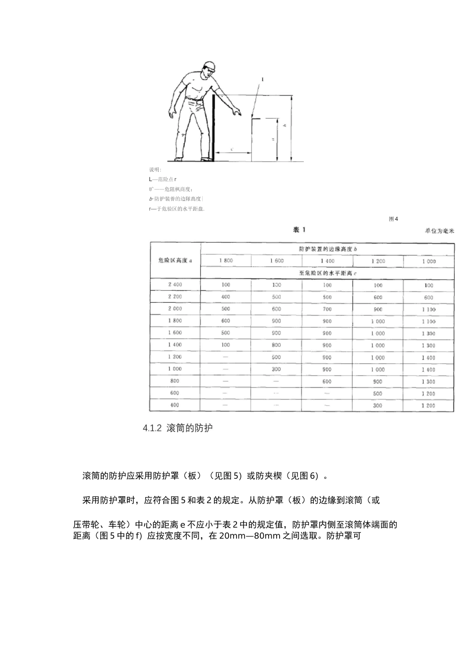
带式输送机安全规范1范围2规范性引用文件3基本要求3.1 输送机的设计应符合 GB50431 和 GB/T17119 的规定。3.2 输送机的制作应符合 GB/T10595 的规定。3.3 输送机的使用条件应满足其正常工作条件。对有特殊要求的输送机,还应满足相应的条件。3.4 输送机的安装应符合 GB50272 的规定。电器装置的设计应符合 GB/T25259 的规定;电器装置的安装应符合 GB50168GB50169,GB50170,GB50254,GB50255的规定。4安全规则4.1 设计和制作阶段4.1.1 易挤夹部位的范围4.1.1.1 在经常有人接近的输送机的头部、尾部、拉紧部位和输送带改向部位是易挤夹部位(见图 1 和图 2)。4.1.1.2 凡是输送带不能被抬起,产生一个距挤夹点 50mm 以上距离之处的托辊与输送带之间,应被认为是易挤夹部位。因此,凸弧段相邻两组托辊的夹角大于 3°之托辊处、承载分支输送带过渡区段内的托辊处、导料槽下方的托辊处、压带轮下方的托辊处及压带轮与输送带之间也是易挤夹部位(见图 3)图辅送带运汙力问4.1.1.3 如在上述部位设有护栏,但易挤夹部位处于图 4 所示位置与表 1 规定的尺寸之内时,仍属易挤夹部位,也应设置防护装置。说明:L—范险点 r旷——危阻枫商度;b-防护装養的边隊髙度|r—于危验区的水平距盘.團 4滚筒的防护应采用防护罩(板)(见图 5)或防夹楔(见图 6)。采用防护罩时,应符合图 5 和表 2 的规定。从防护罩(板)的边缘到滚筒(或压带轮、车轮)中心的距离 e 不应小于表 2 中的规定值,防护罩内侧至滚筒体端面的距离(图 5 中的 f)应按宽度不同,在 20mm—80mm 之间选取。防护罩可□拉为堡廉用金属框架加钢板或多孔板、钢板网、钢丝网制作。采用防夹楔时,应在安装时保证防夹楔与输送带、滚筒间的间隙如图 6 所示。防夹楔的材质为减磨材料、型钢或钢板,其长度应等于滚筒体的长度,厚度50mm。«一防护章畑鳩到滚闇€或压带轮、沖轮〕中心线的距离團 5表 2 准竝为圣笊靈 1SH 爺!E 带轮,车轮)的直程防护罩(:板〕边稣刮爵衢£我压带轮、牛:卷)中心钱的吧鹘 r2M-5Q09$0d30—aoo100010001050I25O-]6M\妣1E007CM11504.1.3 托辊的防护4.1.3.1 输送松散物料且凸弧段内相邻两组承载托辊的夹角大于 3°时,应对托辊两侧用防护板进行防护。防护板可用金属框架加钢丝网制作。装在凸弧段第 1组托辊前 300mm 处、高度在成槽型的输送带边缘线上部 250mm 和下部 200mm之间(见图 7)。单位为至米说阳i...

1、当您付费下载文档后,您只拥有了使用权限,并不意味着购买了版权,文档只能用于自身使用,不得用于其他商业用途(如 [转卖]进行直接盈利或[编辑后售卖]进行间接盈利)。
2、本站所有内容均由合作方或网友上传,本站不对文档的完整性、权威性及其观点立场正确性做任何保证或承诺!文档内容仅供研究参考,付费前请自行鉴别。
3、如文档内容存在违规,或者侵犯商业秘密、侵犯著作权等,请点击“违规举报”。

碎片内容

带式输送机安全规范

确认删除?
VIP
微信客服
  • 扫码咨询
会员Q群
  • 会员专属群点击这里加入QQ群
客服邮箱
回到顶部