电脑桌面
添加小米粒文库到电脑桌面
安装后可以在桌面快捷访问

特种设备制造许可单位基本条件

特种设备制造许可单位基本条件_第1页
1/18
特种设备制造许可单位基本条件_第2页
2/18
特种设备制造许可单位基本条件_第3页
3/18
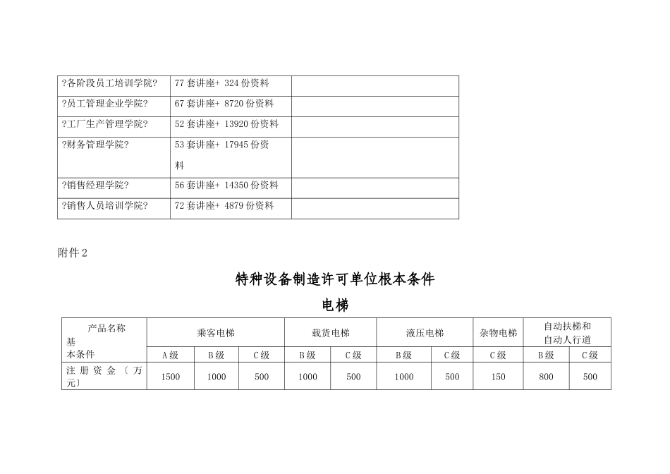
更多企业学院: ?中小企业管理全能版?183 套讲座+89700 份资料?总经理、高层管理?49 套讲座+16388 份资料?中层管理学院?46 套讲座+6020 份资料 ?国学智慧、易经?46 套讲座?人力资源学院?56 套讲座+27123 份资料?各阶段员工培训学院?77 套讲座+ 324 份资料?员工管理企业学院?67 套讲座+ 8720 份资料?工厂生产管理学院?52 套讲座+ 13920 份资料?财务管理学院?53 套讲座+ 17945 份资料 ?销售经理学院?56 套讲座+ 14350 份资料?销售人员培训学院?72 套讲座+ 4879 份资料附件 2特种设备制造许可单位根本条件电梯 产品名称基本条件乘客电梯载货电梯液压电梯杂物电梯自动扶梯和自动人行道A 级B 级C 级B 级C 级B 级C 级C 级B 级C 级注 册 资 金 〔 万元〕1500100050010005001000500150800500人员要求高级工程师3 名2 名1 名2 名1 名2 名1 名 2 名1 名机械工程师10 名6 名4 名6 名4 名5 名4 名2 名6 名4 名电气工程师10 名5 名4 名4 名3 名3 名1 名3 名检验人员10 名,其中 3 名工程师8 名,其中 3 名工程师6 名,其中 2 名工程师8 名,其中 3 名工程师6 名,其中 2 名工程师6 名,其中 2 名工程师4 名 , 其中 2 名 工程师2 名,其中 1 名助理工程师4 名,其中2 名工程师技术负责人高级工程师工程师高级工程师技术工人略生产条件厂房建筑面积4000m23000m22000m23000m22000m23000m22000m2800m24000m23000m2自行加工件轿厢、组装控制柜。组装控制柜及整梯生产设备剪切设备、折弯设备、冲压设备、钻孔设备、车削设备、焊接设备,以及整形设备、起重设备〔杂物电梯除外〕。 生产条件工艺装备略整梯〔含导轨、梯路系统〕组装工装检验检测仪器加、减速度测量仪╱╱限速器动作速度检测仪控制柜功能检测台控制柜耐压、绝缘检测设备万用表、钳形电流表、转速表、声级计、游标卡尺、钢直尺、卷尺、塞尺试验井道最低运行高度50m40m20m30m20m30m20m╱能够组装并试验整梯技术文件等技术文件所要求技术文件应正确、完整、统一。设计文件:图样目录、标准件明细表、外购件明细表、外协件明细表、自制件和外协件设计图纸、部件装配图、电气原理图及元器件代号表、设计计算书;产品包装图、包装技术条件和产品出厂随机文件。工装工艺文件:工装图明细表〔目录〕、工装设计图样、工艺文件目录、工艺过程卡、检验要求、材料定额汇总表。对申请取证的特别产品〔消...

1、当您付费下载文档后,您只拥有了使用权限,并不意味着购买了版权,文档只能用于自身使用,不得用于其他商业用途(如 [转卖]进行直接盈利或[编辑后售卖]进行间接盈利)。
2、本站所有内容均由合作方或网友上传,本站不对文档的完整性、权威性及其观点立场正确性做任何保证或承诺!文档内容仅供研究参考,付费前请自行鉴别。
3、如文档内容存在违规,或者侵犯商业秘密、侵犯著作权等,请点击“违规举报”。

碎片内容

特种设备制造许可单位基本条件

您可能关注的文档

确认删除?
VIP
微信客服
  • 扫码咨询
会员Q群
  • 会员专属群点击这里加入QQ群
客服邮箱
回到顶部