电脑桌面
添加小米粒文库到电脑桌面
安装后可以在桌面快捷访问

现浇剪力墙结构大模板安装与拆除分项工程质量管理

现浇剪力墙结构大模板安装与拆除分项工程质量管理_第1页
1/5
现浇剪力墙结构大模板安装与拆除分项工程质量管理_第2页
2/5
现浇剪力墙结构大模板安装与拆除分项工程质量管理_第3页
3/5
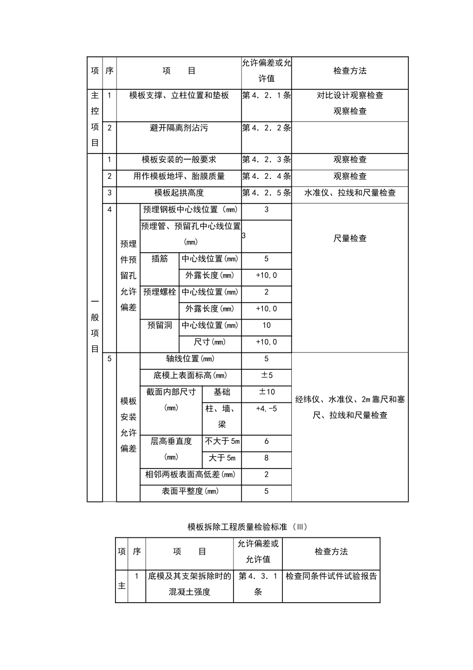
现浇剪力墙结构大模板安装与拆除分项工程质量管理1、依据标准:《建筑工程施工质量验收统一标准》 GB50300-2001《钢筋混凝土结构工程施工质量验收法律规范》 GB50204-2024《高层建筑混凝土技术规程》 JGJ3 -2024《组合钢模板技术法律规范》 GB50214-20012、施工准备材料及主要机具:配套大模板:平模、角模,包括地脚螺栓及垫板,穿墙螺栓及套管,护身栏,爬梯及作业平台板等。隔离剂:甲基硅树脂、水性脱模剂。一般应备有锤子、斧子、打眼电钻、活动扳子、手锯、水平尺、线坠、撬棍、吊装索具等作业条件:按工程结构设计图进行模板设计,确保强度、刚度及稳定性。弹好楼层的墙身线、门窗洞口位置线及标高线。墙身钢筋绑扎完毕,水电箱盒、预埋件、门窗洞口预埋完毕,检查保护层厚度应满足要求,办完隐蔽工程验收手续。为防止大模板下口跑浆,安装大模板前抹好砂浆找平层,但找平层不能伸入墙身内。外砖内模结构在安装大模板前,把组合柱处的墙上舌头灰清理洁净,全现浇结构挂好供外墙模板操作的架子。安装大模板前应把大模板板面清理洁净,刷好隔离剂(不允许在模板就位后刷隔离剂,防止污染钢筋及混凝土接触面,涂刷均匀,不得漏刷)。3、操作工艺外板内模结构安装大模板:工艺流程:准备工作——安正号模板——安装外墙板——安反号模板——固定模板——上口预检。根据先横墙后纵墙的安装顺序,将一个流水段的正号模板用塔吊按顺序吊至安装位置初步就位,用撬棍按墙位线高速模板位置,对称调整模板的一对地脚螺栓或斜杆螺栓。用托线板测垂直校正标高 ,使模板的垂直度、水平度、标高符合设计要求,立即拧紧螺栓。安装外墙板,用花篮螺栓或卡具将上下端拉结固定。合模前检查钢筋、水电预埋管件、门窗洞口模板、穿墙套管是否遗漏,位置是否准确,安装是否牢固,是否削弱断面过多等,合反号模板前将墙内杂物清理洁净。安装反号模板,经校正垂直后,用穿墙螺栓将两块模板锁紧。正反模板安装完后,检查角模与墙模,模板与楼板,楼梯间墙面间隙必须严密,防止有漏浆、错台现象。检查每道墙上口是否平直,用扣件或螺栓将两块模板上口固定。办完模板工程预检验收,方准浇筑混凝土。外砖内模结构安装大模板:工艺流程:外墙砌砖——安装正、反号大模板——安装角模——预检。外墙砌砖:先砌完外砖墙,在内外墙连接处留出组合柱槎及拉结筋。安装正反号大模板,其方法与外板内模结构相同。在混凝土内外墙交接处安装角模,为防止浇内墙混凝土时组合柱...

1、当您付费下载文档后,您只拥有了使用权限,并不意味着购买了版权,文档只能用于自身使用,不得用于其他商业用途(如 [转卖]进行直接盈利或[编辑后售卖]进行间接盈利)。
2、本站所有内容均由合作方或网友上传,本站不对文档的完整性、权威性及其观点立场正确性做任何保证或承诺!文档内容仅供研究参考,付费前请自行鉴别。
3、如文档内容存在违规,或者侵犯商业秘密、侵犯著作权等,请点击“违规举报”。

碎片内容

现浇剪力墙结构大模板安装与拆除分项工程质量管理

确认删除?
VIP
微信客服
  • 扫码咨询
会员Q群
  • 会员专属群点击这里加入QQ群
客服邮箱
回到顶部