电脑桌面
添加小米粒文库到电脑桌面
安装后可以在桌面快捷访问

电动工具安全检查表

电动工具安全检查表_第1页
1/4
电动工具安全检查表_第2页
2/4
电动工具安全检查表_第3页
3/4
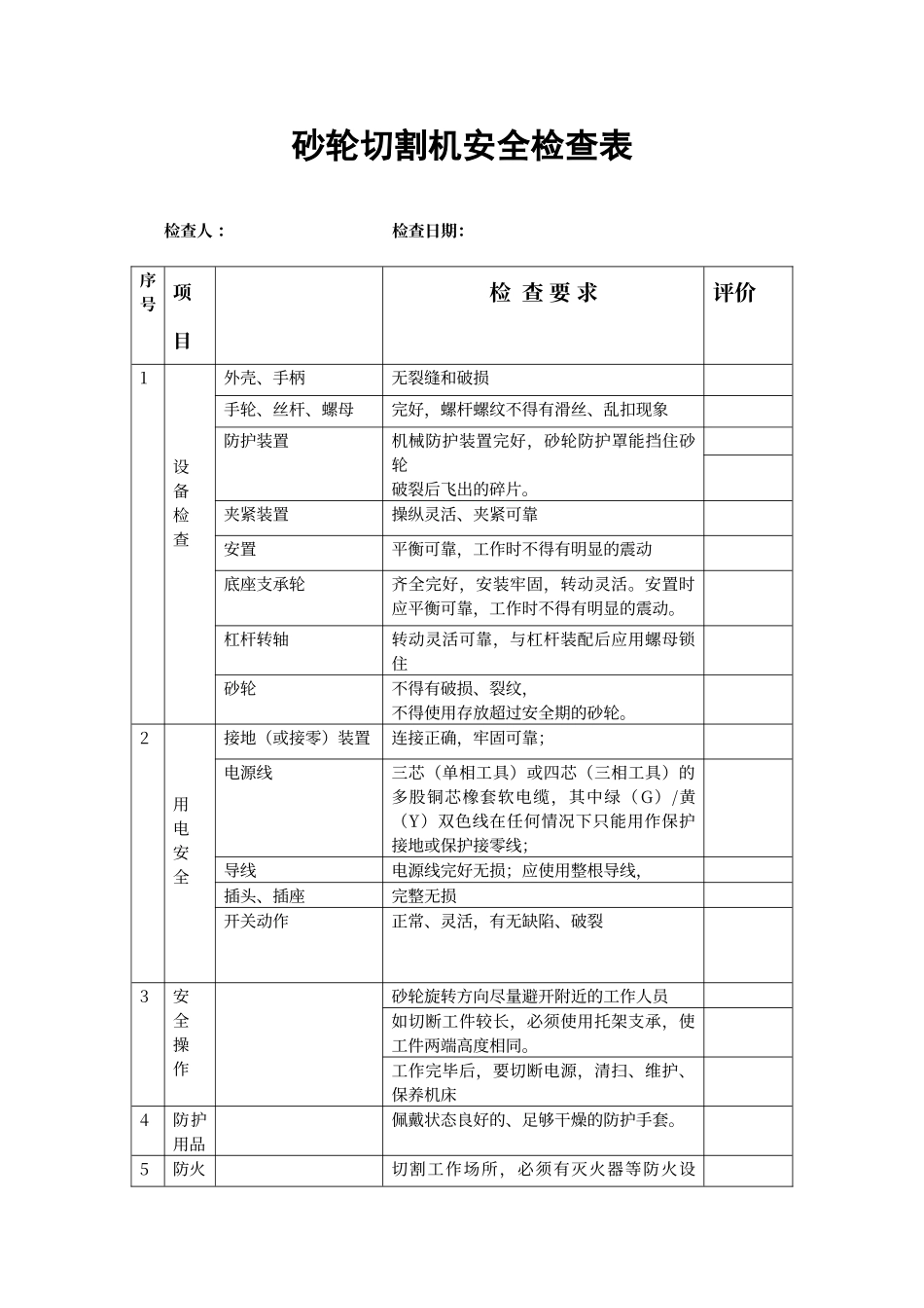
砂轮切割机安全检查表检查人 : 检查日期:序号项目检 查 要 求评价1设备检查外壳、手柄无裂缝和破损手轮、丝杆、螺母完好,螺杆螺纹不得有滑丝、乱扣现象防护装置机械防护装置完好,砂轮防护罩能挡住砂轮破裂后飞出的碎片。夹紧装置操纵灵活、夹紧可靠安置平衡可靠,工作时不得有明显的震动底座支承轮齐全完好,安装牢固,转动灵活。安置时应平衡可靠,工作时不得有明显的震动。 杠杆转轴转动灵活可靠,与杠杆装配后应用螺母锁住砂轮不得有破损、裂纹,不得使用存放超过安全期的砂轮。2用电安全接地(或接零)装置连接正确,牢固可靠;电源线三芯(单相工具)或四芯(三相工具)的多股铜芯橡套软电缆,其中绿(G)/黄(Y)双色线在任何情况下只能用作保护接地或保护接零线;导线电源线完好无损;应使用整根导线, 插头、插座完整无损开关动作正常、灵活,有无缺陷、破裂3安全操作砂轮旋转方向尽量避开附近的工作人员如切断工件较长,必须使用托架支承,使工件两端高度相同。工作完毕后,要切断电源,清扫、维护、保养机床4防护用品佩戴状态良好的、足够干燥的防护手套。5防火切割工作场所,必须有灭火器等防火设备,6其他电焊机安全检查表 检查人: 2024 年 月 日序号检查项目检查内容检查方法检查记录评估意见1电源开关电焊机必须装有独立的专用电源开关容量与电焊机匹配2防护装置电焊机一、二次接线柱罩齐全3焊钳焊钳夹紧力好,绝缘可靠,隔热层完好4电缆线电源一次线长度小于或等于 3M,且不得拖地或跨越通用使用5接地有明显的接地线、接触良好禁止连接建筑物的金属构架、管道、暖气等做焊接回路6电焊机绝缘一、二次线圈绝缘电阻大于或等于 1M 欧姆7使用环境电焊机使用场所清洁,无严重的粉尘,周围无易燃易爆物品砂轮机安全检查表检查人: 2024 年 月 日序号检查项目检查内容检查方法是/否备注1砂轮机电源线路1、接地线是否良好2、接地线牢固可靠2砂轮机砂轮1、砂轮是否有破损2、砂轮防护罩是否有杂物3、砂轮有无裂纹或缺口3紧固件1、主羰部螺纹是否有损失2、主轴压紧螺母是否松动3、卡盘是否有变形或不平衡4安全距离1、砂轮转是否灵活2、工作台与砂轮的间隙是否为5-8MM3、防护罩上的护板与砂轮之间的距离是否大于 5MM5防护罩防护罩是否牢靠危险源绞伤、碰伤

1、当您付费下载文档后,您只拥有了使用权限,并不意味着购买了版权,文档只能用于自身使用,不得用于其他商业用途(如 [转卖]进行直接盈利或[编辑后售卖]进行间接盈利)。
2、本站所有内容均由合作方或网友上传,本站不对文档的完整性、权威性及其观点立场正确性做任何保证或承诺!文档内容仅供研究参考,付费前请自行鉴别。
3、如文档内容存在违规,或者侵犯商业秘密、侵犯著作权等,请点击“违规举报”。

碎片内容

电动工具安全检查表

您可能关注的文档

确认删除?
VIP
微信客服
  • 扫码咨询
会员Q群
  • 会员专属群点击这里加入QQ群
客服邮箱
回到顶部