电脑桌面
添加小米粒文库到电脑桌面
安装后可以在桌面快捷访问

电子控制沥青粘度计

电子控制沥青粘度计_第1页
1/16
电子控制沥青粘度计_第2页
2/16
电子控制沥青粘度计_第3页
3/16
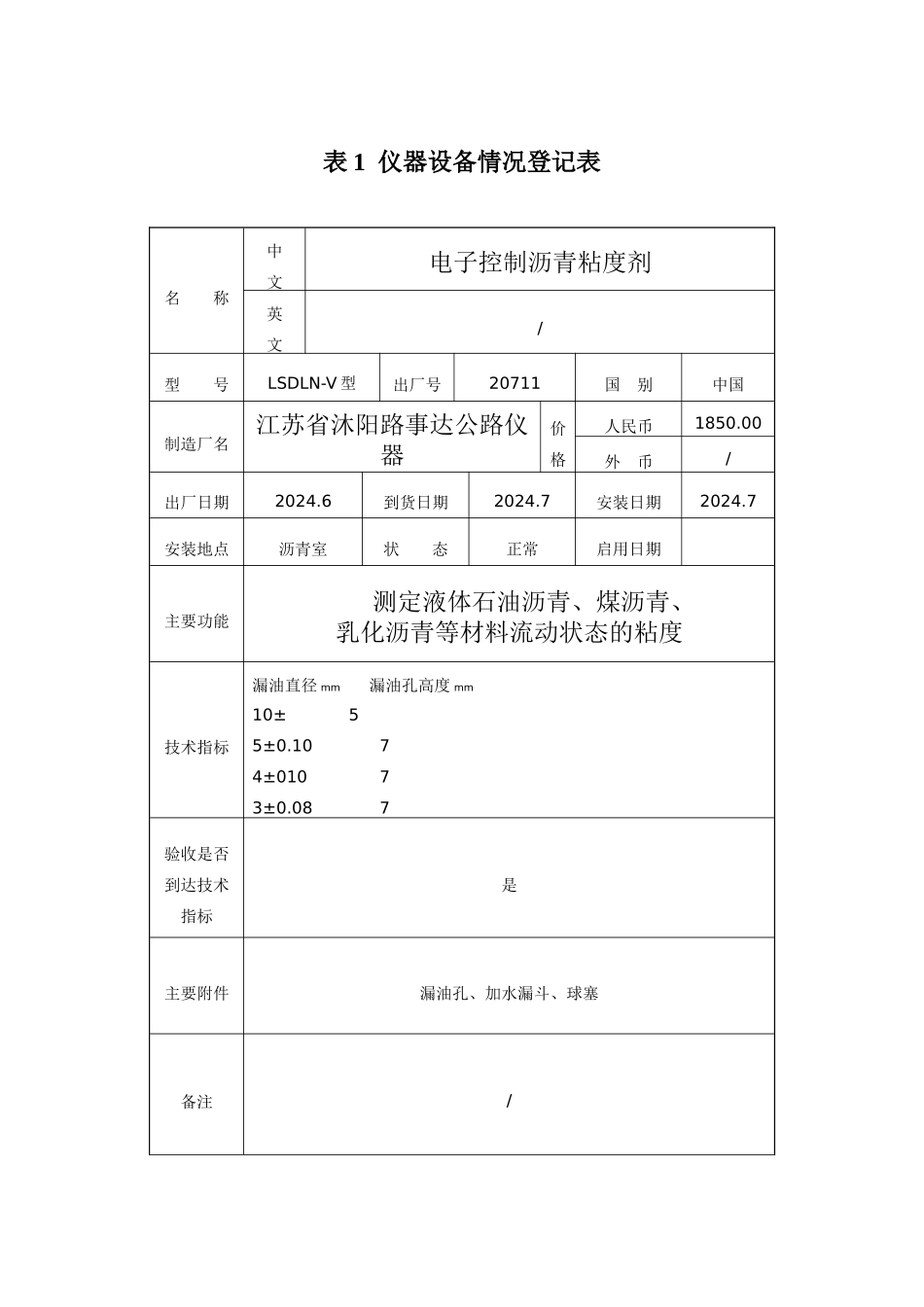
仪器设备技术档案册仪器编号: 031 名 称: 电子控制沥青粘度剂 型 号: LSDLN-V 型 功 能: 测定液体石油沥青、煤沥青、 乳化沥青等材料流动状态的粘度 单 位:江苏省沐阳路事达公路仪器 2024 年 9 月 22 日 目 录 一、仪器设备情况登记表……………………………………… 二、技术资料登记表……………………………………………… 三、主要附件、备件登记表……………………………………… 四、消耗性备件、材料登记表…………………………………… 五、验收、安装调试报告………………………………………… 六、仪器设备检定情况记录表………………………………………… 七、仪器损坏、故障、修理、定期检查履历记录表…………………… 八、操作规程…………………………………………………… 九、保养检修制度………………………………………………… 十、仪器负责人变动情况登记表…………………………………… 十一、仪器设备报废记录………………………………………… 表 1 仪器设备情况登记表名 称中 文电子控制沥青粘度剂英 文/型 号LSDLN-V 型出厂号20711国 别中国制造厂名江苏省沐阳路事达公路仪器价格人民币1850.00外 币/出厂日期2024.6到货日期2024.7安装日期2024.7安装地点沥青室状 态正常启用日期主要功能测定液体石油沥青、煤沥青、乳化沥青等材料流动状态的粘度技术指标漏油直径 mm 漏油孔高度 mm10± 55±0.10 74±010 73±0.08 7验收是否到达技术指标是主要附件漏油孔、加水漏斗、球塞备注/保管人李 波表 2 技术资料登记表序号日 期资 料 名 称本页数备 注312024.9电子控制沥青粘度剂111/表 3 主要附件、备件登记表序号日 期名称及型号、规格单位数量单价备 注001 2024.7漏油孔个3//002加水漏斗只1003球塞根1表 4 消耗性备件、材料登记表序号日 期名称及型号、规格单位数量单价备 注表 5 验收、安装调试报告主要内容:1、仪器设备进口、提货、开箱、安装调试、正式使用时间。2、按合同、发票、装箱单相互对比检查在质量和数量方面有无过失,处理结果。3、主机系列号及号码。4、安装调试的方法、测试工具,主要性能能否到达说明书指定的规格和要求。5、存在的问题。6、验收负责人及参加人员姓名。正常表 6 仪器设备检定情况记录表序号检定时间周期检定单位检定人检定结果备 注0311 年重庆市涪陵计量质量检测中心武隆检测所李德鑫合格/表 7 仪器损坏...

1、当您付费下载文档后,您只拥有了使用权限,并不意味着购买了版权,文档只能用于自身使用,不得用于其他商业用途(如 [转卖]进行直接盈利或[编辑后售卖]进行间接盈利)。
2、本站所有内容均由合作方或网友上传,本站不对文档的完整性、权威性及其观点立场正确性做任何保证或承诺!文档内容仅供研究参考,付费前请自行鉴别。
3、如文档内容存在违规,或者侵犯商业秘密、侵犯著作权等,请点击“违规举报”。

碎片内容

电子控制沥青粘度计

您可能关注的文档

雏圣文化+ 关注
实名认证
内容提供者

欢迎光临,大量办公文档供您挑选。

确认删除?
VIP
微信客服
  • 扫码咨询
会员Q群
  • 会员专属群点击这里加入QQ群
客服邮箱
回到顶部