电脑桌面
添加小米粒文库到电脑桌面
安装后可以在桌面快捷访问

电机接线工艺

电机接线工艺_第1页
1/7
电机接线工艺_第2页
2/7
电机接线工艺_第3页
3/7
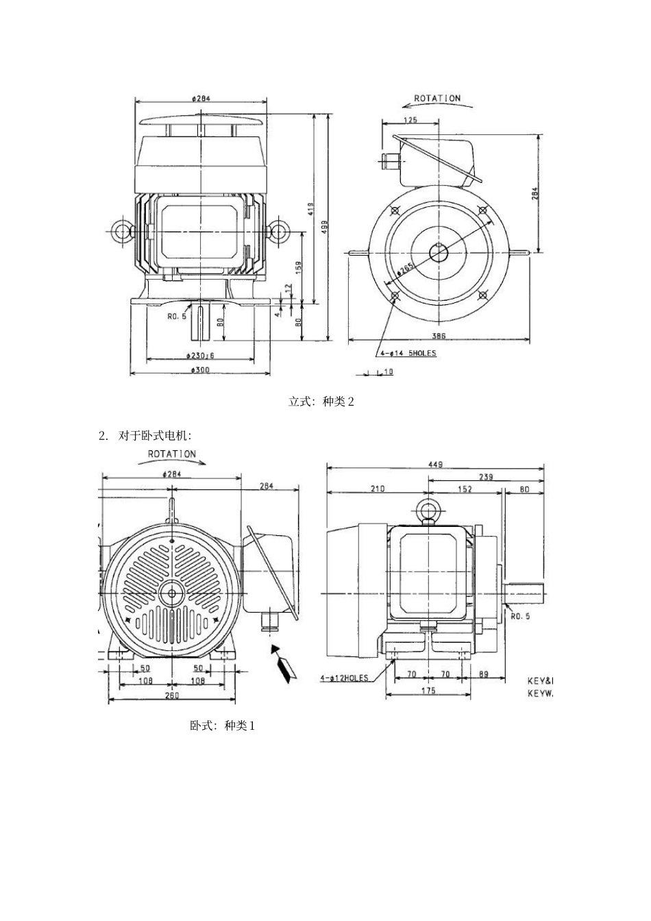
电机接线工艺前言:电机工程中,接线操作是一个关键性步骤。接线的正确与否会给后续的机械设备的试验带来不必要的麻烦。为了确保正确性,下面提出一个要点,一个检验方法。正文:电机一般分为立式和卧式两种。每种电机都有一个接线盒,大部分接线盒都是一个形式,长方体按对角线一切为二。如图所示。为了更好的说明本文的论点,首先提出关于确定接线盒的方向:1.对于立式电机:立式:种类 1立式:种类 22.对于卧式电机: 卧式:种类 1立式:种类 2总结:通过上述图文,似乎看不出关于接线的方法和规律。但是我们可以看出一个共同点那就是所有电机接线盒只有一个接线孔—即填料孔。 我们约定该填料孔为:下部,对应的就是上部。我们一对比,发现电机本体上所有的上部都是“小头”,下部都是“大头”。正如一开始的图片。好了,设定了这个方向有什么用呢?下面列出几张现场图片,就可以看出作用了:注意接线方式指的是接线盒的接线,不是线圈的接线。 上图: 两台同类型的电机 (立式)小头大头上部下部电机本体如图所示,我们发现根据我们约定的方向,可以看出,电机的线圈引线(即本体的接线次序有个规律性分布:红, 白(紫), 黑(蓝)这个规律为我们验收,检验接线的正确与否非常有用。左图:接线盒中是直角型接线方式(立式)左图:接线盒中是常见的接线方式(卧式)左图:接线盒中是 2-1 三角式接线方式(卧式)(页面放大可以看清颜色)我们还可以对比下船上的线头,见下图:同样:线头颜色分为三种:红,白,黑(蓝)再看下拆线人员做的马克: 图 1 图 2马克和线头分别可以对应:图 1:红对红,白对白,黑对黑,完全符合我们的规律。图 2:红对 R(红),紫对 W(白),蓝对 B(黑),符合我们的规律。红白黑R--红W--白B--黑但是对于不合常规的,特别是 10 年以上的老船,更改过的可能性很大,所以,自己必须给定马克标志。还是根据我们的规律和设定来。发一个接错线的图片:电机本体的线头没有颜色标示,所以我们自己拆线时,可以用红,白,黑绝缘做标示。以上规律是统计的结果,造船设计时也许有例外。所以当发现有例外时,必须要特别注意,和做好马克。最好用我们规律的方法。让每个人都可以很轻松的检查。而现在我们是用马克笔,打个箭头,写上红白黑。或仁者见仁智者见智,多种多样。这个也不是没有用,但还是希望我们可以做多一点点的改进,推广普遍性。以上是我对电机接线工艺的认识。 顾星 2024-10-28

1、当您付费下载文档后,您只拥有了使用权限,并不意味着购买了版权,文档只能用于自身使用,不得用于其他商业用途(如 [转卖]进行直接盈利或[编辑后售卖]进行间接盈利)。
2、本站所有内容均由合作方或网友上传,本站不对文档的完整性、权威性及其观点立场正确性做任何保证或承诺!文档内容仅供研究参考,付费前请自行鉴别。
3、如文档内容存在违规,或者侵犯商业秘密、侵犯著作权等,请点击“违规举报”。

碎片内容

电机接线工艺

确认删除?
VIP
微信客服
  • 扫码咨询
会员Q群
  • 会员专属群点击这里加入QQ群
客服邮箱
回到顶部