电脑桌面
添加小米粒文库到电脑桌面
安装后可以在桌面快捷访问

监a08建筑材料报审表

监a08建筑材料报审表_第1页
1/60
监a08建筑材料报审表_第2页
2/60
监a08建筑材料报审表_第3页
3/60
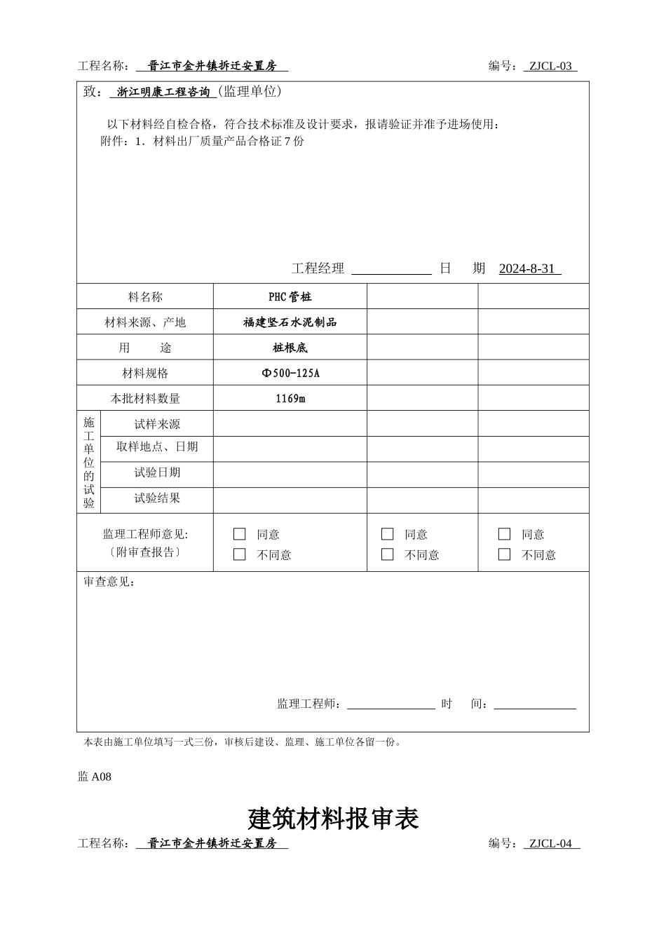
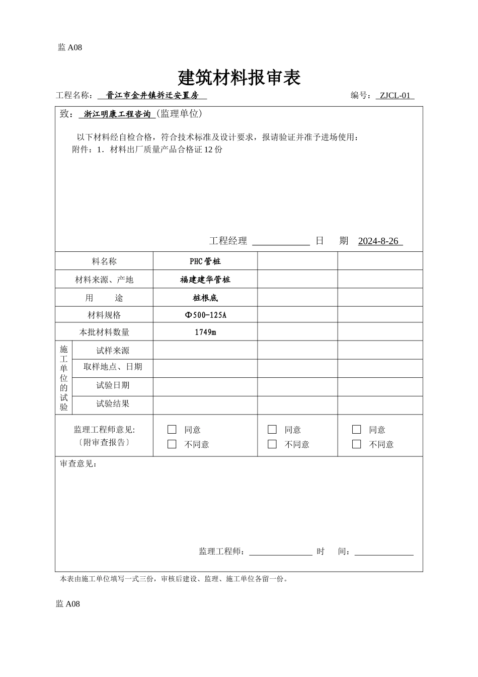
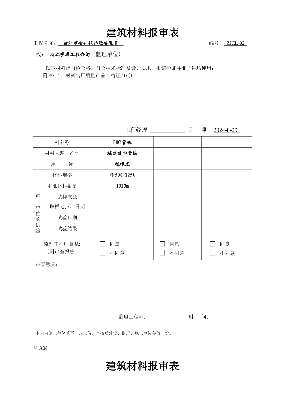
监 A08建筑材料报审表工程名称: 晋江市金井镇拆迁安置房 编号: ZJCL-01 致: 浙江明康工程咨询 (监理单位)以下材料经自检合格,符合技术标准及设计要求,报请验证并准予进场使用: 附件:1.材料出厂质量产品合格证 12 份 工程经理 日 期 2024-8-26 料名称PHC 管桩材料来源、产地福建建华管桩用 途桩根底材料规格Φ500-125A本批材料数量1749m施工单位的试验试样来源取样地点、日期试验日期试验结果监理工程师意见:〔附审查报告〕 □ 同意 □ 不同意 □ 同意 □ 不同意 □ 同意 □ 不同意审查意见:监理工程师: 时 间: 本表由施工单位填写一式三份,审核后建设、监理、施工单位各留一份。监 A08建筑材料报审表工程名称: 晋江市金井镇拆迁安置房 编号: ZJCL-02 致: 浙江明康工程咨询 (监理单位)以下材料经自检合格,符合技术标准及设计要求,报请验证并准予进场使用: 附件:1.材料出厂质量产品合格证 10 份 工程经理 日 期 2024-8-29 料名称PHC 管桩材料来源、产地福建建华管桩用 途桩根底材料规格Φ500-125A本批材料数量1523m施工单位的试验试样来源取样地点、日期试验日期试验结果监理工程师意见:〔附审查报告〕 □ 同意 □ 不同意 □ 同意 □ 不同意 □ 同意 □ 不同意审查意见:监理工程师: 时 间: 本表由施工单位填写一式三份,审核后建设、监理、施工单位各留一份。监 A08建筑材料报审表工程名称: 晋江市金井镇拆迁安置房 编号: ZJCL-03 致: 浙江明康工程咨询 (监理单位)以下材料经自检合格,符合技术标准及设计要求,报请验证并准予进场使用: 附件:1.材料出厂质量产品合格证 7 份 工程经理 日 期 2024-8-31 料名称PHC 管桩材料来源、产地福建坚石水泥制品用 途桩根底材料规格Φ500-125A本批材料数量1169m施工单位的试验试样来源取样地点、日期试验日期试验结果监理工程师意见:〔附审查报告〕 □ 同意 □ 不同意 □ 同意 □ 不同意 □ 同意 □ 不同意审查意见:监理工程师: 时 间: 本表由施工单位填写一式三份,审核后建设、监理、施工单位各留一份。监 A08建筑材料报审表工程名称: 晋江市金井镇拆迁安置房 编号: ZJCL-04 致: 浙江明康工程咨询 (监理单位)以下材料经自检合格,符合技术标准及设计要求,报请验证并准予进场使用: 附件:1.材料出厂质量产品合格证 1 份 工程经理 日 期 2024-9-3 料名...

1、当您付费下载文档后,您只拥有了使用权限,并不意味着购买了版权,文档只能用于自身使用,不得用于其他商业用途(如 [转卖]进行直接盈利或[编辑后售卖]进行间接盈利)。
2、本站所有内容均由合作方或网友上传,本站不对文档的完整性、权威性及其观点立场正确性做任何保证或承诺!文档内容仅供研究参考,付费前请自行鉴别。
3、如文档内容存在违规,或者侵犯商业秘密、侵犯著作权等,请点击“违规举报”。

碎片内容

监a08建筑材料报审表

您可能关注的文档

确认删除?
VIP
微信客服
  • 扫码咨询
会员Q群
  • 会员专属群点击这里加入QQ群
客服邮箱
回到顶部