电脑桌面
添加小米粒文库到电脑桌面
安装后可以在桌面快捷访问

石化集团公司安全监控系统采样表

石化集团公司安全监控系统采样表_第1页
1/48
石化集团公司安全监控系统采样表_第2页
2/48
石化集团公司安全监控系统采样表_第3页
3/48
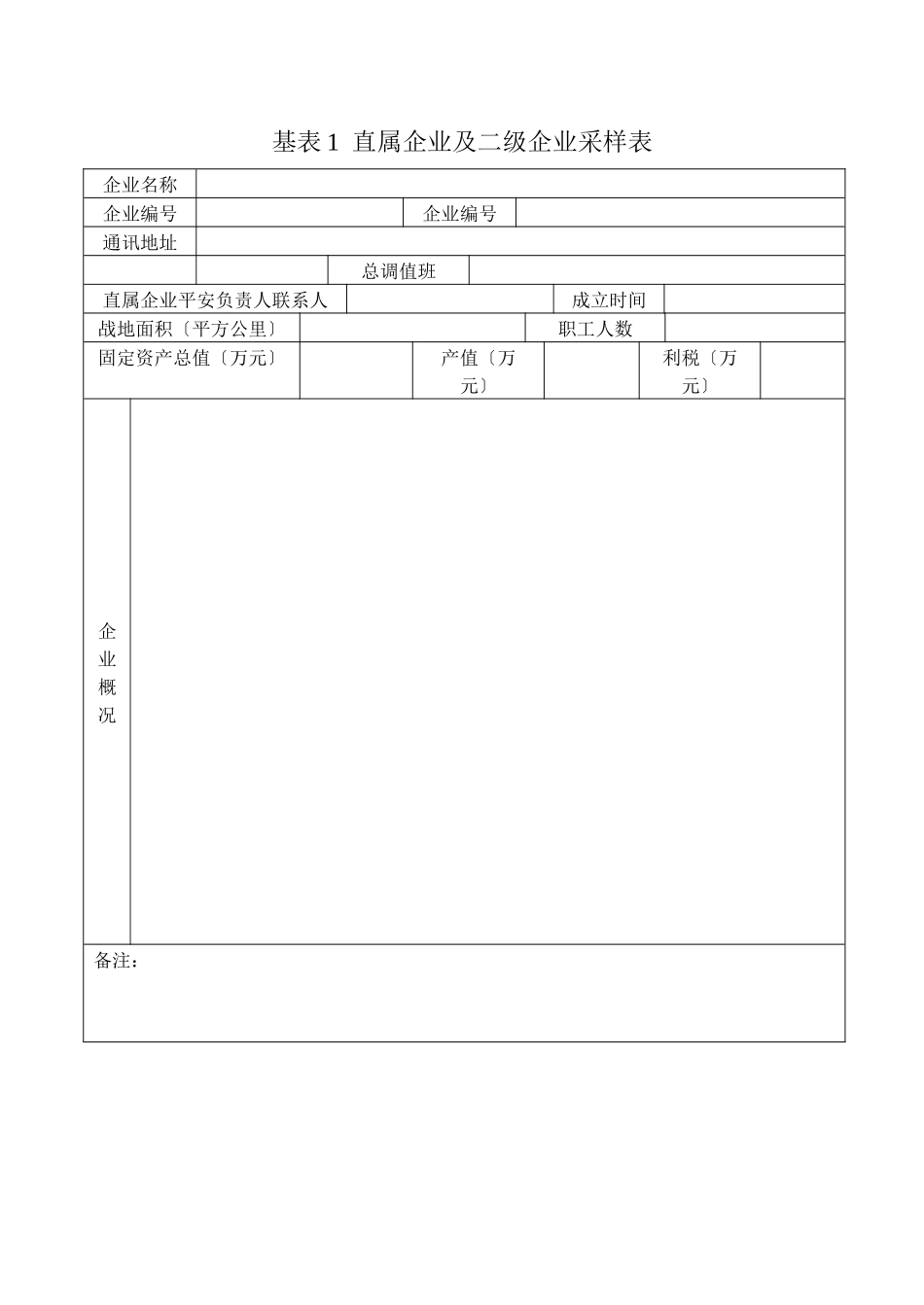
石化集团公司平安监控系统数据采样表第二聚丙烯车间2000.8.2基表 1 直属企业及二级企业采样表企业名称企业编号企业编号通讯地址 总调值班 直属企业平安负责人联系人成立时间战地面积〔平方公里〕职工人数固定资产总值〔万元〕产值〔万元〕利税〔万元〕企业概况备注:附加资料:-标志图-图片及视图资料-直属企业的平面布置图-组织机构图基表 2 关键装置信息采样表企业名称聚丙烯事业部企业编码装置编号装置名称4 万吨/年聚丙烯装置装置类型是否关键装置是设计时间1993 年投产时间1994.7生产规模〔万吨〕4固定资产总值〔万元〕32924负责人成为戍平安工程师方志军主要原料丙烯、乙烯、己烷、氢气、三乙基铝催化剂等主要产品聚丙烯装置简介〔限 300字〕4 万吨/年聚丙烯装置,是在燕化公司乙烯装置进行技术改造的同时,改扩建原有聚丙烯及其配套装置,由北京工程公司设计,年生产能力为 4 万吨,投资 3.03 亿 元人民币,于 1994 年 7 月建设完成,并于当年开车。装置战地面积 14000 平方米。本装置的特点是,采纳液相本体法生产工艺,聚合釜压力等级为 3~4Mpa,反响温度为 70℃左右,因此不是高温高压装置。本装置的作用是为了平衡燕化公司总体物料的平衡,消化燕化公司 1994年乙烯装置改造扩建所产生的乙烯,生产合格的聚丙烯产品。工艺流程简要说明〔限300字〕 设计年产 4 万吨/年聚丙烯,采纳日本三井油化公司液相—气相组合式本体法制造工艺,共有催化剂配制单元、聚合单元、枯燥单元、造粒单元、公用工程单元。聚合单元采纳四釜连续操作。液相丙烯在第一、第二聚合釜中进行液相本体聚合,循环丙烯在丙烯洗涤器中与第二聚合釜排出的浆液逆向接触,使细颗粒及由短路带出的催化剂随丙烯循环回第一聚合釜。洗涤后的浆液进入第一气相聚合釜,聚合后的聚丙烯粉末进入第二气相釜中继续聚合。聚合物在气固别离釜中经降压闪蒸除去未反响的丙烯气体后送到桨式枯燥器中枯燥除去挥发物,然后经过汽蒸罐将未反响的催化剂脱活,再用风机输送到造粒系统与助剂混和进行挤压造粒,得到聚丙烯颗粒产品。主要危险因素分析〔限150字〕 由 于 本 装 置 采 纳 液 相 本 体 法 生 产 工 艺 , 因 此 , 装 置 的D201、202、208、209 中存有液相丙烯,且聚合反响为放热反响,容易引起聚合釜的超压,或液相聚合釜大量丙烯泄漏,产生着火和爆炸事故。 由于聚合反响需要使用催化剂,本装置使用的三乙基铝催化剂,...

1、当您付费下载文档后,您只拥有了使用权限,并不意味着购买了版权,文档只能用于自身使用,不得用于其他商业用途(如 [转卖]进行直接盈利或[编辑后售卖]进行间接盈利)。
2、本站所有内容均由合作方或网友上传,本站不对文档的完整性、权威性及其观点立场正确性做任何保证或承诺!文档内容仅供研究参考,付费前请自行鉴别。
3、如文档内容存在违规,或者侵犯商业秘密、侵犯著作权等,请点击“违规举报”。

碎片内容

石化集团公司安全监控系统采样表

确认删除?
VIP
微信客服
  • 扫码咨询
会员Q群
  • 会员专属群点击这里加入QQ群
客服邮箱
回到顶部