电脑桌面
添加小米粒文库到电脑桌面
安装后可以在桌面快捷访问

脚手架工程量计算案例

脚手架工程量计算案例_第1页
1/16
脚手架工程量计算案例_第2页
2/16
脚手架工程量计算案例_第3页
3/16
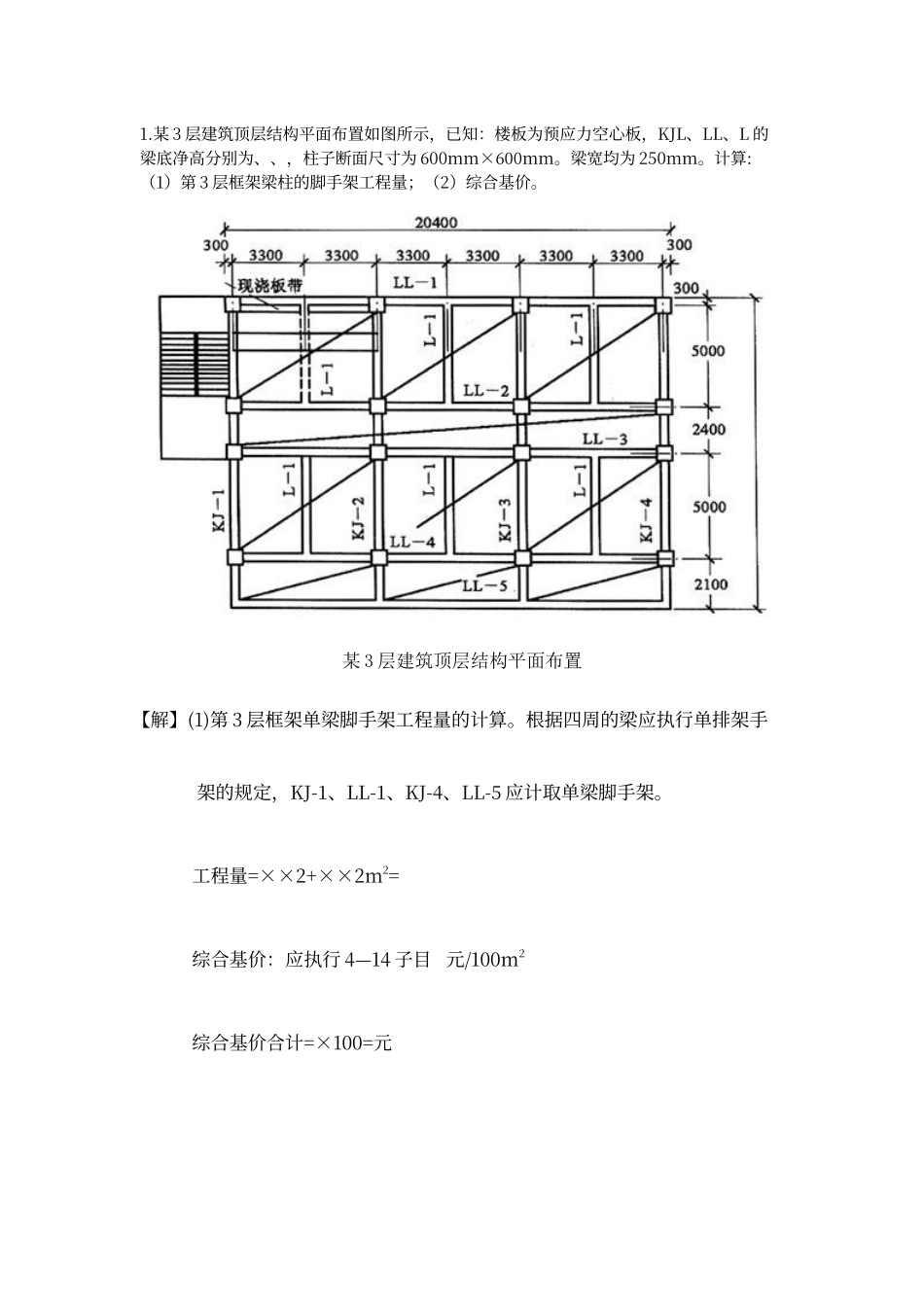
1.某 3 层建筑顶层结构平面布置如图所示,已知:楼板为预应力空心板,KJL、LL、L 的梁底净高分别为、、,柱子断面尺寸为 600mm×600mm。梁宽均为 250mm。计算:(1)第 3 层框架梁柱的脚手架工程量;(2)综合基价。某 3 层建筑顶层结构平面布置【解】(1)第 3 层框架单梁脚手架工程量的计算。根据四周的梁应执行单排架手架的规定,KJ-1、LL-1、KJ-4、LL-5 应计取单梁脚手架。工程量=××2+××2m2=综合基价:应执行 4—14 子目 元/100m2综合基价合计=×100=元(2)第 3 层框架单梁脚手架工程量的计算。根据内部的主、次粱应执行单梁脚手架的规定,KJ-2、KJ-3、LL 2、LL-3、LL-4、L-1 应计取单梁脚手架。工程量=××2+××3+××6m2=综合基价:应执行 4—14 子目 元/100m2综合基价合计=×100=元(3)柱子脚手架包括在梁脚手架内,不另计算。2.根据下图图示尺寸,计算建筑物外墙脚手架工程量及其综合基价。【解】(1)外墙脚手架工程量:单排脚手架(15m 高)=(26+12×2+8)×15m2=870m2双排脚手架(27m 高)=32×27m2=864m2双排脚手架(24m 高)=(18×2+32)×24m2=1632m2双排脚手架(36m 高)=26×36m2=936m2双排脚手架(5lm 高)=(18+24×2 十 4)×51m2=3570m2(2)综合基价合计:1)单排脚手架(15m 高):应执行 4—2 子目 元/100m2综合基价合计=×870/100=元2)双排脚手架(27m 高):应执行 4—6 子目 元/100m2综合基价合计=×864/100=元3)双排脚手架(24m 高):应执行 4—5 子目 元/100m2综合基价合计=×1632/100=元4)双排脚手架(36m 高):应执行 4—7 子目 元/100m2综合基价合计=×936/100=元5)双排脚手架(51m 高):应执行 4—8 子目 元/100m2综合基价合计=×3570/100=元3.某工程 370mm 厚外墙平面尺寸如图所示,设计室外地坪标高,女儿墙顶面标高+,砖墙面勾缝,门窗外口抹水泥砂浆门窗口套,计算此工程外脚手架工程量及综合基价。【解】已知条件:周长=(50+15)×2m=130m高度=+m=(1)工程量计算:130m×=2024m2(2)套定额:本工程室外地坪至女儿墙顶面高度为,按定额规定 15m 以上应套 24m 以内双排脚手架。应执行 4—5 子目,定额计量单位 l00m2,套定额时按定额计量单位:2024/100=(100m2)(3)填预算表:定额编号分部分项工程名称单位数量单价/元金额(元)4—5双排脚手架 24m内100m24.下图是一高层住宅楼的现浇钢筋混凝土框架结构示意图,试计算脚手架工程量及综合基价。a)平面图...

1、当您付费下载文档后,您只拥有了使用权限,并不意味着购买了版权,文档只能用于自身使用,不得用于其他商业用途(如 [转卖]进行直接盈利或[编辑后售卖]进行间接盈利)。
2、本站所有内容均由合作方或网友上传,本站不对文档的完整性、权威性及其观点立场正确性做任何保证或承诺!文档内容仅供研究参考,付费前请自行鉴别。
3、如文档内容存在违规,或者侵犯商业秘密、侵犯著作权等,请点击“违规举报”。

碎片内容

脚手架工程量计算案例

人从众+ 关注
实名认证
内容提供者

欢迎光临小店,本店以公文和教育为主,希望符合您的需求。

确认删除?
VIP
微信客服
  • 扫码咨询
会员Q群
  • 会员专属群点击这里加入QQ群
客服邮箱
回到顶部