电脑桌面
添加小米粒文库到电脑桌面
安装后可以在桌面快捷访问

发电机专项实施计划方案

发电机专项实施计划方案_第1页
1/12
发电机专项实施计划方案_第2页
2/12
发电机专项实施计划方案_第3页
3/12
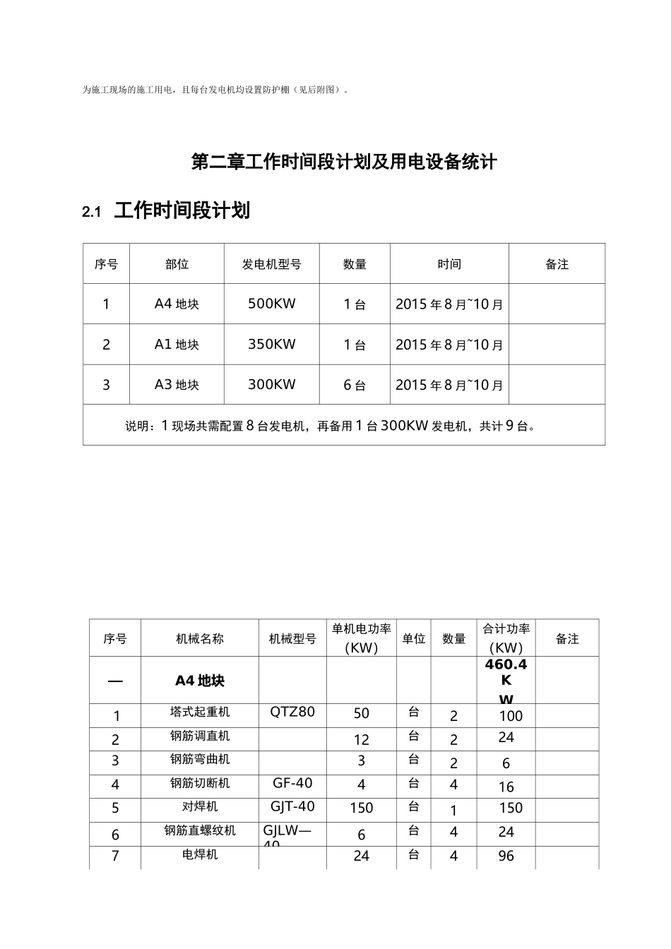
第一章工程概况 11.1 工程概况 1第二章工作时间段计划及用电设备统计 22.1 工作时间段计划 22.2 施工现场用电设备统计 3第三章发电机平面布置图 3第四章采用发电机的质量保证措施 4第五章采用发电机的安全保证措施及应急措施 45.1 防雷保护措施 45.2 安全保护措施 45.3 电工及用电人员规章制度 55.4 安全文明管理措施 55.5 应急预案 6第六章安全用电组织措施 8第七章安全用电防火措施 97.1 施工现场发生火灾的主要原因 97.2 预防电气火灾的措施 10第八章采用发电机期间预计产生的费用 11第九章类似工程案列 111第十章发电机供电范围第一章工程概况1.1 工程概况由我宁波二十冶建设有限公司施工的呈贡区七星山片区城市棚户区改造项目 A4、A1、A3 地块工程桩施工已结束,将进入下一步的基础、主体工程施工。目前,A4 地块塔吊已安装 好 4 台 , 部 分 地 下 室 土 方 已 开 挖 , 垫 层 已 浇 筑 ; A3 地 块 塔 吊 已 安 装 好 3 台 , 且C20、C21、C22、C23 及 C5、C6、C7、C8、C9、C10、C11 栋垫层已浇筑,并已完成破桩及基础放线工作。现部分钢筋及机械已到施工现场,项目部管理人员及操作人员已进场到位,各项准备工作全部就绪。因由业主提供的施工用电初步预计 2015 年 10 月中旬才能具备使用条件,鉴于现场实际情况,为保证项目工期的有效推进,并经业主同意,我项目部拟在 A4 地块配置 1 台 500KW(千瓦)发电机,在 A1 地块配置 1 台 350KW(千瓦)发电机;在 A3 地块配置 6 台 300KW(千瓦)发电机,再备用 1 台 300KW 发电机,共计 9 台发电机作为施工现场的施工用电,且每台发电机均设置防护棚(见后附图)。第二章工作时间段计划及用电设备统计2.1 工作时间段计划序号部位发电机型号数量时间备注1A4 地块500KW1 台2015 年 8 月~10 月2A1 地块350KW1 台2015 年 8 月~10 月3A3 地块300KW6 台2015 年 8 月~10 月说明:1 现场共需配置 8 台发电机,再备用 1 台 300KW 发电机,共计 9 台。序号机械名称机械型号单机电功率(KW)单位数量合计功率(KW)备注—A4 地块460.4KW1塔式起重机QTZ8050台21002钢筋调直机12台2243钢筋弯曲机3台264钢筋切断机GF-404台4165对焊机GJT-40150台11506钢筋直螺纹机GJLW—406台4247电焊机24台4968照明2台1530op 寸 SM29(N(N21—1OOOLQ寸寸 賣MSOs0000CNoCNCNno9l<\~~1LDCN1—...

1、当您付费下载文档后,您只拥有了使用权限,并不意味着购买了版权,文档只能用于自身使用,不得用于其他商业用途(如 [转卖]进行直接盈利或[编辑后售卖]进行间接盈利)。
2、本站所有内容均由合作方或网友上传,本站不对文档的完整性、权威性及其观点立场正确性做任何保证或承诺!文档内容仅供研究参考,付费前请自行鉴别。
3、如文档内容存在违规,或者侵犯商业秘密、侵犯著作权等,请点击“违规举报”。

碎片内容

发电机专项实施计划方案

wxg+ 关注
实名认证
内容提供者

该用户很懒,什么也没介绍

确认删除?
VIP
微信客服
  • 扫码咨询
会员Q群
  • 会员专属群点击这里加入QQ群
客服邮箱
回到顶部