电脑桌面
添加小米粒文库到电脑桌面
安装后可以在桌面快捷访问

螺栓最大扭紧力矩计算

螺栓最大扭紧力矩计算_第1页
1/7
螺栓最大扭紧力矩计算_第2页
2/7
螺栓最大扭紧力矩计算_第3页
3/7
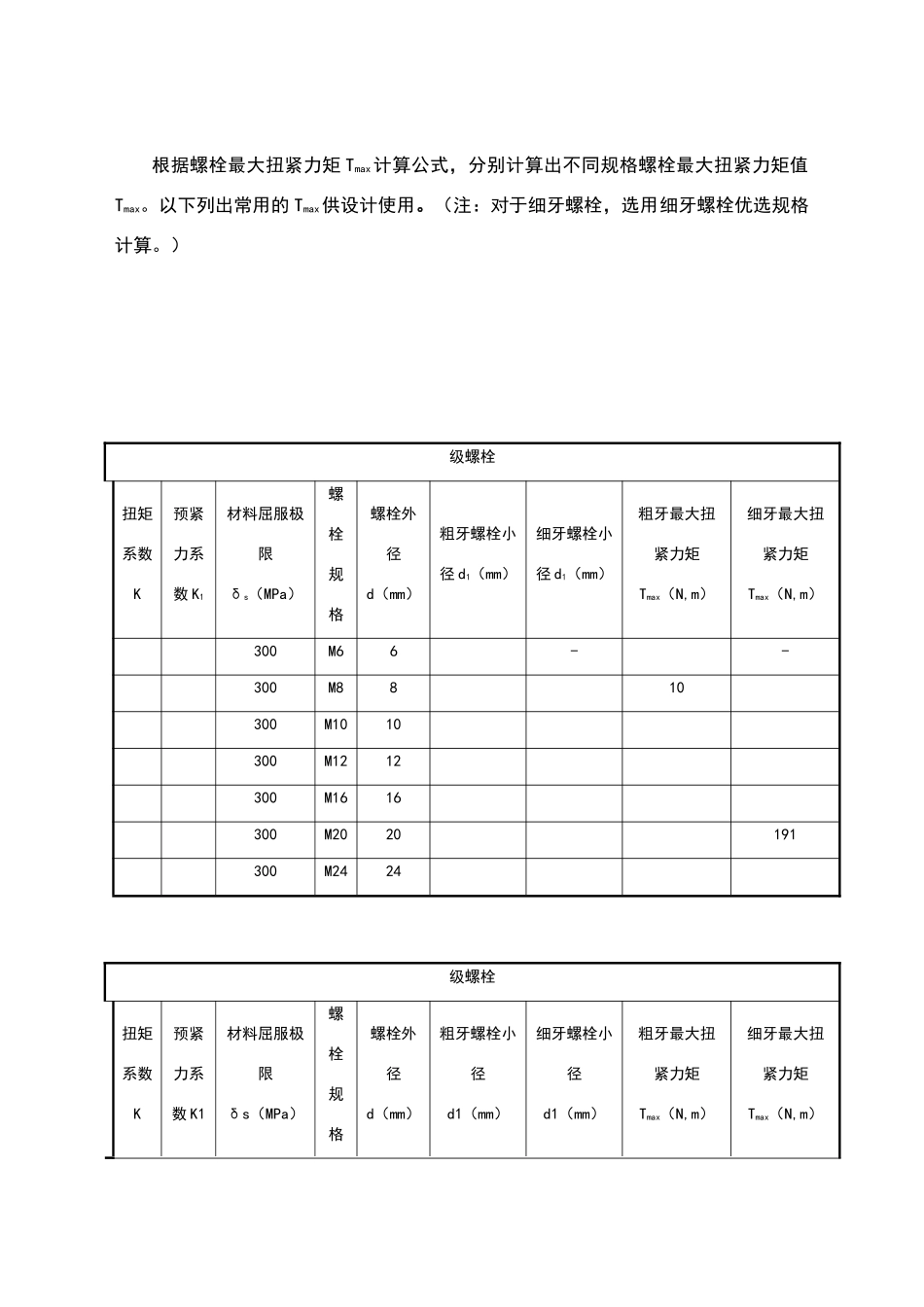
螺栓最大扭紧力矩计算一、背景安装时对于一般的零件装配,靠操作者在扭紧时的感觉和经验来拧紧螺栓就已经能满足安装要求。但对于重要的联接,就需提供具体的扭紧力矩值来保证产品质量与安全。针对这一问题,现参考机械设计手册及相关的机械设计资料,对螺栓的最大扭紧力矩进行详细的分析计算,并把不同等级不同规格的螺栓的最大扭紧力矩计算结果列成表格,供参考使用,为安装现场提供准确的扭紧力矩依据。二、分析计算拧紧螺栓需要的预紧力矩 T=KFd×10-3()1. K——扭矩系数。K 值大小主要与螺纹副摩擦、支承面摩擦有关,K=~,加润滑油的可达。根据《机械设计》(濮良贵 主编)建议,按 K=计算。2. F——预紧力(N)拧紧后螺纹连接件的预紧力 F 不得超过其材料屈服极限的 80%,推举按以下关系式确定 F。螺栓:F≤(~)σsA1;不锈钢螺栓:F≤(~)σsA1,即 F≤K1σsA1,螺栓 K1 取,不锈钢螺栓 K1 取。1)σs——对应等级螺栓的材料屈服极限(MPa)(需查表)螺栓性能等级屈服极限 δs min/Mpa1902403003404204806407209401100不锈钢螺栓性能等级A2-50A2-70A2-80屈服极限 δs min/Mpa2104506002)A1——螺栓危险截面的面积,单位 mm2根据《机械设计》(濮良贵 主编),危险截面按螺栓小径 d1 计算,即A1=1/4×π×d12故 F≤K1σsA1 =K1σs×1/4×π×d12 ( N)3. d——螺栓螺纹外径(mm)由以上分析,综合得T=KFd×10-3≤K×(K1×σs×1/4×π×d12)×d×10-3 =1/4×K×K1×σs×π×10-3×d12×d()即螺栓最大扭紧力矩 Tmax=1/4×K×K1×σs×π×10-3×d12×d()三、扭紧力矩值表相同外径的粗牙螺栓对应一种螺栓小径,而相同外径的细牙螺栓存在几种螺栓小径。其中细牙螺栓优选规格如下:细牙螺栓优选规格dM6M8M10M12M16M20M24d×P-M8×1M10×1M12×M16×M20×M24×2注:P——螺距根据螺栓最大扭紧力矩 Tmax计算公式,分别计算出不同规格螺栓最大扭紧力矩值Tmax。以下列出常用的 Tmax供设计使用。(注:对于细牙螺栓,选用细牙螺栓优选规格计算。)级螺栓扭矩系数K预紧力系数 K1材料屈服极限δs(MPa)螺栓规格螺栓外径d(mm)粗牙螺栓小径 d1(mm)细牙螺栓小径 d1(mm)粗牙最大扭紧力矩Tmax(N,m)细牙最大扭紧力矩Tmax(N,m)300M66--300M8810300M1010300M1212300M1616300M2020191300M2424级螺栓扭矩系数K预紧力系数 K1材料屈服极限δs(MPa)螺栓规格螺栓外径d(mm)粗牙螺栓小径d1(m...

1、当您付费下载文档后,您只拥有了使用权限,并不意味着购买了版权,文档只能用于自身使用,不得用于其他商业用途(如 [转卖]进行直接盈利或[编辑后售卖]进行间接盈利)。
2、本站所有内容均由合作方或网友上传,本站不对文档的完整性、权威性及其观点立场正确性做任何保证或承诺!文档内容仅供研究参考,付费前请自行鉴别。
3、如文档内容存在违规,或者侵犯商业秘密、侵犯著作权等,请点击“违规举报”。

碎片内容

螺栓最大扭紧力矩计算

您可能关注的文档

元素商铺+ 关注
实名认证
内容提供者

欢迎挑选合适的文档

相关文档

确认删除?
VIP
微信客服
  • 扫码咨询
会员Q群
  • 会员专属群点击这里加入QQ群
客服邮箱
回到顶部