电脑桌面
添加小米粒文库到电脑桌面
安装后可以在桌面快捷访问

论库塔干渠东干渠段冬季施工技术要求

论库塔干渠东干渠段冬季施工技术要求_第1页
1/4
论库塔干渠东干渠段冬季施工技术要求_第2页
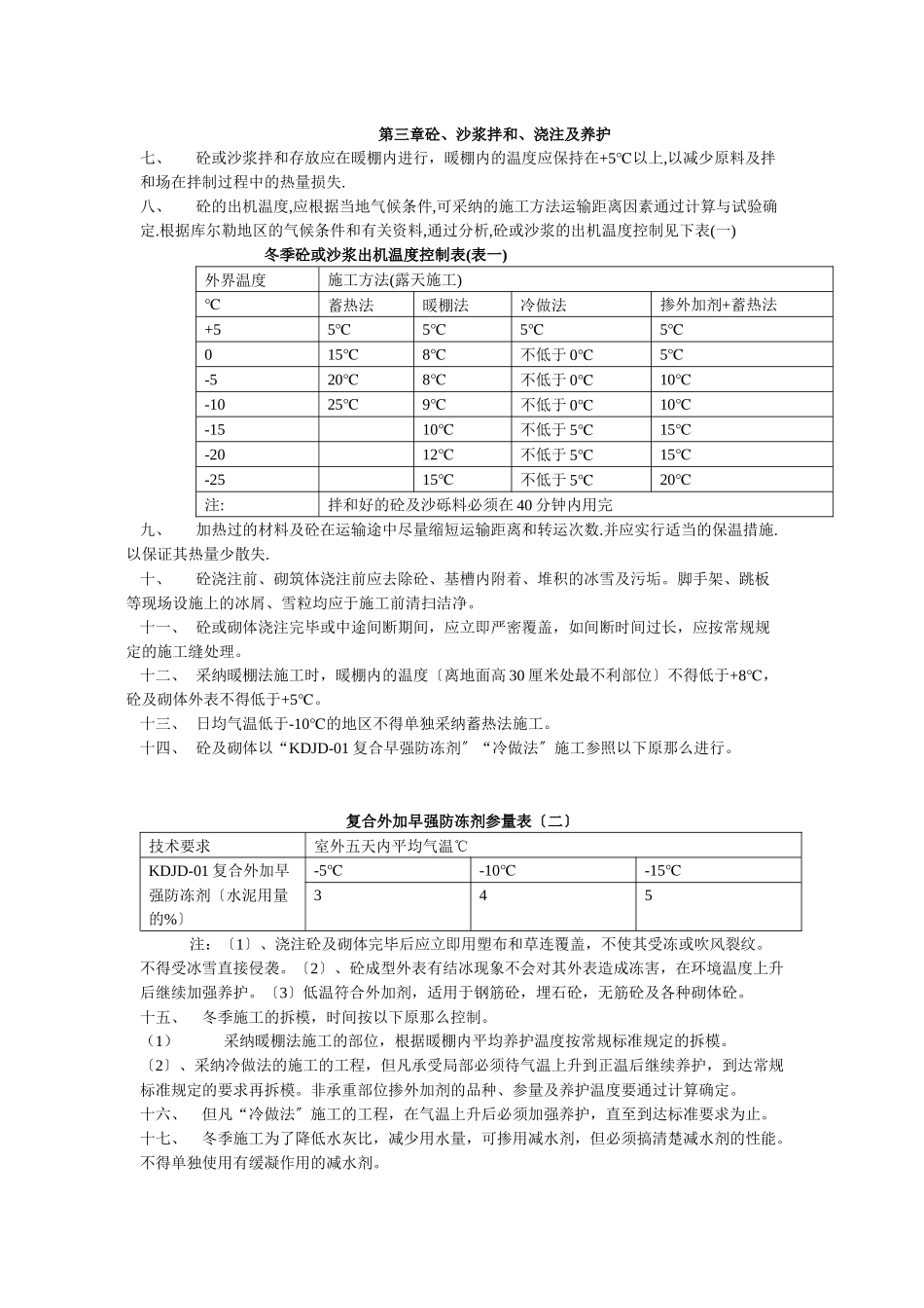
2/4
论库塔干渠东干渠段冬季施工技术要求_第3页
3/4
库塔干渠东干渠 〔0+000~25+000〕段冬季施工技术要求〔渠道砼及钢筋砼、预制砼板及砌筑砼〕库塔干渠东干渠现浇砼及预制砼板及其砌体安装是在气温日益下降的条件下进行的,稍有考虑不周,安排有误、就会造成严重的工程质量事故,因此必须 科学的、严格仔细地的贯彻?水工砼施工标准?。5144-2001,技术标准及管理制度、以保障库塔干渠东干渠 0+000~25+000 段冬季砼施工质量。根据库塔干渠东干渠地理环境的限制,冬季施工不利因素很多,又受到各方面条件的制约,情况就较为复杂,许多客观事物还待进一步探究和认识、各施工单位在执行本技术要求时、必须建立和健全适合本单位情况的管理制度。操作要领做好冬季施工纪录。注意积累资料,随时将执行情况反映到工程部。一便监督执行。第一章总那么一、一般定义1、日平均气温稳定在+5℃以下,或最低气温稳定在-3℃以下时。即为冬季施工。凡进入冬季施工季节的水工建筑〔包括:砼、钢筋砼、预制砼板、砌筑安装等工程〕。都必须按东冬季施工标准,实行相应的技术措施。以保证工程质量能到达设计标准要求方才准许施工。2、严寒低温环境中进行水工建筑施工,按规定使砼温度在降至冰点能到达允许受冻强度或者承受荷载所须的强度。一般综合蓄热法分、上下蓄热法两种养护法、高蓄热养护过程中,主要以短时加热为主,待砼在养护期间到达要求的受荷强度,低蓄热养护过程、那么主要以使用早强水泥或参用防冻外加剂等冷作法为主,待砼在一定的负温条件下不被冻坏,仍可继续硬化。水利水电工程多使用低蓄热养护法。-8℃以上时〔骨料无冰雪〕采纳 60~70℃热水拌和,只要在砼出机时稳定于 0℃以上,砼的品质就可以得到保证。-8℃以下,宜加热骨料,按要求拌制砼,使其在低温中不用外加热源进行保温养护、只在砼或砌体完后,立即覆盖养护一定时间既到达 50kg/cm2抗压强度的施工方法“冷作法施工〞。凡采纳冷作法施工的砼或砌体沙浆,必须经试验室和监理部提供的配合比及规定的操作规程,进行严格的质量控制。不得随意改变或简化操作程序。二、 库塔干渠东干渠施工除以冬季施工有关的事项按本技术要求执行外,其他各项仍执行常规?水工砼施工标准?的各项规定,其执行程序应更为严格。三、 进行冬季施工前必须 首先确定冬季施工所采纳的方法。根据所确定的施工方法充分作好施工前的准备工作。报请工程部、监理部。检查批准后才准备施工。四、本技术要求从十月三十日试行。第二章根底处理及组成材料五、根底及浇注面、...

1、当您付费下载文档后,您只拥有了使用权限,并不意味着购买了版权,文档只能用于自身使用,不得用于其他商业用途(如 [转卖]进行直接盈利或[编辑后售卖]进行间接盈利)。
2、本站所有内容均由合作方或网友上传,本站不对文档的完整性、权威性及其观点立场正确性做任何保证或承诺!文档内容仅供研究参考,付费前请自行鉴别。
3、如文档内容存在违规,或者侵犯商业秘密、侵犯著作权等,请点击“违规举报”。

碎片内容

论库塔干渠东干渠段冬季施工技术要求

您可能关注的文档

确认删除?
VIP
微信客服
  • 扫码咨询
会员Q群
  • 会员专属群点击这里加入QQ群
客服邮箱
回到顶部