电脑桌面
添加小米粒文库到电脑桌面
安装后可以在桌面快捷访问

道路工程竣工验收记录文稿表

道路工程竣工验收记录文稿表_第1页
1/26
道路工程竣工验收记录文稿表_第2页
2/26
道路工程竣工验收记录文稿表_第3页
3/26
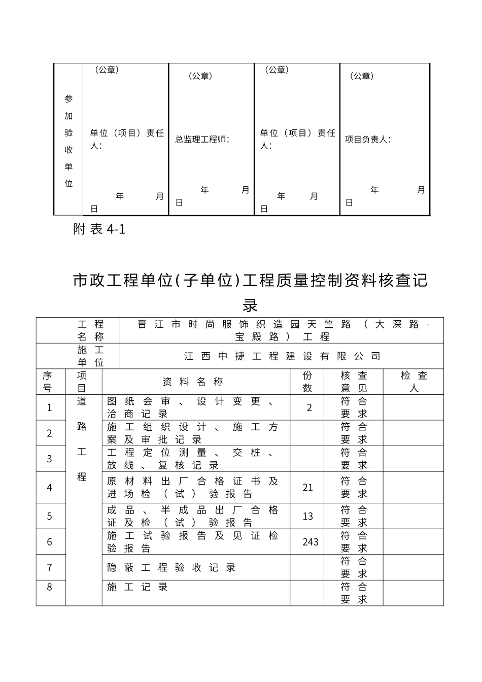
道路工程 单位(子单位)工程质量竣工验收记录工程名称晋江市时尚服饰织造园天竺路(大深路- 宝殿路)工程施工单位 江西中捷工程建设有限公司道路类型城市次干道工程规模 元项目经理徐永平项目技术负责人 张安华技术负责人 开工日期 年 月 日竣工日期 年 月 日序号项 目验 收 记 录验 收 结 论(监理或建设单位填写)1分部工程共 5 分部,经查 5 分部,符合标准及设计要求 5 分部。2质量控制资料核查共 9 项,经审查符合要求 9 项。经核定符合法律规范要求 9 项3安全和主要使用功能核查及抽查结果共核查 3 项,符合要求 3 项,共抽查 3 项,符合要求 3 项 , 经 返 工 处 理 符 合 要 求 / 项。4观感质量检验共抽查 4 项,符合要求 4 项,不符合要求 / 项。5综合验收结论 符合要求建设单位监理单位设计单位施工单位参加验收单位(公章)单位(项目)责任人:年 月 日 (公章)总监理工程师:年 月 日(公章)单位(项目)责任人:年 月 日(公章)项目负责人:年 月 日附 表 4-1市 政 工 程 单 位 ( 子 单 位 ) 工 程 质 量 控 制 资 料 核 查 记录工 程名 称晋 江 市 时 尚 服 饰 织 造 园 天 竺 路 ( 大 深 路 -宝 殿 路 ) 工 程施 工单 位江 西 中 捷 工 程 建 设 有 限 公 司序号项目资 料 名 称份数核 查意 见检 查人1道路工程图纸会审、设计变更、洽 商 记 录2符 合要 求2施工组织设计、施工方案 及 审 批 记 录符 合要 求3工程定位测量、交桩、放 线 、 复 核 记 录符 合要 求4原材料出厂合格证书及进 场 检 ( 试 ) 验 报 告21符 合要 求5成品、半成品出厂合格证 及 检 ( 试 ) 验 报 告13符 合要 求6施工试验报告及见证检验 报 告243符 合要 求7隐 蔽 工 程 验 收 记 录符 合要 求8施 工 记 录符 合要 求9检 验 批 、 分 项 、 分 部 ( 子分 部 ) 工 程 质 量 验 收 记 录符 合要 求10工程质量事故及事故调查 处 理 资 料//检 查 结 论 : 符 合 要 求 合 格结 论 :施 工 单 位 项 目 经 理 : 年 月 日总 监 理 工 程 师 ( 建 设 单 位 项目 负 责 人 ) : 年 月 日 附 表 4-2市 政 工 程 单 位 ( 子 单 位 ) 工 程 安全 和 功 能...

1、当您付费下载文档后,您只拥有了使用权限,并不意味着购买了版权,文档只能用于自身使用,不得用于其他商业用途(如 [转卖]进行直接盈利或[编辑后售卖]进行间接盈利)。
2、本站所有内容均由合作方或网友上传,本站不对文档的完整性、权威性及其观点立场正确性做任何保证或承诺!文档内容仅供研究参考,付费前请自行鉴别。
3、如文档内容存在违规,或者侵犯商业秘密、侵犯著作权等,请点击“违规举报”。

碎片内容

道路工程竣工验收记录文稿表

确认删除?
VIP
微信客服
  • 扫码咨询
会员Q群
  • 会员专属群点击这里加入QQ群
客服邮箱
回到顶部