电脑桌面
添加小米粒文库到电脑桌面
安装后可以在桌面快捷访问

铜及铜合金分类及产品牌号表示方法

铜及铜合金分类及产品牌号表示方法_第1页
1/28
铜及铜合金分类及产品牌号表示方法_第2页
2/28
铜及铜合金分类及产品牌号表示方法_第3页
3/28
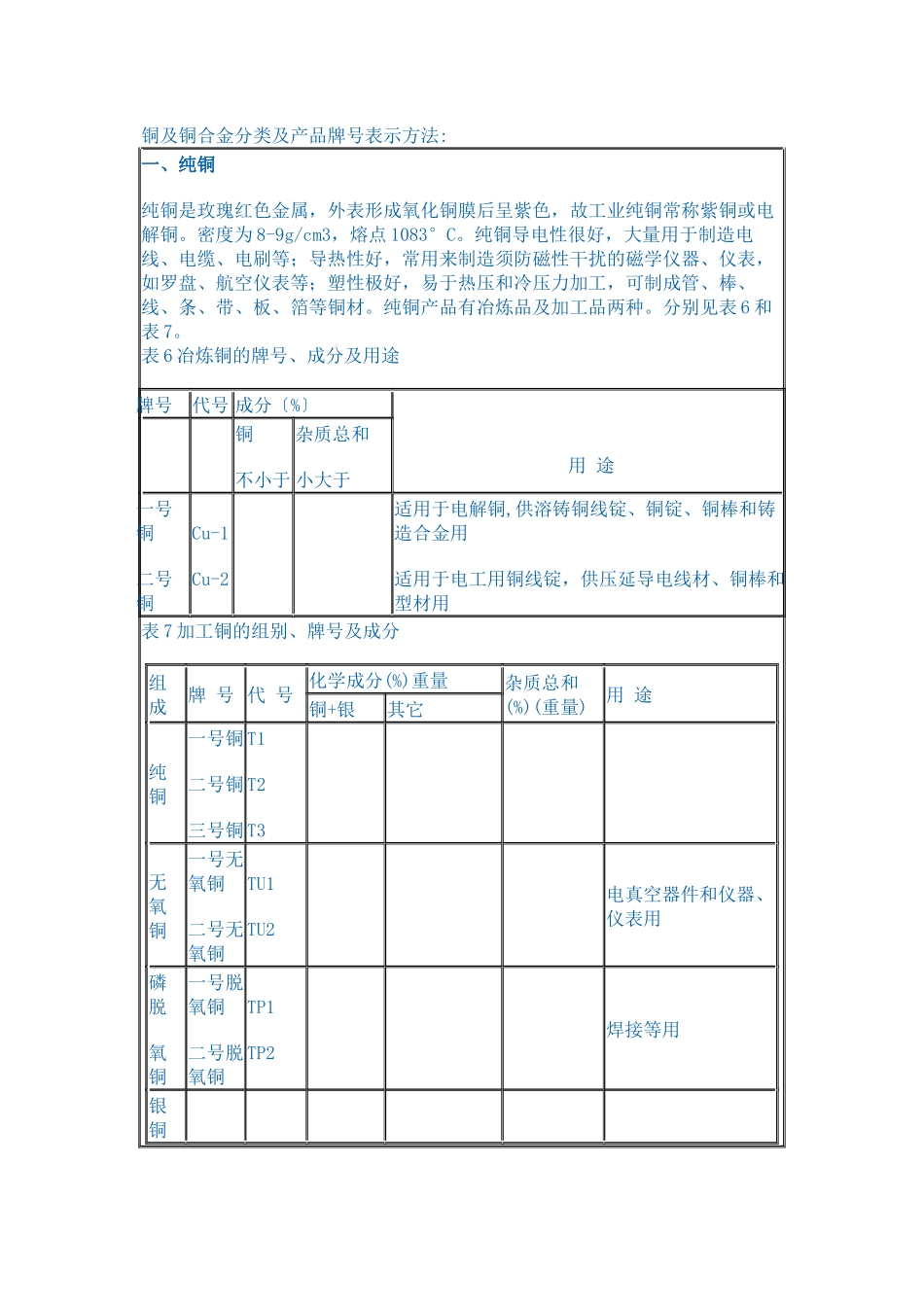
铜及铜合金分类及产品牌号表示方法:一、纯铜纯铜是玫瑰红色金属,外表形成氧化铜膜后呈紫色,故工业纯铜常称紫铜或电解铜。密度为 8-9g/cm3,熔点 1083°C。纯铜导电性很好,大量用于制造电线、电缆、电刷等;导热性好,常用来制造须防磁性干扰的磁学仪器、仪表,如罗盘、航空仪表等;塑性极好,易于热压和冷压力加工,可制成管、棒、线、条、带、板、箔等铜材。纯铜产品有冶炼品及加工品两种。分别见表 6 和表 7。表 6 冶炼铜的牌号、成分及用途牌号代号 成分〔%〕 用 途 铜不小于杂质总和小大于一号铜二号铜Cu-1Cu-2适用于电解铜,供溶铸铜线锭、铜锭、铜棒和铸造合金用适用于电工用铜线锭,供压延导电线材、铜棒和型材用表 7 加工铜的组别、牌号及成分组 成牌 号 代 号化学成分(%)重量杂质总和(%)(重量)用 途铜+银其它纯铜一号铜二号铜三号铜T1T2T3 无氧铜一号无氧铜二号无氧铜TU1TU2 电真空器件和仪器、仪表用磷脱氧铜一号脱氧铜二号脱氧铜TP1TP2焊接等用银铜 二、铜合金〔1〕黄铜黄铜是铜与锌的合金。最简单的黄铜是铜——锌二元合金,称为简单黄铜或普通黄铜。改变黄铜中锌的含量可以得到不同机械性能的黄铜。黄铜中锌的含量越高,其强度也较高,塑性稍低。工业中采纳的黄铜含锌量不超过 45%,含锌量再高将会产生脆性,使合金性能变坏。为了改善黄铜的某种性能,在一元黄铜的根底上参加其它合金元素的黄铜称为特别黄铜。常用的合金元素有硅、铝、锡、铅、锰、铁与镍等。在黄铜中加铝能提高黄铜的屈服强度和抗腐蚀性,稍降低塑性。含铝小于 4%的黄铜具有良好的加工、铸造等综合性能。在黄铜中加 1%的锡能显著改善黄铜的抗海水和海洋大气腐蚀的能力,因此称为“海军黄铜〞。锡还能改善黄铜的切削加工性能。黄铜加铅的主要目的是改善切削加工性和提高耐磨性,铅对黄铜的强度影响不大。锰黄铜具有良好的机械性能、热稳定性和抗蚀性;在锰黄铜中加铝,还可以改善它的性能,得到外表光洁的铸件。黄铜可分为铸造和压力加工两类产品。常用加工黄铜的化学成分,见表 8。表 8 常用加工黄铜的化学成分组别代号主要化学成分〔%〕〔重量〕杂质总和(%)(重量)铜锌其它合金元素普通黄铜H96H90H80H68H62H59余量 铅黄铜HPb63-3HPb59-1余量锡黄铜HSn62-1余量加砷黄铜HSn70-1余量铝黄HAl60-1-1余铜量铁黄铜HFe59-1-1余量铁 0.6-1.2,铝 0.1-0.5,HFe58-1-1锰黄铜HMn58-2余量镍黄铜HNi65-5余量硅黄铜HSi80-3余量(2)青铜青铜是历史上应...

1、当您付费下载文档后,您只拥有了使用权限,并不意味着购买了版权,文档只能用于自身使用,不得用于其他商业用途(如 [转卖]进行直接盈利或[编辑后售卖]进行间接盈利)。
2、本站所有内容均由合作方或网友上传,本站不对文档的完整性、权威性及其观点立场正确性做任何保证或承诺!文档内容仅供研究参考,付费前请自行鉴别。
3、如文档内容存在违规,或者侵犯商业秘密、侵犯著作权等,请点击“违规举报”。

碎片内容

铜及铜合金分类及产品牌号表示方法

确认删除?
VIP
微信客服
  • 扫码咨询
会员Q群
  • 会员专属群点击这里加入QQ群
客服邮箱
回到顶部