电脑桌面
添加小米粒文库到电脑桌面
安装后可以在桌面快捷访问

一级建造师水利实务-学习笔记

一级建造师水利实务-学习笔记_第1页
1/30
一级建造师水利实务-学习笔记_第2页
2/30
一级建造师水利实务-学习笔记_第3页
3/30
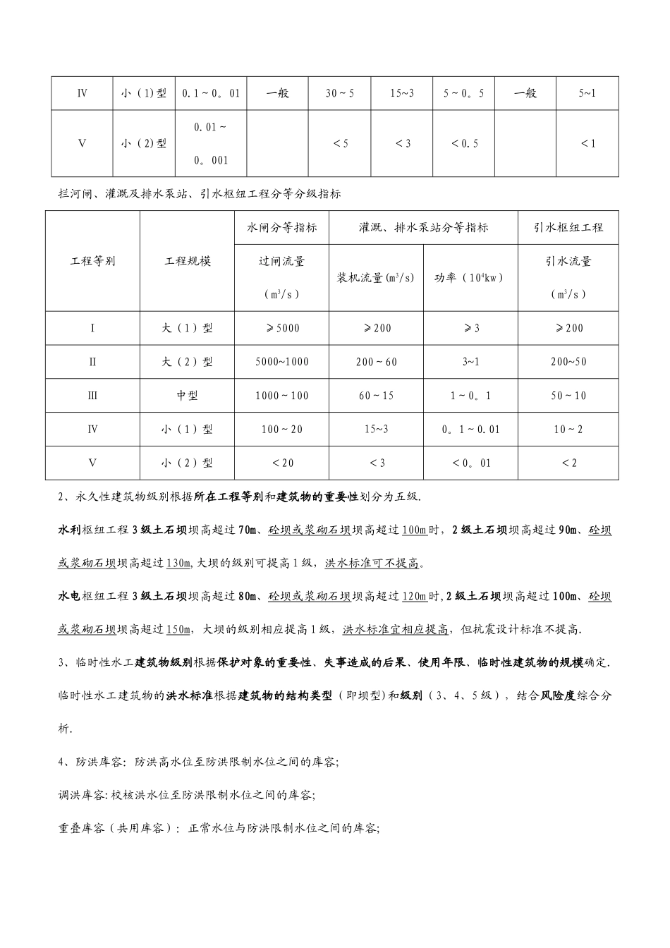
一级建造师水利实务—学习笔记1F411010 勘测1、水准仪的使用步骤:⑴安装仪器和粗略整平;⑵ 调校和校准;⑶精确整平和度数。2、经纬仪的使用步骤:⑴ 对中;⑵ 整平;⑶照准;⑷读数.3、平面位置放样方法:⑴ 直角交会法;⑵极坐标法;⑶角度交会法;⑷距离交会法。4、高程放样方法:⑴水准测量法;⑵光电测距三角高程发;⑶解析三角高程法;⑷视距法。5、使用经纬仪替代水准仪进行高程放样:放样点距离控制点不大于 50m,必须采纳正倒镜置平法读数。6、砼建筑物立模细部轮廓点的放样位置,以距设计线 0.2~0。5m 为宜;土石坝填筑点,可按设计位置测设。7、采纳视准线监测的围堰变形点,其偏离视准线的距离不应大于(20)mm。8、建筑物基础块(第一层)轮廓点的放样,必须全部采纳相互独立的方法进行检核。放样和检核点位之差不应大于(√2)m(m 为轮廓点的测量放样中误差)。9、开挖工程量测量:开挖区原始地形、断面测量;开挖轮廓点放样;竣施工场地形、断面测量和工程量测算。填筑工程量测算,独立两次对同一工程量测算体积之较差,小于(3)%时,取中数作为最后值。开挖工程量测算,体积差值小于 5%(岩石)和 7%(土方)时,取中数作为最后值。10、现场原位测试:触探试验、承压板载荷试验、原位直剪试验以及地应力量测等;室内试验包括:岩、土体样品的物理性质、水理性质和力学性质参数的测定.11、料场储量,在初查阶段(可行性讨论阶段),勘察储量一般不少于设计需要量的 3 倍,勘察储量与实际储量误差,应不超过 40%;详查阶段(初步设计阶段)勘察储量一般不少于设计需要量的 2 倍,误差应不超过 15%。12、距离丈量方法:a。用钢尺或经过比长的皮尺丈量,以不超过一尺段为宜;b。用视距法测定,其视距长度不大于 50m。预裂爆破放样,不宜采纳视距法;c。用视差法测定,端点法线长度不大于 70m;d.细部点的高程放样,可采纳支线水准,光电测距三角高程或经纬仪置平测高法。13、边坡变形破坏形式:松弛张裂、蠕动变形、倒塌、滑坡.14、软土基坑开挖的降排水有两种途径:明排法和人工降水。其中,人工降水常常采纳轻型井点或管井井点降水方式。人工降水:在基坑周围钻设一些管井,将地下水汇合于井中抽出,使地下水位降到开挖基坑底部以下。⑴ 明排法的适用:地基为岩基或粒径较粗、渗透系数较大的砂卵石覆盖层,不易产生流砂、流土、潜蚀、管涌、淘空、塌陷等现象的黏性土、砂土、碎石土底层;基坑地下水位超过基础底板或洞底标高不大于...

1、当您付费下载文档后,您只拥有了使用权限,并不意味着购买了版权,文档只能用于自身使用,不得用于其他商业用途(如 [转卖]进行直接盈利或[编辑后售卖]进行间接盈利)。
2、本站所有内容均由合作方或网友上传,本站不对文档的完整性、权威性及其观点立场正确性做任何保证或承诺!文档内容仅供研究参考,付费前请自行鉴别。
3、如文档内容存在违规,或者侵犯商业秘密、侵犯著作权等,请点击“违规举报”。

碎片内容

一级建造师水利实务-学习笔记

确认删除?
VIP
微信客服
  • 扫码咨询
会员Q群
  • 会员专属群点击这里加入QQ群
客服邮箱
回到顶部