电脑桌面
添加小米粒文库到电脑桌面
安装后可以在桌面快捷访问

业务科申报受理单及特种设备现场检验资料清单

业务科申报受理单及特种设备现场检验资料清单_第1页
1/8
业务科申报受理单及特种设备现场检验资料清单_第2页
2/8
业务科申报受理单及特种设备现场检验资料清单_第3页
3/8
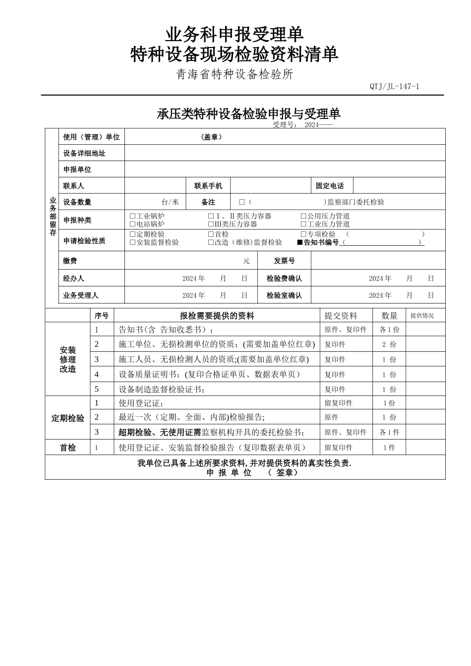
业务科申报受理单特种设备现场检验资料清单青海省特种设备检验所QTJ/JL-147-1 承压类特种设备检验申报与受理单 受理号: 2024—— 业务部留存使用(管理)单位 (盖章)设备详细地址 申报单位联系人联系手机固定电话 设备数量 台/米备注 □( )监察部门委托检验申报种类□工业锅炉 □Ⅰ、Ⅱ类压力容器 □公用压力管道□电站锅炉 □Ⅲ类压力容器 □工业压力管道申请检验性质□定期检验 □首检 □专项检验 ( )□安装监督检验 □改造(维修)监督检验 ■告知书编号( ) 缴费 元发票号经办人 2024 年 月 日检验费确认 2024 年 月 日业务受理人 2024 年 月 日检验室确认 2024 年 月 日序号报检需要提供的资料提交资料数量提供情况安装修理改造1告知书(含 告知收悉书);原件、复印件各 1 份2施工单位、无损检测单位的资质;(需要加盖单位红章) 复印件2 份3施工人员、无损检测人员的资质;(需要加盖单位红章)复印件1 份4设备质量证明书;(复印合格证单页、数据表单页)复印件1 份5设备制造监督检验证书;复印件1 份定期检验1使用登记证;留复印件1 份2最近一次(定期、全面、内部)检验报告;原件1 份3超期检验、无使用证需监察机构开具的委托检验书;原件、复印件各 1 件首检1使用登记证、安装监督检验报告(复印数据表单页)留复印件1 件我单位已具备上述所要求资料,并对提供资料的真实性负责.申 报 单 位 ( 签章)检验部门留存 检验通知单 受理号:2024-- 告知书编号: 申报单位: 使用单位: 设备地址: 申报种类: 检验类别: 数量: 台 / 米 受检联系人: 联系电话: 检验申请已受理,检验人员依据国家有关规定检验.2024 年 月 日申报单位留存特种设备检验受理回执 受理号:2024—- 你单位设备检验申请已受理, 我所检验人员将及时安排检验。相关部门联系电话:□承压一科(电话:0971—6141631 18997289556 郭主任) □承压二科(电话:0971-6142024 13997252267 童主任)业务部: 0971—6331578 缴费: 0971—6317387报告查询: 0971-6319672 安全阀: 0971—6274942 2024 年 月 日保存期限 4 年QTJ/JL—147-2保存期限 4 年青海省特种设备检验所QTJ/JL—148—1机电类特种设备检验申报受理单 受理号: 2024- 锅 炉锅炉序号型号注册代码/出厂编号使用证号功率(t/h)备注12345678910容 器容器序号名称介质注册代码/出厂编号使用证号容积 m3类别...

1、当您付费下载文档后,您只拥有了使用权限,并不意味着购买了版权,文档只能用于自身使用,不得用于其他商业用途(如 [转卖]进行直接盈利或[编辑后售卖]进行间接盈利)。
2、本站所有内容均由合作方或网友上传,本站不对文档的完整性、权威性及其观点立场正确性做任何保证或承诺!文档内容仅供研究参考,付费前请自行鉴别。
3、如文档内容存在违规,或者侵犯商业秘密、侵犯著作权等,请点击“违规举报”。

碎片内容

业务科申报受理单及特种设备现场检验资料清单

您可能关注的文档

确认删除?
VIP
微信客服
  • 扫码咨询
会员Q群
  • 会员专属群点击这里加入QQ群
客服邮箱
回到顶部