电脑桌面
添加小米粒文库到电脑桌面
安装后可以在桌面快捷访问

主变电所硐室、通道施工组织设计

主变电所硐室、通道施工组织设计_第1页
1/36
主变电所硐室、通道施工组织设计_第2页
2/36
主变电所硐室、通道施工组织设计_第3页
3/36
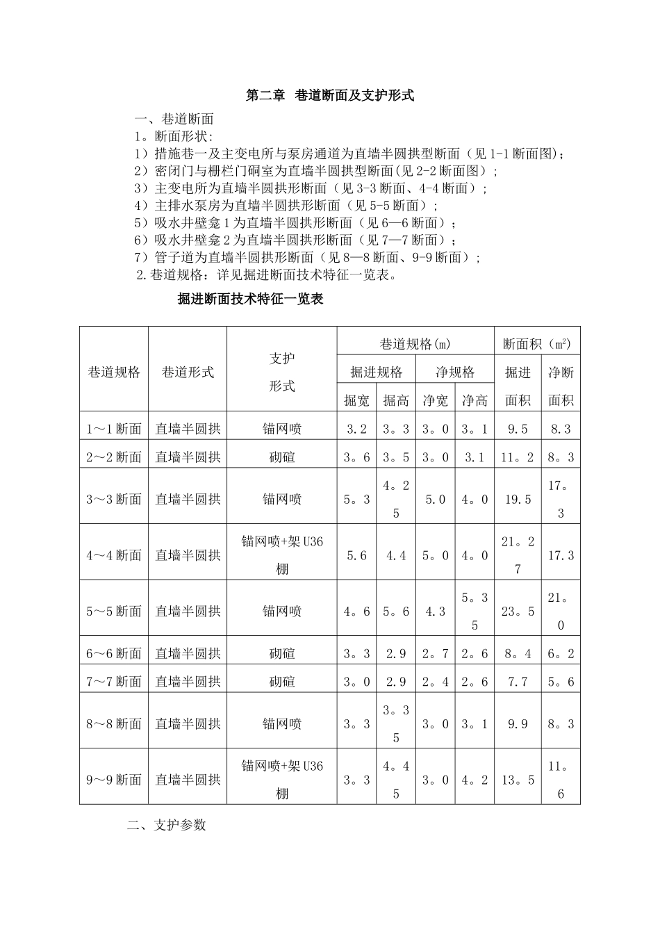
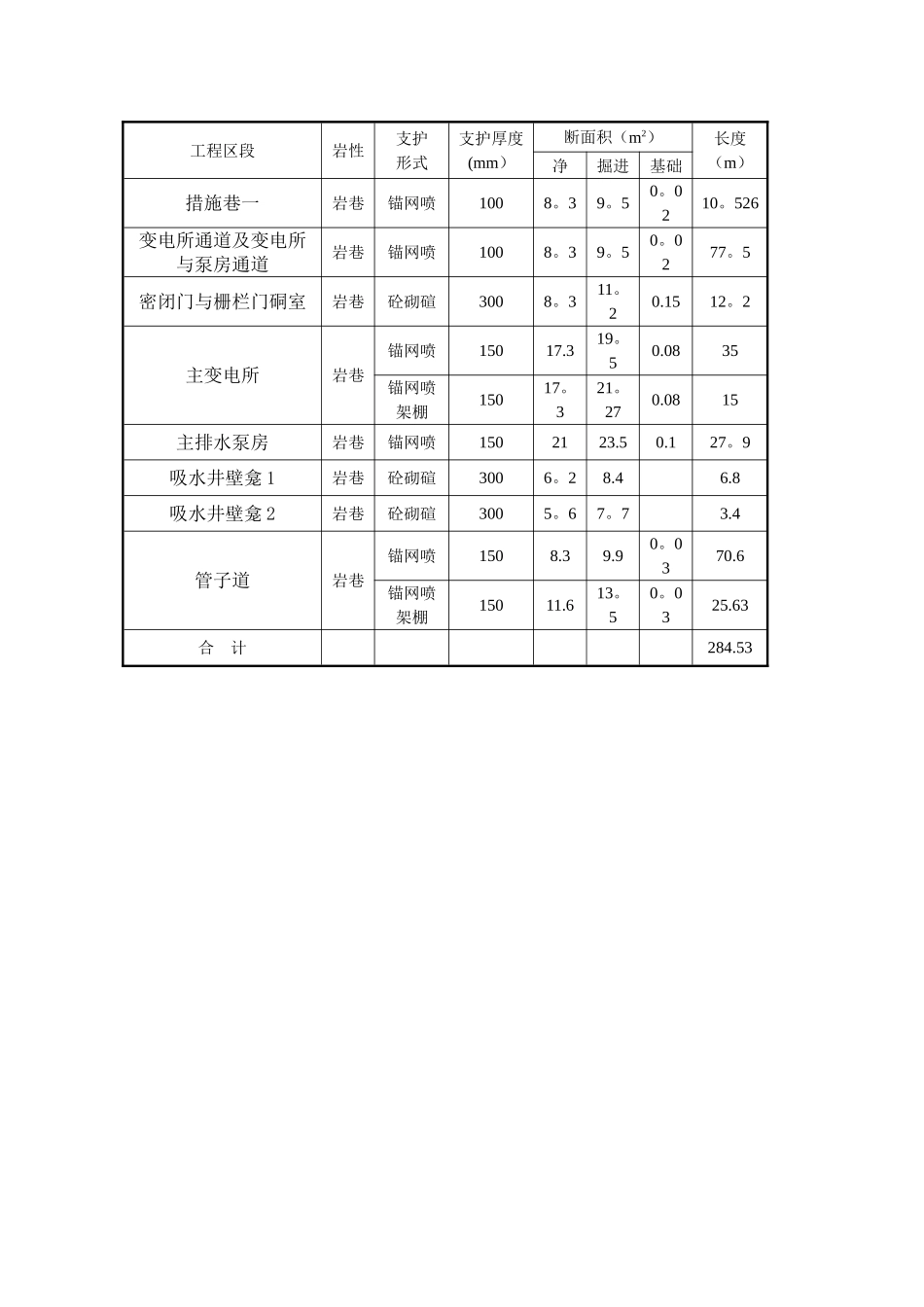
编制依据及施工组织设计主要特点1、编制依据(1)华晋焦煤有限责任公司沙曲二矿主变电所硐室、通道及措施巷平、剖、断面图(S1154 二矿-137G-1);(2)华晋焦煤有限责任公司沙曲二矿主变电所通道密闭门、栅栏门平、剖、断面图(S1154 二矿-137G—2);(3)华晋焦煤有限责任公司沙曲二矿主变电所与泵房通道密闭门、栅栏门平、剖、断面图(S1154 二矿—137G-3);(4)《山西省煤矿安全质量标准化标准及考核评级办法》(5)《矿山井巷工程施工及验收法律规范》;(6)2024 版《煤矿安全规程》;2、施工组织设计主要特点(1)施工方案的选择是经过慎重的技术比较,以可行、可靠的成熟经验,能实现快速、优质、安全、高效为首要原则。(2)采纳“光面爆破”施工法,加强爆破成形的效果,以达到快速、高效、节能。(3)配备 YT-29 型气腿式凿岩机、P—90B 型耙矸机、HPV 型混凝土喷射机等配套的机械化施工装备.(4)施工进度根据进度指标,在施工安排上进行了优化,更能保证在工期内完成任务。(5)以人为本,但不以“多"而攻坚,而以“合理”为标准,以“高技能”和“合理组织”为效用.第一章 工程概况华晋焦煤有限责任公司沙曲二矿井底主变电所及主排水泵房分别是为沙曲二矿井下所有用电地点提供电源及井下排水的重要工程,服务年限与矿井同步;管子道是为铺设泵房排水管路,及作为水害发生时通风、运送设备的重要通道。其中主要包括以下工程:措施巷一 10.526m、变电所通道及变电所与泵房通道77.5m、密闭门与栅栏门硐室 12。2m、主变电所 50m、主排水泵房 27.9m、吸水井壁龛 1(2 个)6.8m、吸水井壁龛 2(1 个)3.4m、管子道 96。207m,总工程量为 284。53m。详见工程量一览表.工程量一览表工程区段岩性支护形式支护厚度(mm)断面积(m2)长度(m)净掘进基础措施巷一岩巷锚网喷1008。39。50。0210。526变电所通道及变电所与泵房通道岩巷锚网喷1008。39。50。0277。5密闭门与栅栏门硐室岩巷砼砌碹3008。311。20.1512。2主变电所岩巷锚网喷15017.319。50.0835锚网喷架棚15017。321。270.0815主排水泵房岩巷锚网喷1502123.50.127。9吸水井壁龛 1岩巷砼砌碹3006。28.46.8吸水井壁龛 2岩巷砼砌碹3005。67。73.4管子道岩巷锚网喷1508.39.90。0370.6锚网喷架棚15011.613。50。0325.63合 计284.53第二章 巷道断面及支护形式一、巷道断面1。断面形状:1)措施巷一及主变电所与泵房通道为直墙半圆拱型断面(见 1-1 断面图);2)密闭门与栅栏门硐室为直...

1、当您付费下载文档后,您只拥有了使用权限,并不意味着购买了版权,文档只能用于自身使用,不得用于其他商业用途(如 [转卖]进行直接盈利或[编辑后售卖]进行间接盈利)。
2、本站所有内容均由合作方或网友上传,本站不对文档的完整性、权威性及其观点立场正确性做任何保证或承诺!文档内容仅供研究参考,付费前请自行鉴别。
3、如文档内容存在违规,或者侵犯商业秘密、侵犯著作权等,请点击“违规举报”。

碎片内容

主变电所硐室、通道施工组织设计

您可能关注的文档

确认删除?
VIP
微信客服
  • 扫码咨询
会员Q群
  • 会员专属群点击这里加入QQ群
客服邮箱
回到顶部