电脑桌面
添加小米粒文库到电脑桌面
安装后可以在桌面快捷访问

二级安全标准化安全检查表

二级安全标准化安全检查表_第1页
1/22
二级安全标准化安全检查表_第2页
2/22
二级安全标准化安全检查表_第3页
3/22
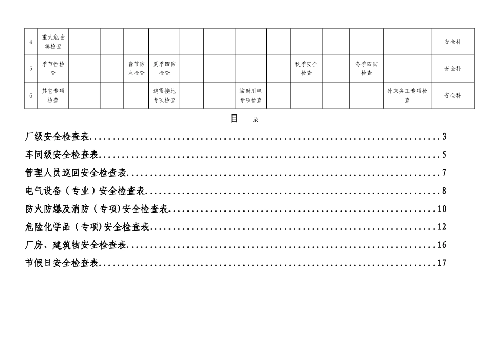
安 全 检 查 表编 制:安全生产领导小组审 核: 批 准: xxxxxxxx 化工有限公司发布日期: 2024 年 x 月 实施日期: 201x 年 x 月 x 日xxxxx 厂安全检查及隐患排查计划序号检查名称完成时间(单位:月份)责任部门1234567891011121综合检查节假日综合检查 夏季综合检查 安全月综合检查 冬季综合检查 一厂各部门2节假日检查春节前检查 国庆节前检查 一厂各部门3月度检查 安全科4重大危险源检查 安全科5季节性检查 春节防火检查 夏季四防检查 秋季安全检查 冬季四防检查 安全科6其它专项检查 避雷接地专项检查 临时用电专项检查 外来务工专项检查 安全科目 录厂级安全检查表............................................................................3车间级安全检查表..........................................................................5管理人员巡回安全检查表....................................................................7电气设备(专业)安全检查表................................................................8防火防爆及消防(专项)安全检查表..........................................................10危险化学品(专项)安全检查表..............................................................12厂房、建筑物安全检查表...................................................................16节假日安全检查表.........................................................................17安全月度综合检查表检查人: 检查时间:目的对生产过程及安全管理中可能存在的隐患、有害危险因素、缺陷等进行查证 ,查找不安全因素和不安全行为,以确保隐患或有害、危险因素或缺陷存在状态,以及它们转化为事故的条件,以制定整改措施,消除或控制隐患和有害与危险因素,确保生产安全,使企业符合安全标准化法律规范的要求。要求根据安全标准化法律规范的要求仔细检查,查出不符合项。对查出问题及时处理,临时无法处理得应实行有效的预防措施,并立即向安全领导小组汇报。检查内容见检查项目检查计划每月不少于一次检查序号检查项目检查标准检查方法(或依据)检查评价符合不符合及主要问题1工艺管理1、岗位操作人员 严格遵守操作规程.2、各联锁装置必须投用,完好.拆除、恢复连锁装置必须履行相关手续。3、冬季防冻防凝保温、夏季防暑降温措施完好。查现场查记录2设...

1、当您付费下载文档后,您只拥有了使用权限,并不意味着购买了版权,文档只能用于自身使用,不得用于其他商业用途(如 [转卖]进行直接盈利或[编辑后售卖]进行间接盈利)。
2、本站所有内容均由合作方或网友上传,本站不对文档的完整性、权威性及其观点立场正确性做任何保证或承诺!文档内容仅供研究参考,付费前请自行鉴别。
3、如文档内容存在违规,或者侵犯商业秘密、侵犯著作权等,请点击“违规举报”。

碎片内容

二级安全标准化安全检查表

您可能关注的文档

确认删除?
VIP
微信客服
  • 扫码咨询
会员Q群
  • 会员专属群点击这里加入QQ群
客服邮箱
回到顶部