电脑桌面
添加小米粒文库到电脑桌面
安装后可以在桌面快捷访问

人力资源管理工作分析案例

人力资源管理工作分析案例_第1页
1/23
人力资源管理工作分析案例_第2页
2/23
人力资源管理工作分析案例_第3页
3/23
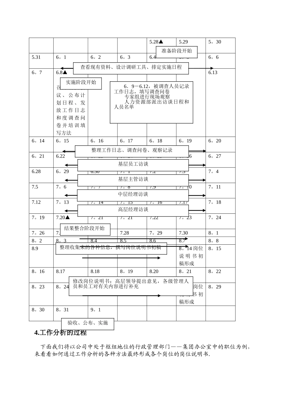
万家公司工作分析案例.................................................................................................................................11。公司背景...................................................................................................................................................12.项目目标......................................................................................................................................................13。工作分析的准备工作...............................................................................................................................23。1 成立工作分析项目实施小组........................................................................................................23。2 准备相关的资料............................................................................................................................23。3 设计有关讨论工具........................................................................................................................23.4 制定工作分析的实施程序和时间表...............................................................................................34。工作分析的过程.......................................................................................................................................44。1 基本信息........................................................................................................................................44。2 信息收集的过程............................................................................................................................64.2.1 工作日志................................................................................................................................64.2。2 填写调查问卷.....................................................................................................................74.2。3 访谈....................................................................................

1、当您付费下载文档后,您只拥有了使用权限,并不意味着购买了版权,文档只能用于自身使用,不得用于其他商业用途(如 [转卖]进行直接盈利或[编辑后售卖]进行间接盈利)。
2、本站所有内容均由合作方或网友上传,本站不对文档的完整性、权威性及其观点立场正确性做任何保证或承诺!文档内容仅供研究参考,付费前请自行鉴别。
3、如文档内容存在违规,或者侵犯商业秘密、侵犯著作权等,请点击“违规举报”。

碎片内容

人力资源管理工作分析案例

您可能关注的文档

确认删除?
VIP
微信客服
  • 扫码咨询
会员Q群
  • 会员专属群点击这里加入QQ群
客服邮箱
回到顶部