电脑桌面
添加小米粒文库到电脑桌面
安装后可以在桌面快捷访问

人防工程主体结构验收程序

人防工程主体结构验收程序_第1页
1/5
人防工程主体结构验收程序_第2页
2/5
人防工程主体结构验收程序_第3页
3/5
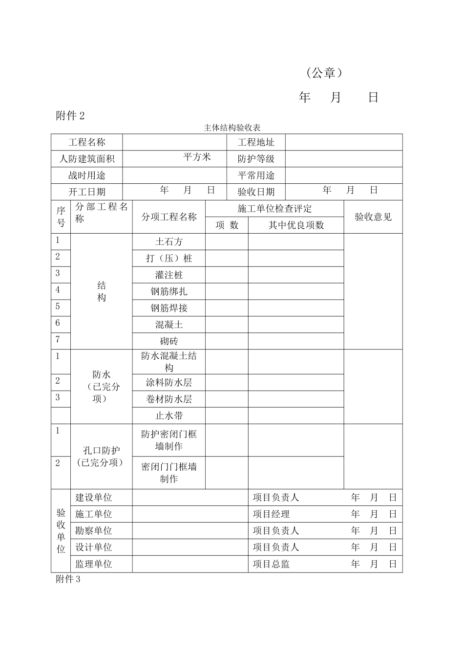
人防工程主体结构验收程序一、主体结构验收申报条件 人防地下室主体土建结构完成后(后浇带封闭为宜),在建设单位、施工单位、监理单位自检的基础上,由建设单位向市人防质检站填报《人防工程主体结构验收申请表》(附表 1),同时提交人防工程质量检验评定相关资料,并约定验收时间。二、申报资料审核 我站收到上述申报资料后,及时组织人员进行审核。三、通知验收时间 我站根据实际情况安排结构验收时间,并及时通知建设单位做好相关验收准备:1、做好现场卫生清理工作;2、做好现场安全维护工作;3、做好现场临时照明线路安装工作;4、人防工程预埋设备的清理;5、施工单位编制《人防工程结构验收汇报材料》,监理单位编制《人防工程结构验收质量评估报告》。 《人防工程结构验收汇报材料》包括下述内容:1、参建各方主体;2、工程概况(含人防部分的基本概况);3、施工情况(模板、钢筋、混凝土、防水安装)等;4、质量保证资料情况;5、人防工程质量检验评定表分部分项工程质量评定情况;6、自评结论。 《人防工程结构验收质量评估报告》主要包括:1、监理单位质量责任行为的履行情况(如是否依法承揽工程、签订书面合同且资质相符;建立以总监为中心的现场工程质量保证体系,制定专业人员岗位责任制,对隐蔽工程、检验批、分部、分项工程及时进行验收签证等情况);监理单位执行监理工程法律规范的情况。2、在施工过程中,执行国家有关法律、法规、强制性标准、强制性条文和设计文件情况;(如是否严格执行工程质量报验制度,建筑材料进场检验制度,见证取样制度等).3、施工过程中签发的“监理工程师通知单”、“监理工程师通知回复单"以及监督机构签发的“质量问题整改通知单”是否监督施工单位按要求按时限落实整改,并组织复查。4、工程质量核查是否满足设计及法律规范。5、对工程遗留质量缺陷的处理意见。6、执行旁站、巡视、平行检验监理形式的情况。7、其他需说明的情况。8、自评结论。四、现场检查验收(一)土建部分:1、混凝土观感质量(有无蜂窝、麻面、漏筋等,平整度情况);2、外墙渗漏情况(渗漏点处理);3、人防钢筋混凝土墙支模螺杆是否使用止水螺杆;4、人防围护结构是否有随意穿凿的洞口;5、人防防护密闭门门顶横档梁是否锚入墙体两侧墙柱;6、门 框 墙 的 钢 筋 保 护 层 厚 度 以 及 混 凝 土 强 度 ( 用 钢 筋 测 距 仪 以 及 回弹仪测定);7、人防门门槛、临战封堵门槛是否一次浇捣成型;(...

1、当您付费下载文档后,您只拥有了使用权限,并不意味着购买了版权,文档只能用于自身使用,不得用于其他商业用途(如 [转卖]进行直接盈利或[编辑后售卖]进行间接盈利)。
2、本站所有内容均由合作方或网友上传,本站不对文档的完整性、权威性及其观点立场正确性做任何保证或承诺!文档内容仅供研究参考,付费前请自行鉴别。
3、如文档内容存在违规,或者侵犯商业秘密、侵犯著作权等,请点击“违规举报”。

碎片内容

人防工程主体结构验收程序

您可能关注的文档

确认删除?
VIP
微信客服
  • 扫码咨询
会员Q群
  • 会员专属群点击这里加入QQ群
客服邮箱
回到顶部