电脑桌面
添加小米粒文库到电脑桌面
安装后可以在桌面快捷访问

2025年造价员试题

2025年造价员试题_第1页
1/8
2025年造价员试题_第2页
2/8
2025年造价员试题_第3页
3/8
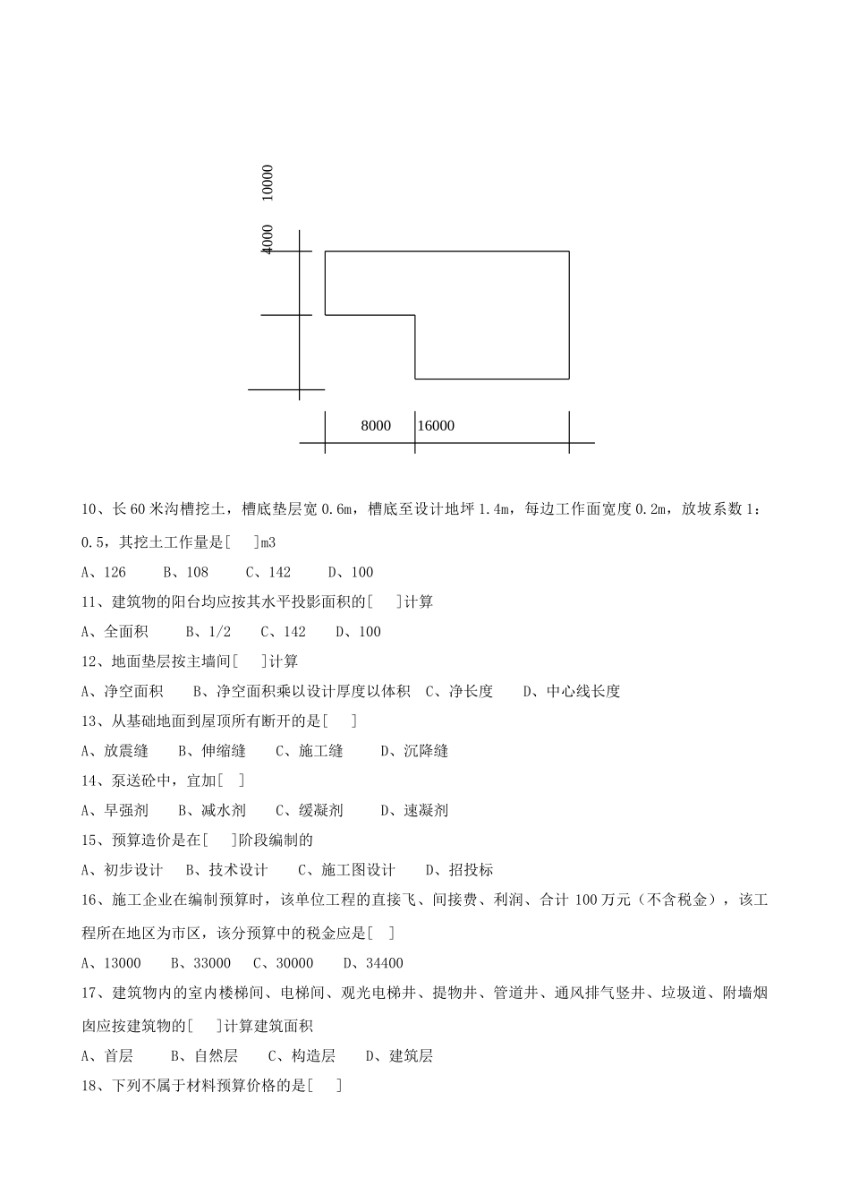
一、单项选择(只有一种答案是对的的,)1、单层建筑物高度在[ ]米及以上者计算建筑面积A、2.10 B、2.20 C、3.0 D、3.62、挖土自[ ]标高开始算起A、自然地坪 B、设计室外地坪 C、设计室内地坪 D、实际地坪3、砌筑毛石基础增长工作面宽度为[ ]A、20cm B、15cm C、30cm D、80cm4.《建设工程施工协议(示范文本)》由三部分构成,下列选项中不属于其构成内容的是( )。A.施工协议书 B.协议书 C.通用条款 D.专用条款5、砖围墙应以[ ]地坪为界,如下为基础,以上为墙身A、自然 B、设计室外 C、设计室内 D、室内外6、砌筑外墙和内墙的长度应分别按[ ]计算A、外边线、中心线 B、中心线、净长线 C、外边线、净长线 D、中心线、中心线7、屋顶女儿墙部分高度,厚度在[ ]以内者,执行栏板定额,[ ]以上者执行女儿墙定额A、5cm、6cm B、8cm、8cm C、10cm、10cm D、12cm、12cm8、现浇砼雨蓬、阳台的工程量按设计图示尺寸以[ ]计算A、伸出外墙的体积 B、体积 C、面积 D、伸出外墙的面积9、某建筑物外墙外边线尺寸如图所示,则其平整场地的工程量为[ ]A、304m2 B、336m2 C、476m2 D、428m2 10、长 60 米沟槽挖土,槽底垫层宽 0.6m,槽底至设计地坪 1.4m,每边工作面宽度 0.2m,放坡系数 1:0.5,其挖土工作量是[ ]m3A、126 B、108 C、142 D、10011、建筑物的阳台均应按其水平投影面积的[ ]计算A、全面积 B、1/2 C、142 D、10012、地面垫层按主墙间[ ]计算A、净空面积 B、净空面积乘以设计厚度以体积 C、净长度 D、中心线长度13、从基础地面到屋顶所有断开的是[ ]A、放震缝 B、伸缩缝 C、施工缝 D、沉降缝14、泵送砼中,宜加[ ]A、早强剂 B、减水剂 C、缓凝剂 D、速凝剂15、预算造价是在[ ]阶段编制的A、初步设计 B、技术设计 C、施工图设计 D、招投标16、施工企业在编制预算时,该单位工程的直接飞、间接费、利润、合计 100 万元(不含税金),该工程所在地区为市区,该分预算中的税金应是[ ]A、13000 B、33000 C、30000 D、3440017、建筑物内的室内楼梯间、电梯间、观光电梯井、提物井、管道井、通风排气竖井、垃圾道、附墙烟囱应按建筑物的[ ]计算建筑面积A、首层 B、自然层 C、构造层 D、建筑层18、下列不属于材料预算价格的是[ ]8000 16000 4000 10000A、材料原价 B、材料包装费 C、材料采购保管费 D、材料二次搬运费19、材料预算价格是指材料历来源地抵达[ ]的价格A...

1、当您付费下载文档后,您只拥有了使用权限,并不意味着购买了版权,文档只能用于自身使用,不得用于其他商业用途(如 [转卖]进行直接盈利或[编辑后售卖]进行间接盈利)。
2、本站所有内容均由合作方或网友上传,本站不对文档的完整性、权威性及其观点立场正确性做任何保证或承诺!文档内容仅供研究参考,付费前请自行鉴别。
3、如文档内容存在违规,或者侵犯商业秘密、侵犯著作权等,请点击“违规举报”。

碎片内容

2025年造价员试题

您可能关注的文档

卷上珠帘+ 关注
实名认证
内容提供者

该用户很懒,什么也没介绍

确认删除?
VIP
微信客服
  • 扫码咨询
会员Q群
  • 会员专属群点击这里加入QQ群
客服邮箱
回到顶部