电脑桌面
添加小米粒文库到电脑桌面
安装后可以在桌面快捷访问

2025年PLC试题库及答案VIP专享

2025年PLC试题库及答案_第1页
1/5
2025年PLC试题库及答案_第2页
2/5
2025年PLC试题库及答案_第3页
3/5
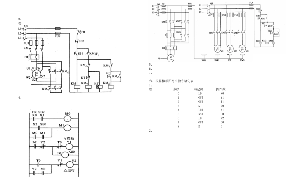
一、填空1、可编程控制器得硬件构成与微型计算机相似,其主机由 CPu、存储器、输入偷出接口、电源等几大部分构成。2、输入输出信号有开关量、模拟量、数字量三种类型。 3、可编程控制器得输出有三种形式:一种就是晶闸管输出、一种就是继电器输出、晶体管输出。 4、一般将输入/输出总点数在 128 点以内得 PLC 称为小型 PLC;输入/输出总点数不小于128 点、不不小于 1024 点得 PLC 称为中型 PLC;输入/输出总点数超过 1024 点得 PLC 称为大型 PLC。 5、FX2 系列 PLC 基本单元与扩展单元均采用开关电源。开关电源输出DC5V、DC12V、DC24V 三种电压等级得直流电 6、5V 得一路供内部 IC 用,12V 得一路用以驱动输出继电器,24V 得一路提供应顾客以作传感器得电源。 7、SET 指令称为“置位指令”,其功能就是驱动线圈,使其具有自锁功能,维持接通状态。 8、置位指令得操作元件为输出继电器 Y、辅助继电器 M 与状态继电器 S。 9、NOP 指令又称为“空操作指令”。10、END 指令称为“结束指令”。11、“OUT”称为“输出指令”与“驱动指令”。12、“LD”为取指令得助记符。“LDI”为取反指令得助记符。13、双向计数器就就是即可设置为增计数,又可设置为减计数得计数器。14、计数器得设定值除了可由常数 K 直接设定外,还可通过指定数据寄存器得元件号来间接设定。15、状态元件 S 在步进顺控程序得编程中就是一类非常重要得软元件,它与后述得步进顺控指令 STL 组合使用。16、辅助继电器得线圈与输出继电器同样,由 PLC 内部各元件得触点驱动。。17.辅助继电器得电子常开与常闭触点使用次数不限,在 PLC 内可自由使用。18.辅助继电器不能直接驱动外部负载,外部负载只能由输出继电器驱动。19.ANB 指令就是电路块与指令,ORB 就是电路块或指令,与 and、or 指令不一样 20.MC 指令就是多路输出指令中得主控指令,MCR 与其配合使用称为主控复位指令。21.在 PLC 栈操作中,有进栈指令 MPS,出栈指令 MPP 与读盏指令 MRD。22.栈操作必须 MPS 与 MPP 成队出现,MRD 指令可以根据应用随意出现。23、 置位指令 SET 驱动线圈,具有自锁功能。RST 为复位指令。24、PLS 为上升沿脉冲指令,PLF 为下降沿脉冲指令,皆输出一种扫描周期得脉冲信号。25、状态继电器可以提供一般得常开、常闭触点。也可以作为一般得辅助继电器使用,这时不能提供步进接点。26、PLC 工作过程分为输入处理、程序处理与输出处理三个阶段,二...

1、当您付费下载文档后,您只拥有了使用权限,并不意味着购买了版权,文档只能用于自身使用,不得用于其他商业用途(如 [转卖]进行直接盈利或[编辑后售卖]进行间接盈利)。
2、本站所有内容均由合作方或网友上传,本站不对文档的完整性、权威性及其观点立场正确性做任何保证或承诺!文档内容仅供研究参考,付费前请自行鉴别。
3、如文档内容存在违规,或者侵犯商业秘密、侵犯著作权等,请点击“违规举报”。

碎片内容

2025年PLC试题库及答案

您可能关注的文档

确认删除?
VIP
微信客服
  • 扫码咨询
会员Q群
  • 会员专属群点击这里加入QQ群
客服邮箱
回到顶部