电脑桌面
添加小米粒文库到电脑桌面
安装后可以在桌面快捷访问

2025年安全员岗位职务说明书

2025年安全员岗位职务说明书_第1页
1/3
2025年安全员岗位职务说明书_第2页
2/3
2025年安全员岗位职务说明书_第3页
3/3
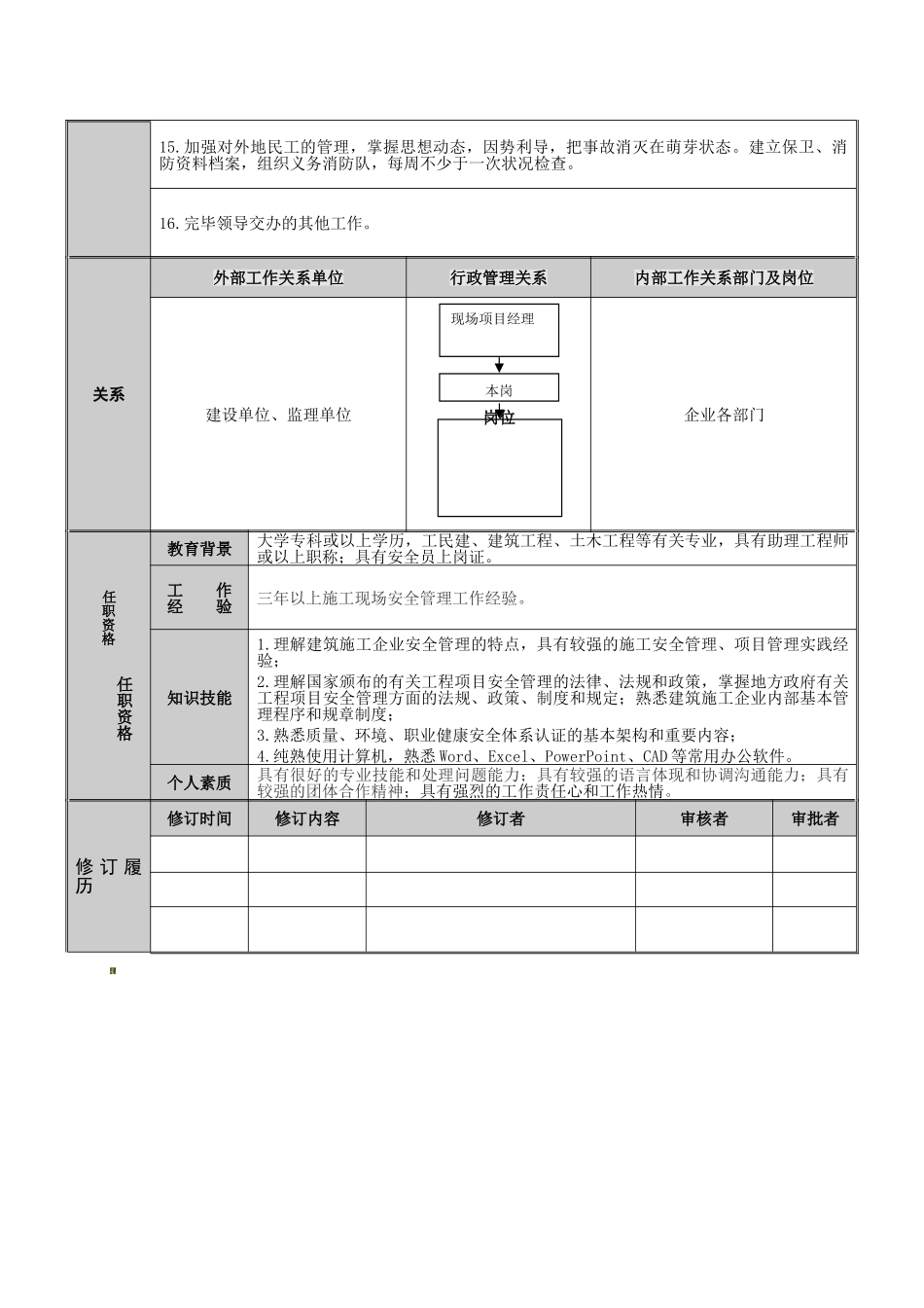
安全员 岗位职务阐明书基本信息岗位名称安全员所属部门工程部直接上级现场项目经理直接下级岗位定编1编 制 人 行政人力资源部岗位概述负责施工现场的安全管理工作。工作职责及工作内容工作职责及工作内容1.协助项目经理建立安全生产保证体系、安全防护保证体系、机械安全保证体系。2.努力学习安全技术知识,熟悉多种安全技术措施、规章制度、原则、规定。 3.参与制定有关环境与职业健康安全生产管理制度和技术规程,并贯彻、检查执行状况。4.负责编制项目安全技术交底、措施、计划及方案、预算。5.检查贯彻各级防火措施,定期组织消防演习工作,保证用火安全;负责安全设施、防护器材、灭火器材的管理。6.深入现场监督检查,及时发现安全隐患,大胆管理,按章办事,不徇私情,坚决制止违章作业,对紧急状况和不听从劝阻者有权停止其工作,并立即上报领导处理。隐瞒不报或未发现隐患,发生安全事故,负失职责任。 7. 做好平常安全巡检,及时发现安全隐患;按照规定的安全检查表,进行遂项检查、评分,进行定量、定性分析进行动态管理。8.检查出的隐患和问题除口头告知有关人员外,必须发书面整改告知,并规定完毕整改时间,督促有关人员及时整改,并规定有关人员将整改状况及时反馈。9.做好安全检查日志记录,保证检查记录有检查部位、检查人、整改措施、整改人和整改时间,做好资料信息反馈。10.汇总月、季、年度工伤事故记录表,汇总月、季、年度未遂事故、查违章次数、隐患次数、罚款记录、安全教育人数、特殊工种变动记录、安全检查次数等。11.加强分包单位的管理,对分包单位施工资质、技术素质进行审查;在签订分包劳务协议步,要有安全质量指标和保证工程安全质量的经济制约措施,保证安全目的的实现。12.组织施工人员学习有关环境、职业健康安全面的法律、法规搞好安全教育和安全技术考核工作;负责新工人入场教育,检查班组岗位的环境、职业健康安全的执行状况。13.贯彻执行国家及省市有关消防保卫的法规、规定、组织制定和审查施工现场的保卫、消防方案和措施。每月对职工进行一次治安、防火的宜传、教育,每季度召开一次治保会,贯彻各级治保责任制。 15.加强对外地民工的管理,掌握思想动态,因势利导,把事故消灭在萌芽状态。建立保卫、消防资料档案,组织义务消防队,每周不少于一次状况检查。16.完毕领导交办的其他工作。关系外部工作关系单位行政管理关系内部工作关系部门及岗位建设单位、监理单位企业各部门任职资格任职资...

1、当您付费下载文档后,您只拥有了使用权限,并不意味着购买了版权,文档只能用于自身使用,不得用于其他商业用途(如 [转卖]进行直接盈利或[编辑后售卖]进行间接盈利)。
2、本站所有内容均由合作方或网友上传,本站不对文档的完整性、权威性及其观点立场正确性做任何保证或承诺!文档内容仅供研究参考,付费前请自行鉴别。
3、如文档内容存在违规,或者侵犯商业秘密、侵犯著作权等,请点击“违规举报”。

碎片内容

2025年安全员岗位职务说明书

您可能关注的文档

卷上珠帘+ 关注
实名认证
内容提供者

该用户很懒,什么也没介绍

确认删除?
VIP
微信客服
  • 扫码咨询
会员Q群
  • 会员专属群点击这里加入QQ群
客服邮箱
回到顶部