电脑桌面
添加小米粒文库到电脑桌面
安装后可以在桌面快捷访问

基于PLC小车自动往返控制

基于PLC小车自动往返控制_第1页
1/5
基于PLC小车自动往返控制_第2页
2/5
基于PLC小车自动往返控制_第3页
3/5
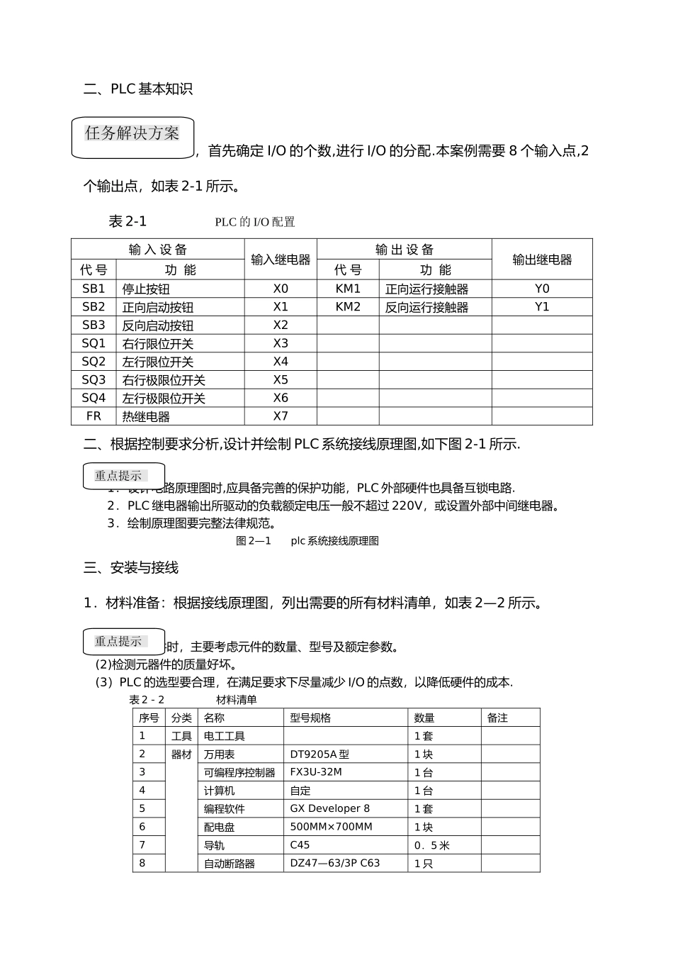
项目课题:基于 PLC 小车自动往返控制2024 年 8 月 项目一:基于 PLC 小车自动往返控制利用 PLC 完成小车自动往返控制线路的安装与调试1、 按下正转启动按钮→正转接触器线圈得电吸合→电动机正向连续运转→小车右行;小车右行碰到 SQ1→小车右行停止,延时 1s 后小车左行。2、 按下反转启动按钮→反转接触器线圈得电吸合→电动机反向连续运转→小车左行;小车左行碰到 SQ2→小车左行停止,延时 1s 后小车右行。3、 按下停止按钮后,电动机停止运转.4、 SQ3、SQ4 为小车运行的左右行极限位开关。5、 控制线路具有短路保护、过载保护等完善的保护措施.6、 各小组发挥团队合作精神,共同设计出 PLC 的 I/O 分配表,电气原理图、正确选择安装所需要的电器元件、法律规范完成线路的安装与配线、正确编制出 PLC 程序,并下载到 PLC 内,完成任务运行调试(空载与带载实验).一、电动机继电器控制线路任务要求任务目标相关理论知识二、PLC 基本知识一、根据控制要求,首先确定 I/O 的个数,进行 I/O 的分配.本案例需要 8 个输入点,2个输出点,如表 2-1 所示。表 2-1 PLC 的 I/O 配置输 入 设 备输入继电器输 出 设 备输出继电器代 号功 能代 号功 能SB1停止按钮X0KM1正向运行接触器Y0SB2正向启动按钮X1KM2反向运行接触器Y1SB3反向启动按钮X2SQ1右行限位开关X3SQ2左行限位开关X4SQ3右行极限位开关X5SQ4左行极限位开关X6FR热继电器X7二、根据控制要求分析,设计并绘制 PLC 系统接线原理图,如下图 2-1 所示.1.设计电路原理图时,应具备完善的保护功能,PLC 外部硬件也具备互锁电路.2.PLC 继电器输出所驱动的负载额定电压一般不超过 220V,或设置外部中间继电器。3.绘制原理图要完整法律规范。图 2—1 plc 系统接线原理图三、安装与接线1.材料准备:根据接线原理图,列出需要的所有材料清单,如表 2—2 所示。(1)选择元件时,主要考虑元件的数量、型号及额定参数。(2)检测元器件的质量好坏。(3)PLC 的选型要合理,在满足要求下尽量减少 I/O 的点数,以降低硬件的成本.表 2-2 材料清单序号分类名称型号规格数量备注1工具电工工具1 套2器材万用表DT9205A 型1 块3可编程序控制器FX3U-32M1 台4计算机自定1 台5编程软件GX Developer 81 套6配电盘500MM×700MM1 块7导轨C450.5 米8自动断路器DZ47—63/3P C631 只任务解决方案重点提示 重点提示 9自动断路器DZ47S C201 只10...

1、当您付费下载文档后,您只拥有了使用权限,并不意味着购买了版权,文档只能用于自身使用,不得用于其他商业用途(如 [转卖]进行直接盈利或[编辑后售卖]进行间接盈利)。
2、本站所有内容均由合作方或网友上传,本站不对文档的完整性、权威性及其观点立场正确性做任何保证或承诺!文档内容仅供研究参考,付费前请自行鉴别。
3、如文档内容存在违规,或者侵犯商业秘密、侵犯著作权等,请点击“违规举报”。

碎片内容

基于PLC小车自动往返控制

文森传品+ 关注
实名认证
内容提供者

一家传播文化教育的小店,资料丰富,随意挑选。

确认删除?
VIP
微信客服
  • 扫码咨询
会员Q群
  • 会员专属群点击这里加入QQ群
客服邮箱
回到顶部