电脑桌面
添加小米粒文库到电脑桌面
安装后可以在桌面快捷访问

2025年施工现场安全检查的八张检查表VIP专享

2025年施工现场安全检查的八张检查表_第1页
1/13
2025年施工现场安全检查的八张检查表_第2页
2/13
2025年施工现场安全检查的八张检查表_第3页
3/13
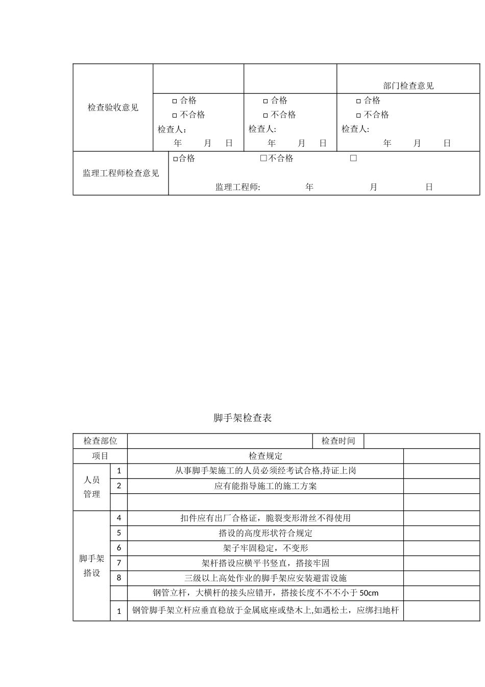
施工现场安全检查必备的八张检查表高处作业安全检查表检查单位 检查时间 年 月 日项目检查内容成果施工人员1无高血压、心脏病精神病等不适合于高处作也的病症、2对的穿戴安全帽、软底鞋等防护用品3井、孔口、临空面边缘、不准休息和停留4不准向下抛丢物体、材料5不准沿绳、立杆攀爬上下6作业前检查安全绳的牢固程度、不准使用不合格的安全绳架子平台7按设计施工、牢固可靠8定期检查排架损伤、腐朽、松动清况,及时维护9井、孔口、预留口加盖板或设围栏10平台脚手板铺满钉牢、临空面有护身栏杆,不准有探头板11栈道栈桥通道有扶手栏杆,扶梯固定牢固,通道外外侧下部为道路或作业场所时边缘有 10cm 以上的档板12堆物、整洁、稳固不准超负荷13废物废废渣及时清理,不得乱丢乱堆临空边缘悬空作业14悬挂合格的安全网或搭设其他防护设施15对的拴挂安全网16使用工具和易下落的物体,有绳子拴牢,不的下掉17下方为通道或其他工作场所,应有防护棚或专人监护其他18六级以上大风暴雨浓雾等恶劣天气,停止作业19雪天、冰冻天气应清除雪、霜、冰和采用防滑措施、20夜间有足够的照明21石棉瓦等简易轻型屋顶作业有对应的安全防护措施22带电体附近作业应保持规定的安全距离或采用防护隔离措施23登高作业,电杆立杆等埋设固定牢固,登高工具合格备注评估安全 基本安全 危险 立即停工应立即整改项目混凝土开仓前安全检查表施工单位施工部位施工班组浇筑措施检查项目检查要点施工单位自检成果监理单位检查意见工作平台平台脚手板铺满平坦栏杆扶手设置状况栏杆不低于 1。2m,并需设 20cm 的挡脚板四口的安全防护临时不用的空口应加盖,并需进行防护交通通道交通通道畅通,爬梯及斜坡道必须有防滑设施模板强度刚度稳定性符合设计规定临空面作业必须搭设作业平台,挂设安全网进行防护电焊机工况良好,绝缘可靠电缆开关绝缘良好震捣器接地可靠或装漏电保护器照明灯具,照明亮度灯具有可靠的保护,照明充足混凝土入仓设备,设施入仓设备工况良好处在安全状态,其他辅助入仓设施设置牢固可靠施工排架排架支撑设置牢固交叉作业,物体打击应有可靠的防护施工单位施工班组安全员检查意见施工单位安全检查验收意见部门检查意见□ 合格□ 不合格检查人: 年 月 日□ 合格□ 不合格检查人: 年 月 日□ 合格□ 不合格检查人: 年 月 日监理工程师检查意见□合格 □不合格 □监理工程师: 年 月 日脚手架检查表检查部位检查时间项目检查规定人员管理1从事脚手...

1、当您付费下载文档后,您只拥有了使用权限,并不意味着购买了版权,文档只能用于自身使用,不得用于其他商业用途(如 [转卖]进行直接盈利或[编辑后售卖]进行间接盈利)。
2、本站所有内容均由合作方或网友上传,本站不对文档的完整性、权威性及其观点立场正确性做任何保证或承诺!文档内容仅供研究参考,付费前请自行鉴别。
3、如文档内容存在违规,或者侵犯商业秘密、侵犯著作权等,请点击“违规举报”。

碎片内容

2025年施工现场安全检查的八张检查表

您可能关注的文档

确认删除?
VIP
微信客服
  • 扫码咨询
会员Q群
  • 会员专属群点击这里加入QQ群
客服邮箱
回到顶部