电脑桌面
添加小米粒文库到电脑桌面
安装后可以在桌面快捷访问

大沙河闸门吊装施工方案

大沙河闸门吊装施工方案_第1页
1/14
大沙河闸门吊装施工方案_第2页
2/14
大沙河闸门吊装施工方案_第3页
3/14
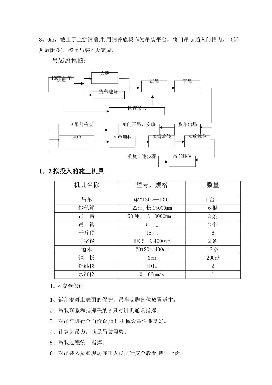
大沙河河口水闸工程钢闸门吊装施工方案编制单位:深圳市骏基建设工程有限公司编 制:审 核:审 批:编制日期:二○○八年十月十八日目录一、工程概述 21.1 编制依据 1 1.2 吊装简述 1 1.3 拟投入的施工机具 2 二、吊装准备 3 2 。 1 施工准备 3 三、吊装作业 4 3.1 卸车 4 3 。 2 将闸门转吊到闸槽工作位置 5 3 。 3 施工周期及准备 5 四、质量目标与质量保证措施 5 4 。 1 质量目标 5 4 。 2 质量保证措施 5 4.3 质量保证体系 6 五、起重吊装的指挥和吊装工艺岗位的分工 6 5.1 起重吊装的指挥协调工作 6 六、吊装工作应注意的安全事项 7 七、大件吊装工程危害辩识、评价控制措施表 9 八、劳动力使用计划 10 九、应急预案 10 9 。 1 组织机构 10 9.2 应急准备 10 9 。 3 应急响应 10 十、附录 11 附录 1 、 120 吨汽车起重机性能表 11 附录 2 、起重机的选择与计算 12 附录 3 、吊装用钢丝绳受力计算及选择 12 一、工程概述本工程有 4 扇平板钢闸门在大沙河立交桥下面安装.闸门的外型尺寸为 18000 * 1400*4300mm , 其 中 闸 门 的 重 量 : 2 个 30700kg ; 2 个28000kg。场内利用上游铺盖及闸室底板作为吊装平台,上游联结段基础采纳1m 厚块石处理,缝隙灌填小块石,面铺 2cm 厚钢板.处理后吊装区域面积为 13。18*74.00m,作业场地较为理想。闸门门叶实施整体吊装,其它构件现场组装.1.1 编制依据1)、DL/T5018-2024 《水利水电工程钢闸门制造安装及验收法律规范》2)、SD/T249。2—88 《单元工程质量等级评定标准》3)、SL36—92 《水工金属结构焊接通用技术条件》4)、GB985—88 《焊缝坡口形式和尺寸》5)、GB17345-89 《焊缝超声波探伤》6)、GB6076 《起重机械安全规程》7)、GB11373—88 《热喷涂金属件表面预处理通则》8)、GB8923—88 《钢材表面除锈和除锈等级》9)、招标文件中引用的标准及有关规程法律规范1.2 吊装简述闸门的安装采纳 QAY130k-130t 汽车吊,从上游围堰新建下河车道,车道宽8。0m,截止于上游铺盖,利用铺盖底板作为吊装平台,将门吊起插入门槽内。(详见后附图),整个吊装 4 天完成。吊装流程图:1。3 拟投入的施工机具机具名称型号、规格数量吊车QAY130k—130t1 台;钢丝绳22mm,长 13000mm6 根吊 带50 吨,长 10000mm;2 条吊 钩50 吨2 个千斤顶15 吨6工字钢HW35 长 4000...

1、当您付费下载文档后,您只拥有了使用权限,并不意味着购买了版权,文档只能用于自身使用,不得用于其他商业用途(如 [转卖]进行直接盈利或[编辑后售卖]进行间接盈利)。
2、本站所有内容均由合作方或网友上传,本站不对文档的完整性、权威性及其观点立场正确性做任何保证或承诺!文档内容仅供研究参考,付费前请自行鉴别。
3、如文档内容存在违规,或者侵犯商业秘密、侵犯著作权等,请点击“违规举报”。

碎片内容

大沙河闸门吊装施工方案

您可能关注的文档

确认删除?
VIP
微信客服
  • 扫码咨询
会员Q群
  • 会员专属群点击这里加入QQ群
客服邮箱
回到顶部