电脑桌面
添加小米粒文库到电脑桌面
安装后可以在桌面快捷访问

天然气公司加气站设备检查维修运行表等

天然气公司加气站设备检查维修运行表等_第1页
1/11
天然气公司加气站设备检查维修运行表等_第2页
2/11
天然气公司加气站设备检查维修运行表等_第3页
3/11
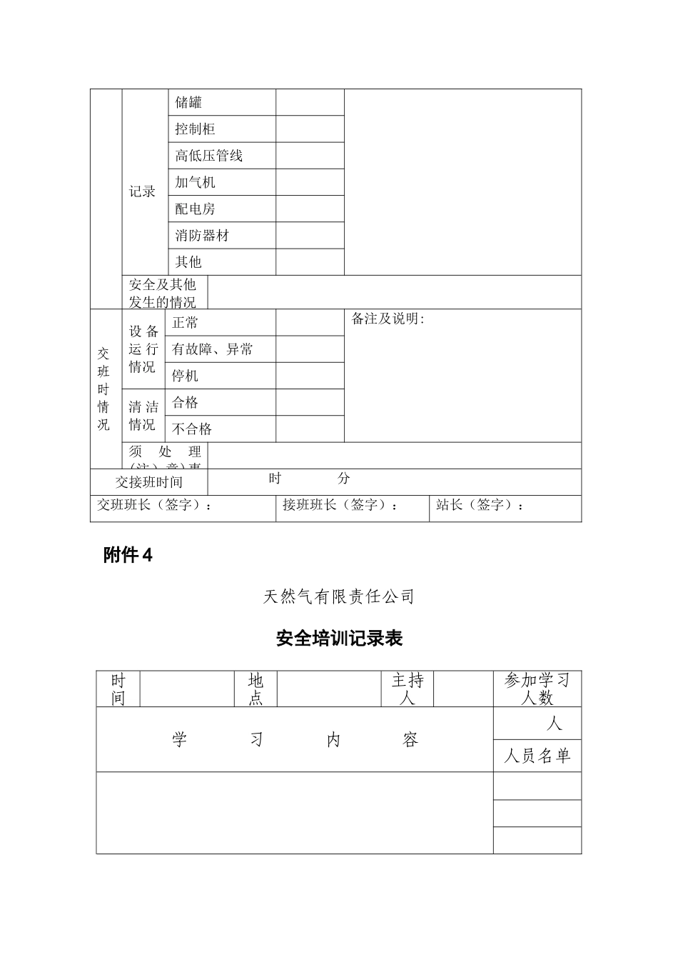
天然气公司加气站设备检查维修保养记录表名称: 加气站 日期: 年 月 日设备名称规格型号 自编号码 出厂日期 使用年限 上次维修保养时间检查维修保养记录维修更换配件记录注:本表由设备维修人员填写并签字,所属加气站技术负责人或站长验收合格签字。检查保养维修人(签字): 负责人(签字):附件 3天然气有限责任公司日常巡检和交接班记录表名称: 加气站 年 月 日本班情况设 备运 行情况正常处理情况:有故障、异常停机场 站巡 回检 查情 况低压设备处理情况:液化机程控盘记录储罐控制柜高低压管线加气机配电房消防器材其他安全及其他发生的情况交班时情况设 备运 行情况正常备注及说明:有故障、异常停机清 洁情况合格不合格须处理(注)意)事交接班时间 时 分 交班班长(签字):接班班长(签字):站长(签字):附件 4天然气有限责任公司安全培训记录表时间地点主持人参加学习人数学 习 内 容 人人员名单考核方式:口头() 闭卷() 开卷() 实际操作() 记录人: 站长 : 附件 5天然气有限责任公司用户问题反馈及建议表客户名称联系电话日期问题反馈及建议:问题回复及整改措施附件 6引用的标准和法律规范1、(国家质检总局第 2 号令) 《锅炉压力容器压力管道特种设备事故处理规定》2、(国质监局第 13 号令) 《压力管道安全管理与监察规定》3、(国质监锅【1999】第 154 号令) 《压力容器安全技术监察规程》4、(国质监锅【1999】第 154 号令) 《气瓶颜色标志》5、(国务院令第 549 号) 《特种设备安全监察条例》6、(国务院令第 344 号) 《危险化学本品安全管理条例》7、(国质检总局第 46 号令) 《气瓶安全监察规定》8、(国质监锅【2000】250 号) 《气瓶安全监察规程》9、(GB27550—2024) 《气瓶充装站安全技术条件》10、(GB-5099) 《钢质无缝气瓶》11、(GB-5099) 《钢质无缝气瓶定期检验与评定》12、(GB—14194) 《永久气体气瓶充装规定》附件 7天然气有限责任公司 不合格气瓶登记记录序号车牌号不合格原因检查人员备注附件 8 天然气有限责任公司残液残气处理记录表介质:序号气瓶钢印码抽残前气瓶重量 kg抽残压力MPa抽残后气瓶重量 kg处理人签名/日期确认人签名/日期备注(问题及处理措施)附件 9天然气有限责任公司车辆充装记录表名称:加气站 年 月 日序号 时间车牌号气瓶使用登记编号充装量充装前后检查结果备注充装检查人员:附件 10天然气公司...

1、当您付费下载文档后,您只拥有了使用权限,并不意味着购买了版权,文档只能用于自身使用,不得用于其他商业用途(如 [转卖]进行直接盈利或[编辑后售卖]进行间接盈利)。
2、本站所有内容均由合作方或网友上传,本站不对文档的完整性、权威性及其观点立场正确性做任何保证或承诺!文档内容仅供研究参考,付费前请自行鉴别。
3、如文档内容存在违规,或者侵犯商业秘密、侵犯著作权等,请点击“违规举报”。

碎片内容

天然气公司加气站设备检查维修运行表等

文旅传媒+ 关注
实名认证
内容提供者

传播文化,成就未来

确认删除?
VIP
微信客服
  • 扫码咨询
会员Q群
  • 会员专属群点击这里加入QQ群
客服邮箱
回到顶部