电脑桌面
添加小米粒文库到电脑桌面
安装后可以在桌面快捷访问

季度酒店工程部设备维修保养计划

季度酒店工程部设备维修保养计划_第1页
1/8
季度酒店工程部设备维修保养计划_第2页
2/8
季度酒店工程部设备维修保养计划_第3页
3/8
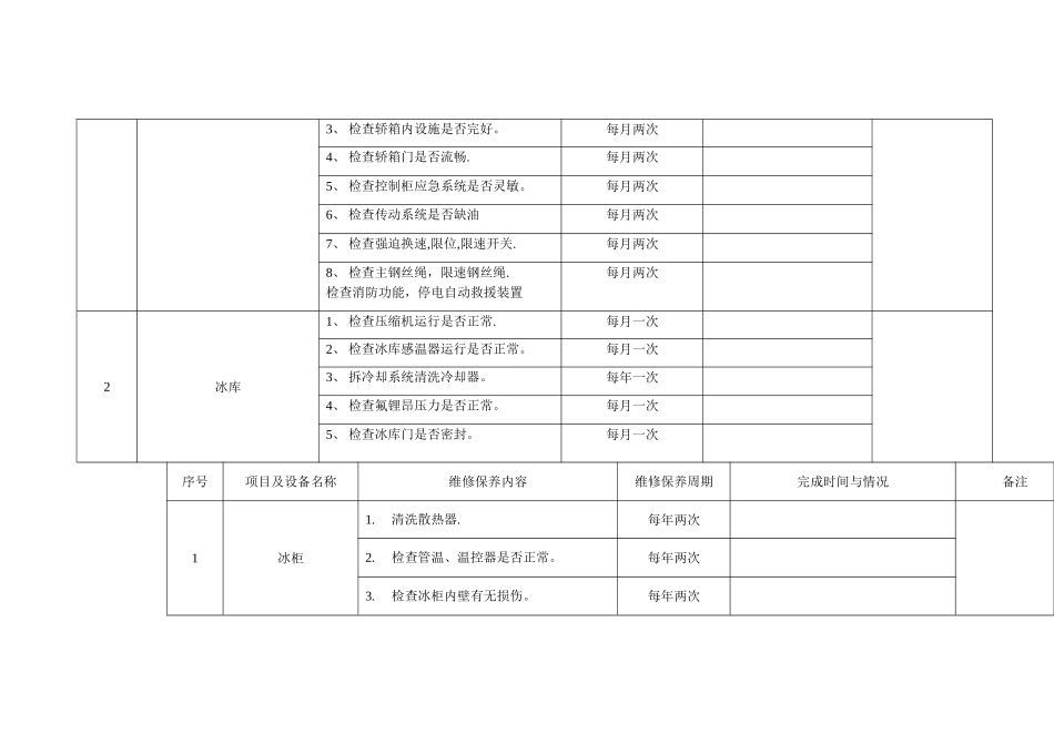
序号项目及设备名称维修保养内容维修保养周期。时间完成时间与情况备注1箱式变压器.高低压柜(1) 除尘每年一次(2) 母排开关螺丝紧固每年两次(3) 电线接点.触离开关有无过热每月检查2发电机(1) 各附件是否连接可靠各项运动部件是否灵活转动每月一次(2)冷却水 柴油机 油是否有泄漏每月两次(3)各线路接头是否松动每月一次(4)电瓶是否正常每月两次(5)启动发电机并运行半小时以上每月两次(6)更换空气滤清,柴油滤芯每运行 400 小时(7)更换冷却水 每年一次(8)负载运行 1 小时每年两次序号项目及设备名称维修保养内容维修保养周期完成时间与情况备注1电梯1、 每月维保人员来检查二次。每月两次配合专业公司保养2、 到年检前应检查电梯平稳度。每月两次3、 检查轿箱内设施是否完好。每月两次4、 检查轿箱门是否流畅.每月两次5、 检查控制柜应急系统是否灵敏。每月两次6、 检查传动系统是否缺油每月两次7、 检查强迫换速,限位,限速开关.每月两次8、 检查主钢丝绳,限速钢丝绳.检查消防功能,停电自动救援装置每月两次2冰库1、 检查压缩机运行是否正常.每月一次2、 检查冰库感温器运行是否正常。每月一次3、 拆冷却系统清洗冷却器。每年一次4、 检查氟锂昂压力是否正常。每月一次5、 检查冰库门是否密封。每月一次序号项目及设备名称维修保养内容维修保养周期完成时间与情况备注1冰柜1.清洗散热器.每年两次2.检查管温、温控器是否正常。每年两次3.检查冰柜内壁有无损伤。每年两次4.检查冰柜门是否密封。每年两次5.检查压力电流是否正常。每年两次2电空调1、 在制冷和制热之前清洗过滤网。每年两次2、 清洗散热器,冷凝器。每年两次3、 检查管温,温控器是否正常。每年两次4、 检查压力、电流是否正常。每年两次3电动门运行是否平稳。电机,轨道加油每年六次序号项目及设备名称维修保养内容维修保养周期完成时间与情况备注1VRV 空调机组1、 拆 vrv 空调冷却器板进行机械清洗。需与厂家技术人员联系。2、 清洗清理外机杂草与杂物。每年一次3、 更换或维修有破损的线路.每年一次4、 检查外机压缩机是否正常做到(听看)。每月一次5、 检查冷凝器运行是否正常,是否有漏液或漏冷冻油每月一次6、 检查内外机风扇否正常,有无杂物阻挡,如有杂物需联系厂家进行更换或清理.每月一次7、 检查变频器是否正常,数据母块运行是否正常。如不正常立即联系厂家进行维护。每月一次8、 检查所有感温器是否灵敏,数据是否正...

1、当您付费下载文档后,您只拥有了使用权限,并不意味着购买了版权,文档只能用于自身使用,不得用于其他商业用途(如 [转卖]进行直接盈利或[编辑后售卖]进行间接盈利)。
2、本站所有内容均由合作方或网友上传,本站不对文档的完整性、权威性及其观点立场正确性做任何保证或承诺!文档内容仅供研究参考,付费前请自行鉴别。
3、如文档内容存在违规,或者侵犯商业秘密、侵犯著作权等,请点击“违规举报”。

碎片内容

季度酒店工程部设备维修保养计划

确认删除?
VIP
微信客服
  • 扫码咨询
会员Q群
  • 会员专属群点击这里加入QQ群
客服邮箱
回到顶部