电脑桌面
添加小米粒文库到电脑桌面
安装后可以在桌面快捷访问

安全培训大纲

安全培训大纲_第1页
1/3
安全培训大纲_第2页
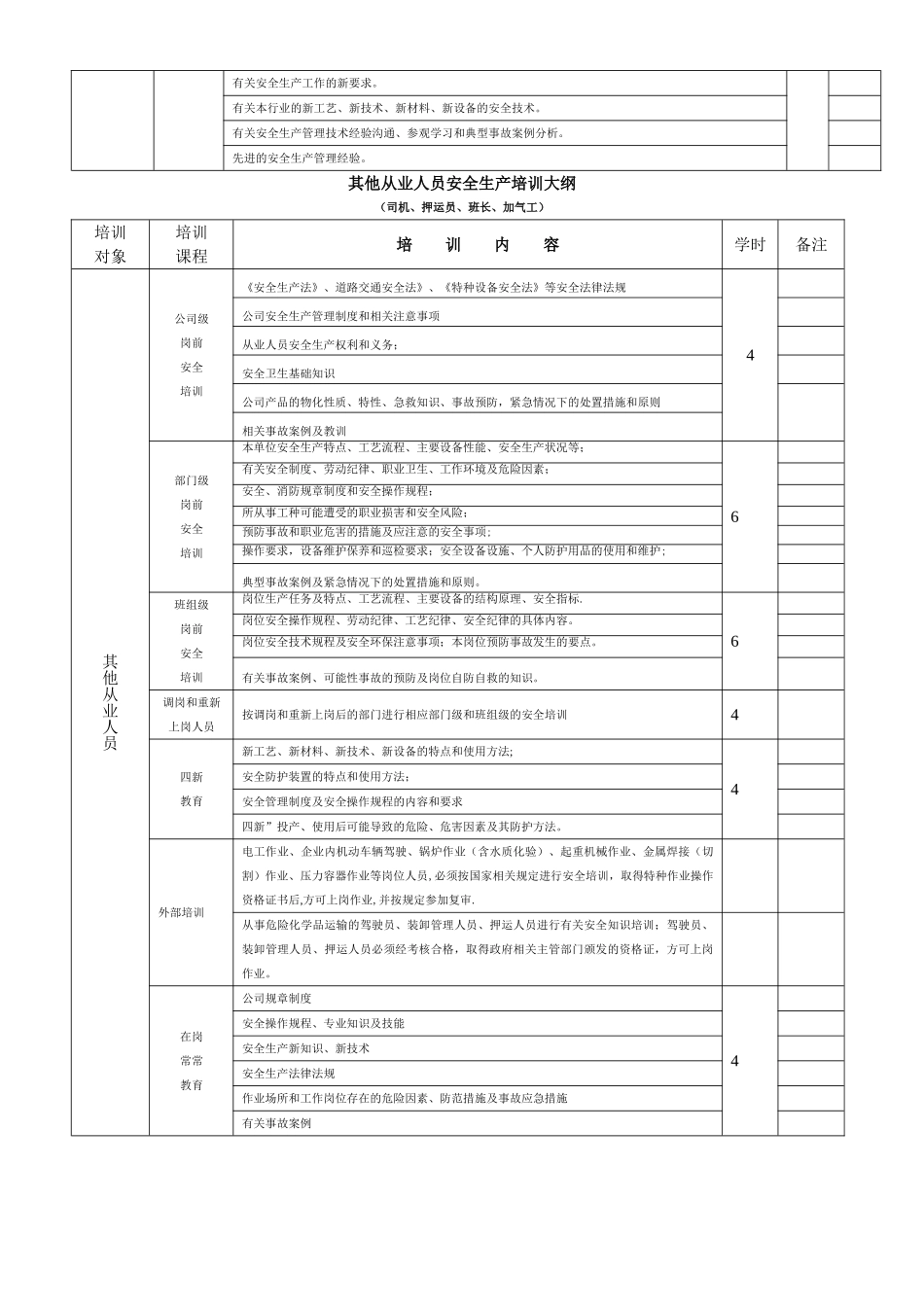
2/3
安全培训大纲_第3页
3/3
安全生产培训大纲主要负责人安全生产管理培训大纲培训对象培训课程培训内容学时备注主要负责人法律法规安全生产形势、安全生产方针、政策及其进展历程; 1法律法规基础知识及体系《安全生产法》、《消防法》、《突发事件应对法》、《工伤保险条例》、《安全生产事故报告和调查处理条例》《职业病防治法》、《湖北省安全生产条例》、《城镇燃气管理条例》6安全生产管理知识安全生产责任制与管理规章制度安全生产责任制的意义、内容及法律法规要求;2安全生产管理规章制度的内容、作用及要求;安全生产技术操作规程的内容、作用及要求。现场安全管理与安全标准化知识现场安全管理的意义、作用及要求;2现场安全管理的经验及典型做法;安全生产标准化要求、标准化法律规范及建设实践经验。现代安全管理理论与实践现代安全管理的目的、意义、模式及作用;2安全管理理论、安全管理理念、安全目标管理、安全管理模式与机制;现代安全管理实践要求及典型经验。风险管理危险源的定义、分类、识别方法;2风险的定义、风险评价方法及风险控制措施制定要求重大危险源的定义、识别标准及监管监控要求。事故致因理论与事故预防原理海因里希工业安全理论、能量意外释放理论、事故因果连锁理论、轨迹交叉理论;2事故预防原理、事故原因分析方法及预防措施的制定原则及要求。生产安全事故应急及救援预案事故应急的定义、应急体系的内容及事故应急响应要求;1法律法规及法律规范性文件对事故应急的管理要求;应急救援预案的编制、培训、演练、评审及备案要求.职业健康安全管理体系职业健康安全管理体系标准的意义、目的、特点及原则2职业健康安全管理体系标准内容;建立、实施并保持职业健康安全管理体系的过程、要求及方法等。生产安全事故管理生产安全事故分类及报告要求1生产安全事故的调查与分析要求;生产安全事故的处理要求;工伤保险法规及政策劳动防护及用品的监督管理法律法规及法律规范性文件对从业人员劳动防护的要求1劳动防护用品的管理规定。从业人员的职业健康法律法规对从业人员职业健康防护的相关规定;1职业危害因素的种类、申报、监测及有关职业病的法规要求。典型事故案例分析与本行业相关的典型事故案例,通过案例分析,汲取教训,改善本企业的事故防范措施.2主要负责人安全生产技术知识安全生产技术的分类、意义及要求;4机械安全技术、电气安全技术、防火防爆安全技术、厂内运输安全技术、压力容器安全技术、劳动防护用品使用技术、职业健康防...

1、当您付费下载文档后,您只拥有了使用权限,并不意味着购买了版权,文档只能用于自身使用,不得用于其他商业用途(如 [转卖]进行直接盈利或[编辑后售卖]进行间接盈利)。
2、本站所有内容均由合作方或网友上传,本站不对文档的完整性、权威性及其观点立场正确性做任何保证或承诺!文档内容仅供研究参考,付费前请自行鉴别。
3、如文档内容存在违规,或者侵犯商业秘密、侵犯著作权等,请点击“违规举报”。

碎片内容

安全培训大纲

确认删除?
VIP
微信客服
  • 扫码咨询
会员Q群
  • 会员专属群点击这里加入QQ群
客服邮箱
回到顶部