电脑桌面
添加小米粒文库到电脑桌面
安装后可以在桌面快捷访问

安全柜检测报告

安全柜检测报告_第1页
1/4
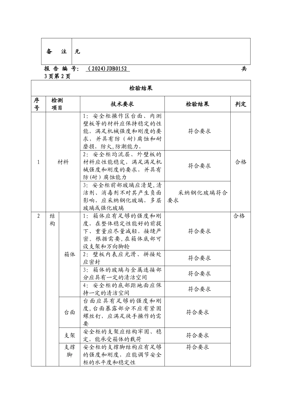
安全柜检测报告_第2页
2/4
安全柜检测报告_第3页
3/4
检 验 报 告报 告 编 号: (2024)JDB0152 样 品 名 称 生物安全柜 检 验 类 别 委托检验( B ) 出 厂 编 号 委 托 单 位 浙江苏净净化设备有限公司 生 产 单 位 浙江苏净净化设备有限公司绍兴市质量技术监督检测院报 告 编 号: ( 2024 ) JDB0152 共 3 页第 1 页样品名称生物安全柜样品数量1 台型号规格BSC-1000IIA2送检日期2024—04—08委托单位浙江苏净净化设备有限公司检测日期2024—04-10制造单位浙江苏净净化设备有限公司样品来源 厂家送检商标沪净净化样品编号13020检测项目/检测方法/检测依据检测设备检测结果具体内容见报告结 论合格备 注无报 告 编 号: ( 2024)JDB0152 共3 页第 2 页检验结果序号检测项目技术要求检验结果判定1材料1:安全柜操作区台面、内测壁板等的材料应保持稳定的性能,满足机械强度和刚度的要求,并具有防(耐)腐蚀和耐磨损,防火,防潮能力,符合要求合格2:安全柜均流层、外壁板的材料应性能稳定,满足满足机械强度和刚度的要求,并具有防(耐)腐蚀能力 符合要求3:安全柜前部玻璃应清楚,清洁剂、消毒剂不对其产生负面影响,应采纳钢化玻璃,多层玻璃或强化玻璃 采纳钢化玻璃符合要求2结构箱体1:箱体应有足够的强度和刚度,在整体稳定性能好的前提下、重量应尽量减轻,接缝严密。根据需要,在箱体底部可设支架和万向脚轮 符合要求合格2:壁板内表应光滑、拼接处应密封 符合要求3:箱体的玻璃与金属连接部分应具有一定的清洁空间 符合要求4:安全柜的底部距地面应保持一定的清洁空间 符合要求台面台面应具有足够的强度和刚度,台面暴露部分不应有紧固螺丝钉,应满足徒手操作的需要符合要求支架安全柜的支架应结构牢固、稳定,能承受箱体的载荷符合要求支撑脚安全柜的支撑脚结构应有足够的强度和刚度,应能调节安全柜的水平度和稳定性符合要求风机1 : 风 机 应 实 行 隔 震 防 震 措施,当底座位于箱体底部时,宜实行软连接方式:风机出口与箱体同样应采纳软连接方式符合要求2;电机应有热过载保护装置符合要求报 告 编 号: ( 2024 ) JDB0152 共 3 页第 3 页检验结果紫外灯当安全柜操作区域装有紫外灯时,应有措施保证照明灯与紫外灯不能同时启用符合要求照明照明灯及其配件不应干扰气流,灯的反射光和直射光不应干扰操作者视线符合要求电源开关总电源应采纳同时切断或接通电源各级的全极开关符合要求断路器总电源。...

1、当您付费下载文档后,您只拥有了使用权限,并不意味着购买了版权,文档只能用于自身使用,不得用于其他商业用途(如 [转卖]进行直接盈利或[编辑后售卖]进行间接盈利)。
2、本站所有内容均由合作方或网友上传,本站不对文档的完整性、权威性及其观点立场正确性做任何保证或承诺!文档内容仅供研究参考,付费前请自行鉴别。
3、如文档内容存在违规,或者侵犯商业秘密、侵犯著作权等,请点击“违规举报”。

碎片内容

安全柜检测报告

确认删除?
VIP
微信客服
  • 扫码咨询
会员Q群
  • 会员专属群点击这里加入QQ群
客服邮箱
回到顶部