电脑桌面
添加小米粒文库到电脑桌面
安装后可以在桌面快捷访问

安全检查表分析法

安全检查表分析法_第1页
1/3
安全检查表分析法_第2页
2/3
安全检查表分析法_第3页
3/3
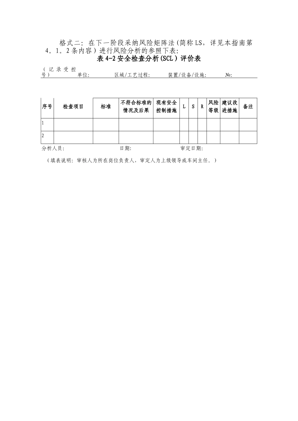
1、安全检查表分析法该方法是依据相关的标准、法律规范,对工程、系统中已知的危险类别、设计缺陷以及与一般工艺设备、操作、管理有关的潜在危险性和有害性进行判别检查。2、安全检查表分析法实施步骤该方法是依据相关的标准、法律规范,对工程、系统中已知的危险类别、设计缺陷以及与一般工艺设备、操作、管理有关的潜在危险性和有害性进行判别检查。该方法以提问的方式把检查项目按系统的组成顺序编制成表,进行检查或评审,是辨识危害因素及其风险的又一方法,适合于对静态设备设施存在的风险进行分析识别。其步骤包括编制安全检查表、列出设备设施清单、进行危害因素识别。(1)安全检查表编制的依据1)有关标准、规程、法律规范及规定;2)国内外事故案例和企业以往的事故情况;3)系统分析确定的危险部位及防范措施;4)分析人员的经验和可靠的参考资料;5)有关讨论成果,同行业或类似行业检查表等。(2)安全检查表编制步骤1)确定编制人员。包括熟悉系统的各方面人员,如工段长、技术员、设备员、安全员等.2)熟悉系统。包括系统的结构、功能、工艺流程、操作条件、布置和已有的安全卫生设施.3)收集资料。收集有关安全法律、法规、规程、标准、制度及本系统过去发生的事故事件资料,作为编制安全检查表的依据.3、安全检查表分析要求1)既要分析设备设施表面看得见的危害,又要分析设备设施内部隐藏的内部构件和工艺的危害。2)对设备设施进行危害识别时,应遵循一定的顺序。先识别厂址,考虑地形、地貌、地质、周围环境、安全距离方面的危害,再识别厂区内平面布局、功能分区、危险设施布置、安全距离等方面的危害,再识别具体的建构筑物等。对于一个具体的设备设施,可以根据系统一个一个的检查,或根据部位顺序,从上到下、从左到右或从前到后都可以。3)分析对象是设备设施、作业场所和工艺流程等,检查项目是静态的物,而非活动.所列检查项目不应有人的活动,即不应有动作。4)检查项目列出后,还要列出与之对应的标准。标准可以是法律法规的规定,也可以是行业法律规范、标准、本企业的有关操作规程、工艺规程或工艺卡片的规定。5)检查项目应该全面,检查内容应该细致,达不到标准就是一种潜在危害.如,对设备设施的控制措施进行对比标准检查时,不仅要列出报警、消防检查检验等耳熟能详的控制措施,还应列出工艺设备本身带有的控制措施,如连锁、安全阀、液位指示、压力指示等.6)列出《设备设施清单》(参照表 3)。表 3 设备设施清单(填表说明:...

1、当您付费下载文档后,您只拥有了使用权限,并不意味着购买了版权,文档只能用于自身使用,不得用于其他商业用途(如 [转卖]进行直接盈利或[编辑后售卖]进行间接盈利)。
2、本站所有内容均由合作方或网友上传,本站不对文档的完整性、权威性及其观点立场正确性做任何保证或承诺!文档内容仅供研究参考,付费前请自行鉴别。
3、如文档内容存在违规,或者侵犯商业秘密、侵犯著作权等,请点击“违规举报”。

碎片内容

安全检查表分析法

确认删除?
VIP
微信客服
  • 扫码咨询
会员Q群
  • 会员专属群点击这里加入QQ群
客服邮箱
回到顶部