电脑桌面
添加小米粒文库到电脑桌面
安装后可以在桌面快捷访问

安全检查记录表范例-2

安全检查记录表范例-2_第1页
1/33
安全检查记录表范例-2_第2页
2/33
安全检查记录表范例-2_第3页
3/33
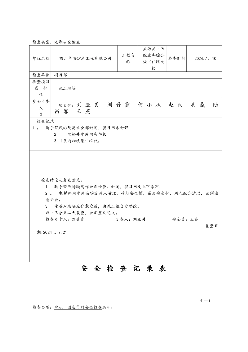
安 全 检 查 记 录 表说 明一 、安 全 检 查 记 录 表: 检 查 记 录 内 容 包 括 定 期安 全 检 查 、 专 项 安 全 检 查 、 季 节 性 、 节 假 日 前 后 等各 类 安 全 检 查 ( 包 括 施 工 用 电 、 大 型 机 械 、 特 别 脚手 架 、 场 容 场 貌 、 卫 生 防 疫 ) 将 检 查 结 果 及 时 收 集入 册 .二 、公 司 或 行 业 安 全 管 理 部 门, 在 安 全 检 查 中签 发 的 整 改 单 , 工 程 项 目 部 应 根 据 整 改 内 容 , 结 合隐 患 的 性 质 及 时 作 出 分 析 。 属 常 常 性 、 系 统 性 的 隐患 , 必 须 按 表 ( 安 7-1 ) 转 入 事 故 隐 患 评 审 处 理 。三 、对 平 常 组 织 的 安 全 检 查 中 , 一 般 性 并 能 当场 作 出 整 改 的 隐 患 , 可 不 必 作 隐 患 评 审 处 理, 但 必须 在 记 录 表 中 说 明 。四 、检 查 中 开 具 的 整 改 单 , 必 须 附 在 检 查 记 录表 后 面 .安 全 检 查 记 录 表安 — 1 检查类型:定期安全检查单位名称四川华浩建筑工程有限公司工程名称盐源县中医院业务综合楼( 住院大楼检查时间2024。9.10检查单位项目部 检查项目或 部 位 施工现场参加检查人 员项目部: 刘 亚 男 刘 晋 霞 何 小 斌 赵 雨 吴 羲 陆昌 馨 王 英 检查记录:1.钢管未架空或上架.4. 电梯洞口及通风口搭设不够严密 2. 三人未扣安全帽 3 。安全警示牌缺少 检查结论及复查意见:1 。 由套丝组负责清理现场钢管安装组做好配合工作(一天内完成。)2 。 扣不安全帽带每人罚50元,并进行安全自身保护教育。3.安全员已经完善安全警示牌 4 。电梯及通风洞口已经严密封盖,完善搭设以上4 条第二天复查,全部整改完成。检查负责人: 刘晋霞 复查人:刘亚男 安全员: 王英 复查日期:2024.9。11 填表人: 王英安 全 检 查 记 录 表检查类型:定期安全检查单位名称四川华浩建筑工程有限公司工程名称盐源县中医院业务综合楼(住院大楼检查时间2024.7。10检查单位项目部 检查项目或 部 位 施工现场参加检查人 员项目部:刘 亚 男 刘 晋 霞 何 小 斌 赵 雨 吴 羲 陆昌 馨 王 英 检查记录:1 。 脚手...

1、当您付费下载文档后,您只拥有了使用权限,并不意味着购买了版权,文档只能用于自身使用,不得用于其他商业用途(如 [转卖]进行直接盈利或[编辑后售卖]进行间接盈利)。
2、本站所有内容均由合作方或网友上传,本站不对文档的完整性、权威性及其观点立场正确性做任何保证或承诺!文档内容仅供研究参考,付费前请自行鉴别。
3、如文档内容存在违规,或者侵犯商业秘密、侵犯著作权等,请点击“违规举报”。

碎片内容

安全检查记录表范例-2

确认删除?
VIP
微信客服
  • 扫码咨询
会员Q群
  • 会员专属群点击这里加入QQ群
客服邮箱
回到顶部