电脑桌面
添加小米粒文库到电脑桌面
安装后可以在桌面快捷访问

安徽省建设工程监理人员配备标准

安徽省建设工程监理人员配备标准_第1页
1/2
安徽省建设工程监理人员配备标准_第2页
2/2
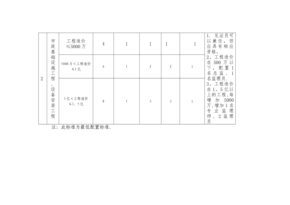
附件 2 :安徽省现场监理机构监理岗位人员配备标准序号工程类别规模总人次项目总监专业监理工程师监理员 见证员(可兼任)备注1房屋建筑工程、装修工程建筑面积≤5万㎡411111.见证员可以兼任,但应具有相应资格。2。工程面积在 3000㎡以下,配置 1 名总监、1 名监理员.3。建筑面积在 15 万㎡以上的,每增加 5万㎡,增加 1 名专业监理工程师、2 监理员.5 万㎡<建筑面积≤10 万㎡6122110 万㎡<建筑面积≤15 万㎡上81331 2市政基础设施工程、设备安装工程工程造价≤5000 万4111 11. 见证员可以 兼 任 , 但应 具 有 相 应资格。2。工程造价在 500 万 以下 , 配 置 1名 总 监 、 1名监理员.3。工程造价在 1。5 亿以上的工程,每增 加5000万,增加 1 名专 业 监 理师 、 2 监 理员5000 万<工程造价≤1 亿612211 亿<工程造价≤1。5 亿81331注:此标准为最低配置标准.

1、当您付费下载文档后,您只拥有了使用权限,并不意味着购买了版权,文档只能用于自身使用,不得用于其他商业用途(如 [转卖]进行直接盈利或[编辑后售卖]进行间接盈利)。
2、本站所有内容均由合作方或网友上传,本站不对文档的完整性、权威性及其观点立场正确性做任何保证或承诺!文档内容仅供研究参考,付费前请自行鉴别。
3、如文档内容存在违规,或者侵犯商业秘密、侵犯著作权等,请点击“违规举报”。

碎片内容

安徽省建设工程监理人员配备标准

雏圣文化+ 关注
实名认证
内容提供者

欢迎光临,大量办公文档供您挑选。

确认删除?
VIP
微信客服
  • 扫码咨询
会员Q群
  • 会员专属群点击这里加入QQ群
客服邮箱
回到顶部