电脑桌面
添加小米粒文库到电脑桌面
安装后可以在桌面快捷访问

实验室安全检查主要内容

实验室安全检查主要内容_第1页
1/3
实验室安全检查主要内容_第2页
2/3
实验室安全检查主要内容_第3页
3/3
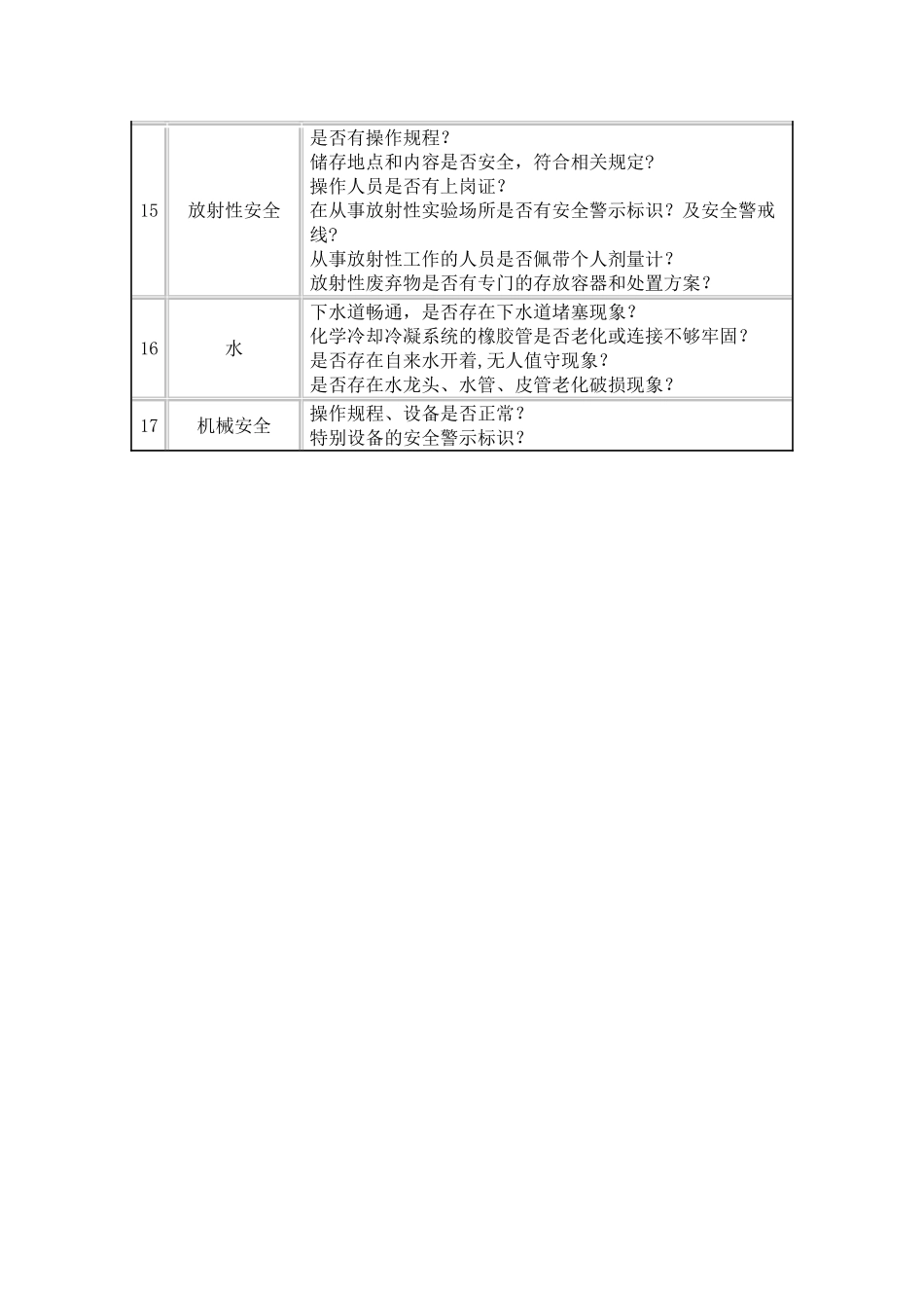
实验室安全检查主要内容 序分 类重点检查内容1制度建设规章制度、操作规程等是否齐全、上墙?实验室安全责任制是否健全?是否有应急预案(化学、生物、辐射)?实验室门口是否有责任人挂牌?2安全责任体系是否建立了实验室的两级责任体系?3安全检查台账实验室建立安全检查台账、记录问题及整改完成情况4卫生环境卫生状况;是否有该废弃处理的物品没有及时清理现象(如纸板箱、废电脑、破仪器、破家具等);实验室内有停放电动车、自行车等现象?实验室内是否有烧煮食物、用餐现象?实验室内是否有堆放私人物品现象?是否有在实验室睡觉过夜现象?5消防安全消防器材配置是否合理;消防通道是否通畅;是否有堵塞消防通道和在公共通道中堆放仪器、物品等现象;化学实验室是否存在未经批准使用明火电炉现象?6电气安全是否有电路容量不适用高功率的设备现象?是否有乱拉乱接电线、使用花线、使用木质配电板现象?是否有电线老化现象?是否有多个大功率仪器使用一个接线板的现象?是否存在仪器使用完后,未及时关闭电源的现象?是否存在接线板直接放在地面的现象?7烘箱、电阻炉是否超期服役、故障情况;烘箱、干燥箱等附近是否有气体钢瓶、易燃易爆化学品等?是否有影响烘箱、干燥箱等散热的现象(如在其周围堆放杂物)?是否存在使用干燥箱进行烘烤时,无人值守现象?8防盗安全门窗是否安全?是否存在门开着但无人值守的现象?剧毒品、病原微生物、放射源等存放点是否有防盗和监控设施?9化学试剂存放地点是否安全?酸缸与碱缸的安全(是否有标识?放置位置合理安全?加盖?);是否存在大桶试剂堆放?是否存在大量化学药品、有机溶剂混放?是否存在标签不明的化学试剂?是否存在试剂瓶盖打开放置的现象?10剧毒品是否执行“五双”管理制度(双人收发、双人使用、双人运输、双人双锁保管)11三废排放是否配备了实验废弃物分类容器?是否存在实验废弃物和生活垃圾混放的现象?是否发现向下水道倾倒废旧化学试剂等的现象?是否存在在实验室门外堆放实验室废弃物的现象?是否存在随意排放有毒有害气体?是否有气体吸收装置?12冰箱安全贮存化学试剂的机械有霜冰箱是否防爆改造?机械无霜冰箱不得贮存化学试剂(必须停止使用);是否有过期没有报废的冰箱;新购机械冰箱是否贮存化学试剂;是否存在影响冰箱散热的现象(如在冰箱周围堆放杂物现象)?是否存在在冰箱放置食品的现象?13气体钢瓶是否存放残余废气钢瓶?是否存在气体钢瓶未固定的现象?是否存在危险气体钢瓶混...

1、当您付费下载文档后,您只拥有了使用权限,并不意味着购买了版权,文档只能用于自身使用,不得用于其他商业用途(如 [转卖]进行直接盈利或[编辑后售卖]进行间接盈利)。
2、本站所有内容均由合作方或网友上传,本站不对文档的完整性、权威性及其观点立场正确性做任何保证或承诺!文档内容仅供研究参考,付费前请自行鉴别。
3、如文档内容存在违规,或者侵犯商业秘密、侵犯著作权等,请点击“违规举报”。

碎片内容

实验室安全检查主要内容

雏圣文化+ 关注
实名认证
内容提供者

欢迎光临,大量办公文档供您挑选。

确认删除?
VIP
微信客服
  • 扫码咨询
会员Q群
  • 会员专属群点击这里加入QQ群
客服邮箱
回到顶部