电脑桌面
添加小米粒文库到电脑桌面
安装后可以在桌面快捷访问

室外雨污水管网专项施工方案VIP专享

室外雨污水管网专项施工方案_第1页
1/11
室外雨污水管网专项施工方案_第2页
2/11
室外雨污水管网专项施工方案_第3页
3/11
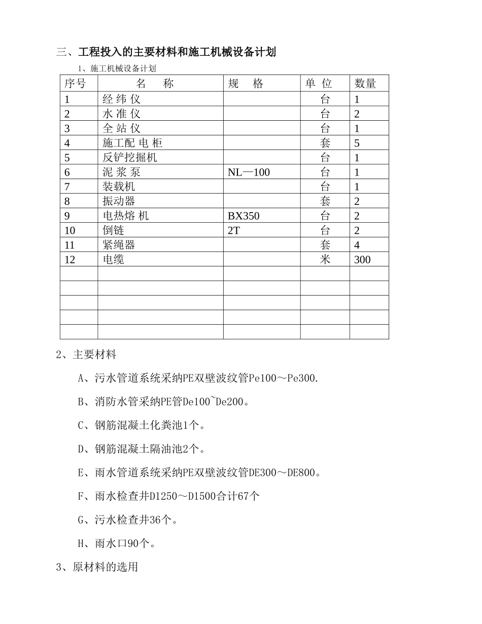
室外雨污水管网专项施工方案一、工程概况及特点金隅微观化工有限公司年产四万吨胶粘剂及年产五万吨聚羚酸项目厂区供污水、雨水、给排水管网、工程主要由生产生活给水、消防给水、雨水、污水等四大管网系统及阀门井、检查井、雨水井等组成.其中给水管网采纳聚乙烯(PE100)给水管热熔连接.排水管网采纳 HDPE 双壁波纹管、橡胶圈承插接口连接.消防给水管道采纳 PE 管.污水管网采纳 PE 双壁波纹管橡胶圈承插接口连接.雨水管道采纳 HDPE 双壁波纹管、橡胶圈承插接口连接。整个工程雨污水管大约有 3000 多米管道安装和 90 个砖砌雨水收集口、108 个钢筋混凝土井,1 座化粪池、1 座一体化污水处理设备、2 个水封井、3 个雨水汇合井施工.本工程地下管网建在自然地理、地质条件较差,气候炎热多风,次海洋气候作用影响,地下水较丰富和复杂的气候、地质给地下管网施工带来了较大困难.另外,该区域同时交叉作业施工,现场人员、材料设备较多,工作面多而大给施工造成极大不便,故而公司将组建强有力的项目部和施工班组,给本工程顺利完成奠定基础。本工程室内标高正负零为黄海高程3。90m,室外环境标高与之高差有高有低,管网处于原壮土区和回填土交界面上,由于本工程工期较紧,结合现场具体情况,故特编制本施工方案,并严格实施。二、编制依据2。1、国家颁发的有关法律规范、规程和标准。序号代号法律规范、标准名称备注1GB50015—2024建筑给水排水设计法律规范国标2GB50268—2024给水排水及采暖工程施工质量验收法律规范国标3GB50014—2024室外排水设计法律规范国标4CECS122:2001埋地硬聚氯乙烯排水管道工程技术规程5DG/TJ08—308—2024埋地塑料排水管道工程技术规程2.2、设计施工图及国标图集.三、工程投入的主要材料和施工机械设备计划1、施工机械设备计划序号名 称规 格单 位数量1经 纬 仪台12水 准 仪台23全 站 仪台14施工配 电 柜套55反铲挖掘机台16泥 浆 泵NL—100台17装载机台18振动器套29电热熔 机BX350台210倒链2T台211紧绳器套412电缆米3002、主要材料A、污水管道系统采纳PE双壁波纹管Pe100~Pe300. B、消防水管采纳PE管De100~De200。C、钢筋混凝土化粪池1个。D、钢筋混凝土隔油池2个。E、雨水管道系统采纳PE双壁波纹管DE300~DE800。F、雨水检查井D1250~D1500合计67个G、污水检查井36个。H、雨水口90个。3、原材料的选用1)本工程使用的工程材料我方选购是到大型生产厂家购买,除应由厂家提供的质保书外,还...

1、当您付费下载文档后,您只拥有了使用权限,并不意味着购买了版权,文档只能用于自身使用,不得用于其他商业用途(如 [转卖]进行直接盈利或[编辑后售卖]进行间接盈利)。
2、本站所有内容均由合作方或网友上传,本站不对文档的完整性、权威性及其观点立场正确性做任何保证或承诺!文档内容仅供研究参考,付费前请自行鉴别。
3、如文档内容存在违规,或者侵犯商业秘密、侵犯著作权等,请点击“违规举报”。

碎片内容

室外雨污水管网专项施工方案

确认删除?
VIP
微信客服
  • 扫码咨询
会员Q群
  • 会员专属群点击这里加入QQ群
客服邮箱
回到顶部