电脑桌面
添加小米粒文库到电脑桌面
安装后可以在桌面快捷访问

富气压缩机技术协议

富气压缩机技术协议_第1页
1/20
富气压缩机技术协议_第2页
2/20
富气压缩机技术协议_第3页
3/20
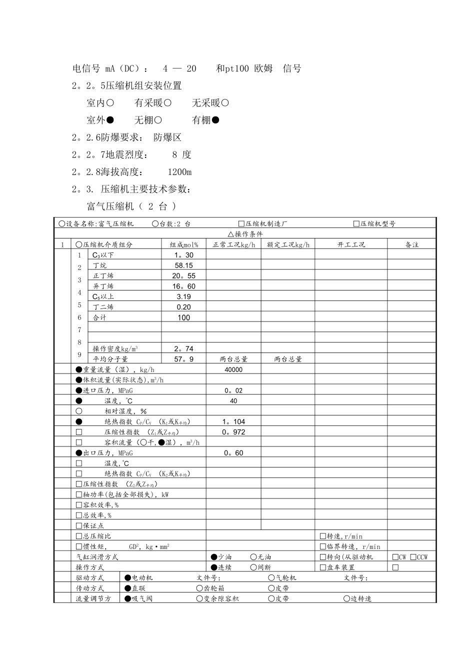
宁夏宝丰能源催化有限公司碳四异构装置项目富气压缩机 技 术 协 议 甲方(买方):宁夏宝丰能源催化有限公司乙方(卖方):杭州杭氧压缩机有限公司 2024年02月01日目 录1、总则 2、设计基础数据 3、供货范围4、执行标准5、基本技术要求6、主要零部件材料表、供应商清单7、检验与试验8、卖方保证9、专用工具及随机备件10、资料、图纸交付11、其他 12、联系方式1 总则1.1 本技术规格书适用于宁夏宝丰能源催化有限公司碳四异构装置往复式压缩机的采购工作。规定了乙方所供设备应遵循(但不限于)的标准文件、使用要求、技术性能、外购配套、文件资料等方面的要求。1.2 乙方应根据相关国家及行业标准要求提供满足本技术规格书所要求的高质量产品及其相应服务,并保证所供设备满足甲方项目设计使用要求。当涉及国家有关安全、环保等强制性标准时应得到满足。1。3 如未对本技术规格书提出偏差,将认为乙方提供的产品符合本技术规格书的要求.1。4 如本技术规格书与甲方提供的其它技术文件有矛盾时,应按较高要求执行。2 设计基础数据2。1 大气条件气压90kPa(abs)温度年平均值8。3℃,最热月平均值30℃,最冷月平均值-15℃相对湿度45% 降水量 年平均降水量 203。4mm,日最大降水量 95.4mm 蒸发量 年最低蒸发量 911.9mm,年平均蒸发量 1774.4mm 最大积雪 最大积雪深度 130mm 冻土深度 多年最大冻土深度 1090mm风 年平均风速 2.6m/s 最大风速 18m/s 冬季主导风向 N 夏季主导风向 ES雷暴 平均雷暴日数 15.8d,最多雷暴日数 30d沙尘 平均沙尘暴日数 6。8d,最多沙尘暴日数 50d2.2 公用工程条件2.2。1 循环水 进水压力 MPa(G): 0。4 回水压力 MPa(G): 0.2进水温度℃: ≤32 回水温度℃: ≤40 PH值: 6。5—9。5 硬 度:≤700mg/L混浊度 ≤20mg/L 污垢系数m2K/W: 0.0004m2k/w2.2。2 电源高压电:AC 10000V 50HZ 三相低压电:AC 380V 50HZ 三相AC 220V 50HZ 单相直流电:DC24V2。2.3动力风或其他密封气体净化风 压力MPa(G): 0.4—0.6 温度 20℃2.2.4仪表信号气信号 MPa: 0。02 — 0。1电信号 mA(DC): 4 — 20 和pt100 欧姆 信号2。2。5压缩机组安装位置 室内○ 有采暖○ 无采暖○ 室外● 无棚○ 有棚●2。2.6防爆要求: 防爆区2。2。7地震烈度: 8 度2。2.8海拔高度: 1200m2。3. 压缩机主要技术参数: 富气压缩机( 2 台 )○设备名称:富气压缩机 ...

1、当您付费下载文档后,您只拥有了使用权限,并不意味着购买了版权,文档只能用于自身使用,不得用于其他商业用途(如 [转卖]进行直接盈利或[编辑后售卖]进行间接盈利)。
2、本站所有内容均由合作方或网友上传,本站不对文档的完整性、权威性及其观点立场正确性做任何保证或承诺!文档内容仅供研究参考,付费前请自行鉴别。
3、如文档内容存在违规,或者侵犯商业秘密、侵犯著作权等,请点击“违规举报”。

碎片内容

富气压缩机技术协议

确认删除?
VIP
微信客服
  • 扫码咨询
会员Q群
  • 会员专属群点击这里加入QQ群
客服邮箱
回到顶部