电脑桌面
添加小米粒文库到电脑桌面
安装后可以在桌面快捷访问

屠宰流程说明

屠宰流程说明_第1页
1/4
屠宰流程说明_第2页
2/4
屠宰流程说明_第3页
3/4
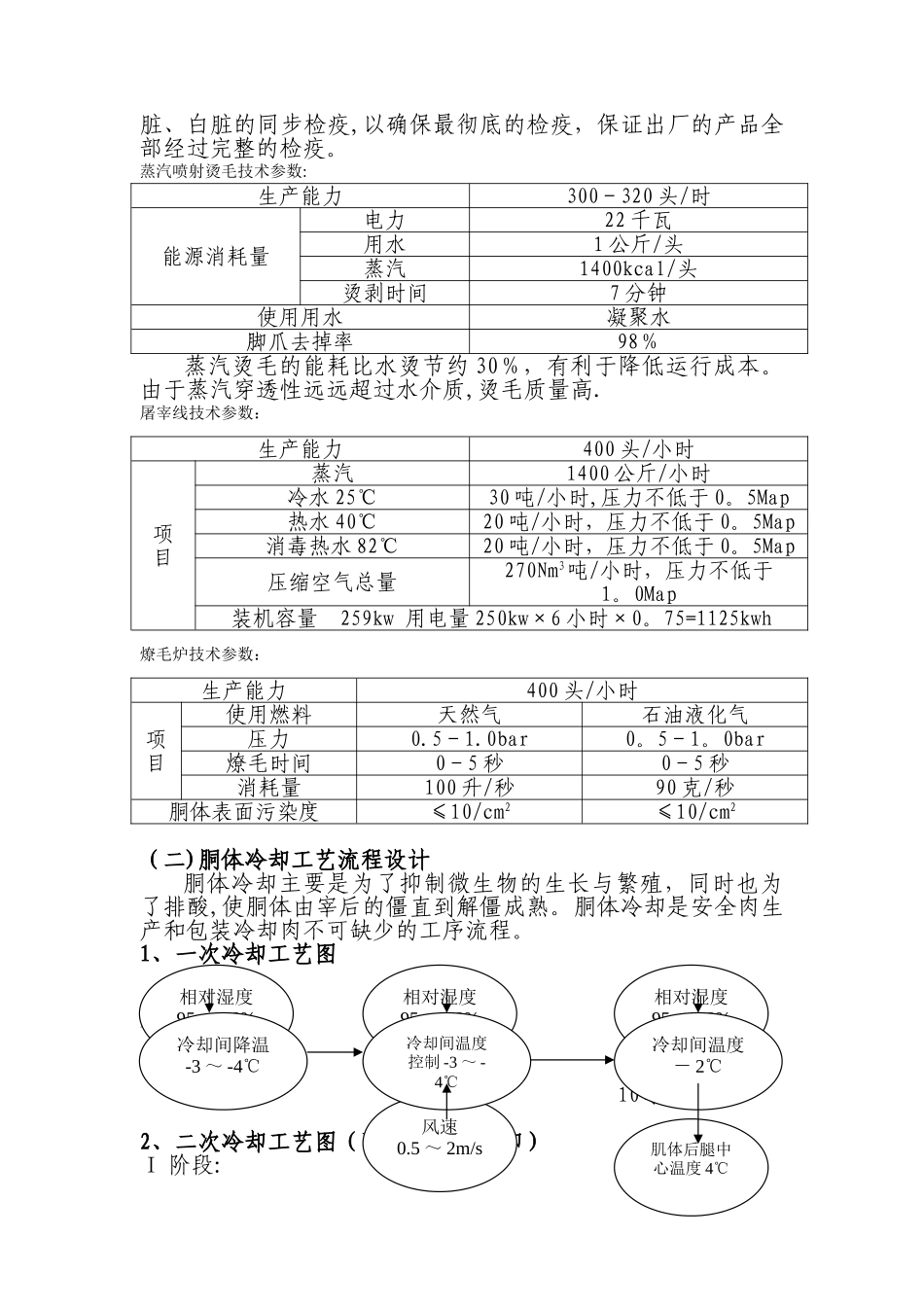
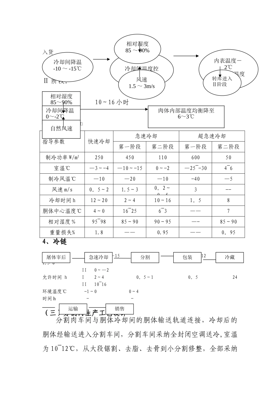
(一)屠宰工艺流程设计生猪屠宰是指生猪从饲养场使用专用车辆运至屠宰场待宰栏舍,在静养 12~24 小时(停食、饮水、宰前 3 小时停止饮水)后,实施屠宰直至胴体进入冷却状态的全部过程。1、致晕 生猪经过宰前检疫后,在待宰栏调整,然后送入到二氧化碳隧道中致晕。被致晕后的生猪经过六关,并全面杀菌。2、真空无菌放血 致晕后的生猪由平输机转入真空抽血工序,抽血之前进行酒精消毒以避开屠体刀口受感染。真空采血装置将 95%以上血液抽出,猪胴体内残留的少量血液经滴血槽和清洗机清洗后被清除。3、烫毛 采纳使烫毛更加彻底的立式蒸汽烫毛,避开了传统热水浸泡烫毛造成的交叉污染,同时又利用了高温蒸汽对屠体进行了一次全面消毒杀菌.4、高净率脱毛 毛猪进入净毛率高达 95%以上的打毛机进行脱毛。5、清洗 脱毛后的屠体垂悬进入具有清洗、按摩功能的装置,在清洗的同时进行按摩,使其肌肉处于原始的放松状态,纹理和肉质得到理顺和改善.6、燎毛 将屠体送入全自动燃气燎毛炉中,由电磁感应控制器控制瓦斯喷射燃烧器将残留的猪毛彻底清除,并杀死屠体上的全部细菌。7、抛光干燥 将燎毛后的屠体再清洗,并进行表面抛光干燥,这时屠体表面上的微生物≤10/cm2。技术路线:(见下页)1、屠宰2、内脏处理(同步卫检后进行加工处理)采纳同步输送技术可以实现在兽医对同一头猪的胴体、红赤 / 白脏小肠冲洗刮制肠衣盐渍冷藏大肠冲洗装盘冷藏胃切开冲洗装盘冷藏赤白脏冲洗修割包装冷藏生猪进入屠宰通道 生猪过磅入待栏宰致昏真空采血(水平)悬挂垂直放血屠体冲洗(先冲洗机)蒸汽烫毛脱毛清洗干燥冲洗摘出后部冲洗屠体火焰喷射去残毛取内脏分割去骨加工白条肉配送预冷( 0℃ -4℃ )急速冷却(两阶段)胴体干燥检查两分体胴体计量等级制定脏、白脏的同步检疫,以确保最彻底的检疫,保证出厂的产品全部经过完整的检疫。蒸汽喷射烫毛技术参数:生产能力300-320 头/时能源消耗量电力22 千瓦用水1 公斤/头蒸汽1400kcal/头烫剥时间7 分钟使用用水凝聚水脚爪去掉率98%蒸汽烫毛的能耗比水烫节约 30%,有利于降低运行成本。由于蒸汽穿透性远远超过水介质,烫毛质量高.屠宰线技术参数:生产能力400 头/小时项目蒸汽1400 公斤/小时冷水 25℃30 吨/小时,压力不低于 0。5Map热水 40℃20 吨/小时,压力不低于 0。5Map消毒热水 82℃20 吨/小时,压力不低于 0。5Map压缩空气总量270Nm3吨/小时,压力不低于1。0Map装机容量 259kw 用电量 250k...

1、当您付费下载文档后,您只拥有了使用权限,并不意味着购买了版权,文档只能用于自身使用,不得用于其他商业用途(如 [转卖]进行直接盈利或[编辑后售卖]进行间接盈利)。
2、本站所有内容均由合作方或网友上传,本站不对文档的完整性、权威性及其观点立场正确性做任何保证或承诺!文档内容仅供研究参考,付费前请自行鉴别。
3、如文档内容存在违规,或者侵犯商业秘密、侵犯著作权等,请点击“违规举报”。

碎片内容

屠宰流程说明

您可能关注的文档

确认删除?
VIP
微信客服
  • 扫码咨询
会员Q群
  • 会员专属群点击这里加入QQ群
客服邮箱
回到顶部